电池组是电动汽车最重要的部件之一,就成本而言,它几乎占到车辆成本的40%。电池组包括为电动汽车传动系统供电的锂离子电池,以及一种名为电动汽车电池管理系统(BMS)的智能解决方案。
电动汽车BMS又分为低压(LV)和高压(HV)两类。其中,≤30VAC和≤60VDC属于低压级别,主要应用于轻型电动和混合动力车辆(2轮或3轮车);高压BMS有两个级别,工作电压范围分别为≤600VAC和≤900VDC以及≤1,000VAC和≤1,500VDC,主要应用于电动汽车、电动巴士、电动卡车(4轮车)等,这些车辆常常需要串联和并联多个锂离子电池,例如400V、20kWh电动巴士的高压BMS(含LiFePO4电池)就由125个串联电池和1个并联电池组成。
从物理特性来看,锂离子电池组的爆炸威力类似于小型炸药,未经控制的热失控会导致爆炸和火灾的发生,对车辆乘员来说这个潜在的威胁可能是致命的。因此,密切关注电池组的电压、电荷和温度等参数的变化非常重要。从应用角度来看,为了从一次充电中获得更多里程、减少充电时间,且尽可能地地降低电动汽车电池组的总成本,除了尝试采用新的电池化学成分以及新的架构外,电动汽车高压BMS的高效设计也非常关键。
BMS:电动汽车安全可靠工作的守护者
锂离子电池具有高充电密度,为大多数电动汽车提供动力。不过,这些电池组在使用过程中存在着高度不稳定性和安全隐患。因此,这些电池在任何时候都不应处于过度充电或达到深度放电状态。
热失控通常是指充电或过度充电时流过电池的电流导致电池过热,这种情况将损害电池的寿命或容量。不同锂电池之间的不一致性是必然存在的一种现象,要想保证电池组的安全高效运行,这些电池必须同时工作在狭小的安全窗口内。
在实际应用中,这一管理过程非常具有挑战性,因为在电动汽车中,许多电池单元被组合在一起形成一个电池组,每个电池单元都需要单独监控,以确保其安全和高效运行,电池数量越多,管理难度就越大。此时,堪称电动汽车守护者的电池管理系统(BMS)的作用就极为重要。
电动汽车BMS是控制电池组正常工作的中央单元,它能确保锂离子电池安全、可靠和高效运行,通常通过监测和测量电池参数并评估SoC(充电状态)和SoH(健康状态)来管理电池组。BMS主要通过确保电池组在SoA(安全操作区)下安全地工作,从而保护电池组中的电池;电池数量越多,BMS的设计难度越大。以Model3为例,它的BMS需管理2,976节21700电池,或许是目前市场上复杂度最高的电动汽车电池管理系统之一。
BMS常常被看作是电池组的大脑,它的主要功能是保证电动汽车的电池受到保护,防止任何超出其安全极限的操作。以下是电动汽车BMS执行的四大常规功能:
电池监测
在充电或放电时,需要随时对电池进行监测,任何不符合规范的情况都必须在触发安全机制的同时进行识别和报告。在此阶段,需运行一些算法来计算充电状态(SoC)和健康状态(SoH)。在这里,监测SoC可确保电池不会过充或充电不足。有时SoC也被视为电动汽车的“燃料”指示器,它能显示电池中剩余的电量,并据此确定车辆的续航里程。SoH是电池整体健康状况的指标,可洞察电池的运行状况,根据这些信息,可以预测电池寿命并制定维护计划。
功率优化
电池监测的直接结果是对电池功率进行优化。当电池监测功能确定了SoC和SoH后,电动汽车BMS的工作就是将SoC和SoH参数保持在规定值内。当电池充电时,BMS确定单个电池中允许流过多少电流。在电动汽车运行期间,电池处于放电状态,BMS要确保电压水平不会过低。
电动汽车的安全性
未检测到的电池热失控可能会导致重大安全事故。BMS通过采集电压、温度和电流等数据以优化功率,类似的数据也常常用于保证车辆的安全性,以符合ISO26262等标准的要求。当然,车辆的安全性也涉及到另一个方面的要求,即车身/底盘与电池组必须绝缘,以避免对车辆乘员造成电击。
电池充电优化
电池的健康状况会随着时间的推移而不断变差。比如,电芯受热后有时会出现轻微损坏,并开始以低于其他电芯的电压充电。BMS要能够识别此故障并优化充电过程,以便所有电池都以较低的电压充电,以此减少整个电池组的压力,提高整体寿命。当然,BMS诊断也会将此问题存储为故障代码,以便在稍后阶段修复。此外,电池端子的氧化也可能导致电压降低,BMS需要适应这些变化并使电池达到最佳性能。
BMS设计的技术考虑
在设计BMS时,必须考虑各种因素,主要应包含四个关键功能:
一是参数估算。要能估算电芯级和组件级的SoC、SoH,并通过CAN与控制器通信。
二是数据存储。BMS应记录来自电池组和单个电芯的电信号,并将其存储在内置存储器中。
三是控制功能。BMS需要测量温度、电压和电流,并控制这些参数以实现电芯的平衡。
四是诊断功能。预测故障、监测电芯的变化、感知错误、识别安全风险并向驾驶员发送信息以供决策。
TI BQ79616-Q1
BQ79616-Q1是TI公司提供的汽车类16节串联精密电池监控器、平衡器和集成保护器,符合ASIL-D标准,在不到200µs的时间内为HEV/EV中高压电池管理系统中的16S电池模块提供高精度电池电压测量。
借助集成式前端滤波器,可以在电池输入通道上使用简单、低额定电压的差分RC滤波器来实施系统。集成的ADC低通滤波器可以执行经过滤波、类似于直流电的电压测量,以便更好地计算荷电状态(SoC)。该器件还支持自主内部电池平衡,并通过监测温度来自动暂停和恢复平衡,以免出现过热条件。
此外,器件中包含的隔离式双向菊花链端口支持通过电容器和变压器进行隔离,并且能够使用更高效的组件实现xEV动力总成系统中常见的集中式或分布式架构。在通信线路中断的情况下,菊花链通信接口可配置为环形架构,允许主机与堆栈两端的设备通信。器件中的8个GPIO或辅助输入可执行外部热敏电阻测量。

图1:简化版BQ79616-Q1系统框图(图源:TI)
BMS在测量电芯的电流和电压后,会将相关信息发送给一个应用程序,该应用程序将确定电池的SoC状态。这些测量值通过计算电池的实际最大容量(随着时间的推移而减少),帮助确定电池的健康状态(SoH)和剩余使用寿命(RUL),并据此估计电池是否仍适合运行或需要更换。通过确定每个电芯的SoC和SoH,BMS可以平衡其充电和放电,以确保所有电芯的一致性,从而延长电池寿命并提高性能。
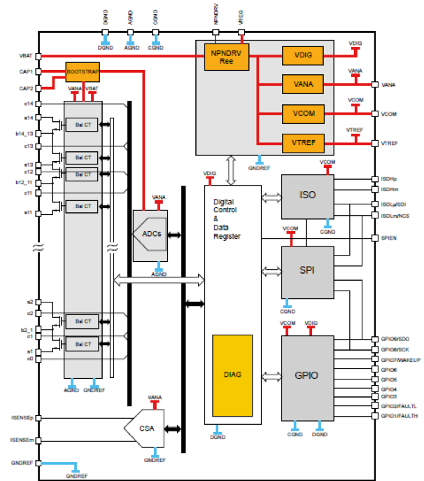
STMicroelectronics L99963E
STMicroelectronics的锂离子电池监测和保护芯片L99963E,在确保电池安全运行方面发挥着至关重要的作用。传统上,工程师们关注的首要BMS特性是其。
准确性,因此,BMS不仅要高精度地测量每个电池单元的状态,而且还必须非常快速地进行测量,否则,应用程序将无法提供反映实际充电状态的结果L99963E在测量电流以了解每个电芯的实际容量时提供了极高的精度,最大误差仅为±2mV。此外,L99963E还具有冗余功能,能够交叉检查模数转换器(ADC),以确保其准确性,如果它们不再可靠,该模块可以迫使相邻的ADC接管故障ADC并解决问题。菊花链中的L99963E还通过提供2.66Mbps带宽的串行总线进行通信,而市场上很多产品的带宽都在1Mbps左右。读取和处理434个电芯,L99963E仅仅需要4ms至16ms的时间。
一个成功的BMS方案从最初的方案设计到最终产品落地,设计过程绝非易事。为此,ST为L99963E提供了两个评估板:一个是EVAL-L99963E-MCU,它包括一个微控制器,并带有图形用户界面STSW-L9963E,以帮助开发人员更快地创建应用程序。另一个是EVAL-L99963E-NDS,可将多个L99963E放在菊花链中。

图2:锂离子电池监测和保护芯片L99963E系统框图(图源:STMicroelectronics)
传统BMS有三个主要子系统:电池管理单元(BMU)、电池接线盒(BJB)和电池监控单元(CSU)。BMU包含主控MCU,负责电池组的充电状态(SoC)和健康状态(SoH)计算。SoC和SoH的精确测量是降低成本并准确表示电池寿命和续航里程的关键。此外,电池组电压和电流监测、绝缘电阻测量以及接触器和热熔丝驱动器所需的大部分电子设备都在BMU上。CSU包含用于电池电压和温度监控的电子设备,而BJB主要是一个机电箱,分流器、接触器和热熔断器都在这个箱子里。
NXP HVBMS
NXP的高压电池管理系统(HVBMS)参考设计采用ASIL D架构,由电池管理单元(BMU)、电芯监测单元(CMU)和电池接线盒(BJB)3个模块组成。RD-HVBMSCTBUN是该公司HVBMS的参考设计套件,是一个完整的硬件解决方案。
其中,BMU是电池管理系统的控制部分,它处理来自其他BMS模块的各种数据,做出确保BMS安全的决策,同时与整车控制器(VCU)通信,并驱动将电池连接到汽车系统的接触器。
RD-K344BMU是用于开发电池管理单元(BMU)的参考设计,有助于HVBMS硬件和软件的快速成型。该开发板主要由NXP的S32K344、FS26、MC33665A、HB2000、TJA1145A、PCA2131、NBP8和MC40XS6500等器件构成。
RD33775ACNTEVB是支持电子传输协议链路(ETPL)通信的集中式单体电池监控单元(CMU)参考设计,该评估板还包含以菊花链形式连接的四个MC33775A模拟前端(AFE)。MC33775A是14通道锂离子电池控制器(BCC),4个MC33775A最多能容纳56个单体电池,可通过向菊花链添加更多CMU进行扩展。
RD772BJBTPLEVB是NXP HVBMS解决方案中的电池接线盒(BJB)参考设计,这个评估板包含两个MC33772C电池传感器,可用于冗余的高压和电流测量,并进行隔离测量。根据NXP官网的信息,上述产品目前仅对部分签署了保密协议(NDA)的客户开放。

图3:NXP电池管理系统解决方案参考平台框图(图源:NXP)
电动汽车BMS设计正在走向无线化
在电动汽车中,电池管理系统(BMS)是确保车辆安全、续航里程和可靠性的关键系统,如今这一系统将迎来新一波创新浪潮。传统的BMS架构需要在BMU和BJB之间铺设许多电缆,不仅会占用电池组中的宝贵空间,还增加了汽车的重量。得益于一些主要半导体公司的一系列新产品,当今先进的电动汽车BMS设计正在走向无线化。
向无线BMS技术转变的汽车BMS将带来多项优势:
减轻重量
电动汽车电池系统中的电缆和线束非常笨重,移除这些电缆可有效减轻总重量,并为电池舱中的其他系统提供更多空间。去除电缆后,系统中的许多配件和连接器也将一同被移除,成本也会相应降低。
消减电缆设计成本
有线BMS中使用的电缆是需要定制,并且价格昂贵。通常,每种型号的车辆都需要重新设计,每年还要对电池系统进行重大更改。采用全无线技术可有效降低这些成本。
组件易于模块化
因为无线BMS不需要专有的电缆组件和线束,所以剩余的组件和系统可以高度模块化,第三方供应商也更容易参与到设计中来。
维护更简单
移除电缆后电池的检查和更换更方便。
综合来看,电动汽车电池管理系统的无线化摆脱了CAN总线和SPI电缆带来的困扰。采用无线架构后,用于连接电池、监视器、主机控制器、外围设备和任何外部系统的传统电缆在很大程度上都将被无线通信所取代。
如果输出接口在IEEE 802.3ch汽车以太网中实现,则可以进一步减少电缆数量、降低线束重量,延迟也会缩短。无线BMS设计是在ISM频带(2.4GHz)中工作的短距离射频(RF)系统。作为一种短距无线系统,用于电动汽车的无线BMS设计与其他无线网络系统一样也会面临很多设计挑战。
比如,系统中的监控单元和主机控制器需要在车辆启动期间形成初始网络,并且这一过程需要非常快速地完成。延迟、多径误差和辐射噪声等问题会使这一过程更加困难。此外,这些系统最好是低功耗的,以确保运行期间的低温和长期可靠性。
电动汽车BMS行业的机遇
从市场规模来看,全球电池电动汽车市场2020年底达到797万辆,预计到2030年底将达到9,510万辆。挪威道路联合会2023年1月2日发布的最新数据显示,这个北欧国家2022年售出的新乘用车中,将近八成是纯电动汽车,刷新了该国的历史纪录。挪威人口约550万,去年共售出138,265辆纯电动车,占新乘用车总销量的79.3%,大幅超过2021年的64.5%。
中国是全球电动汽车市场的重要参与者,政府不断鼓励人们使用电动汽车,并计划到2040年全面禁止柴油和汽油车辆。从工信部发布的统计数据来看,2022年1-9月,中国新能源汽车产销分别完成471.7万辆和456.7万辆,同比分别增长1.2倍和1.1倍,市场占有率达到23.5%。其中纯电动汽车产销分别完成368.2万辆和357.8万辆,同比分别增长1.0倍和97.9%;插电式混合动力汽车产销分别完成103.3万辆和98.7万辆,同比分别增长1.9倍和1.7倍。

图4:2017年-2022年国内月度新能源汽车销量及同比变化情况(图源:工信部官网)
从市场价值来看,根据Beyond Market Insights的数据,2021全球电动汽车市场的规模约为1,785亿美元,预计到2030年将增长至约11,088亿美元,2022年至2030年间的复合年增长率约为22.5%。考虑到每台车都会配备一套BMS系统,因此,BMS市场将是一个潜力巨大的市场。
根据Meticulous Market Research的预测,电动汽车BMS市场预计到2029年将达到373亿美元,2022年至2029年的复合年增长率为30.5%,该市场的增长主要归因于电动汽车的日益普及。根据配置,2022年,96至132节电池组预计将占据电动汽车电池管理系统市场的最大份额,HVBMS也将成为增长最快的市场。然而,缺乏开发BMS的标准化法规,以及系统成本高昂,也会对电动汽车BMS市场的增长带来不利影响。
文章来源:贸泽电子
汽车
Xilinx是一家专注于可编程逻辑器件(FPGA)和自适应处理器的公司,提供了一系列面向汽车行业的解决方案。以下是Xilinx在汽车领域的一些关键方面:
汽车级FPGA: Xilinx提供了针对汽车行业的FPGA产品,这些产品通常具有更高的可靠性、温度范围和其他特定于汽车的要求。这些FPGA可用于处理复杂的计算任务、传感器融合、图像处理等。
ADAS(先进驾驶辅助系统): Xilinx的技术被广泛应用于先进驾驶辅助系统,包括雷达处理、视觉感知、车道保持辅助、自动驾驶等功能。
汽车网络: Xilinx的解决方案用于汽车网络和通信,包括支持Ethernet AVB/TSN(音视频桥接/时间敏感网络)的技术,以实现高效的数据通信。
汽车信息娱乐系统: Xilinx的FPGA和处理器技术可用于提升车载娱乐系统的性能,支持高级图形和音频处理。
电动汽车和混合动力系统: Xilinx的解决方案还可用于电动汽车和混合动力汽车的控制系统,包括电机控制、电池管理等。