从本文开始,我们将进入SiC功率元器件基础知识应用篇的第一弹“SiC MOSFET:桥式结构中栅极-源极间电压的动作”。
前言
MOSFET和IGBT等电源开关元器件被广泛应用于各种电源应用和电源线路中。另外,所使用的电路方式也多种多样,除单独使用外,还有串联连接、并联连接等多种使用方法。
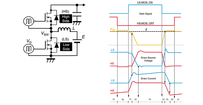
其中,在将开关元件上下串联连接的桥式结构中,通常交替地导通与关断各个元器件。下面是常规的桥式结构同步方式boost电路,波形图是根据栅极信号交替地导通/关断的低边(LS)MOSFET和高边(HS)MOSFET的漏极-源极间电压(VDS)和漏极电流(ID)示例。

通过开关工作,流过各元件的电流和变化的电压以复杂的方式相互影响。尤其是在处理高电压高电流的电路中,受安装电路板和结线引起的寄生分量等影响,产生电压和电流的动作,并因此导致工作不稳定、效率下降,从而可能导致损耗增加、产生异常发热等问题。
近年来,SiC MOSFET等高性能功率元器件的应用,使得通过高速开关转换大功率成为可能,但在操作过程中,需要对开关工作有深入的了解。在该系列文章中,我们将着眼于MOSFET桥式结构中的各MOSFET的栅极-源极间电压的动作,以简单的同步方式boost电路为例,对以下内容进行探讨:
・MOSFET的桥式结构与同步方式boost电路
・栅极驱动电路与导通/关断工作
・因dVDS/dt、dID/dt而产生的电流和电压
・导通时栅极信号的动作
・关断时栅极信号的动作
文章来源:Rohm