无论是纯电、插混、轻混还是油车,车内都有一块低压电池(通常在12V),该电池为整车关键系统供电,比如助力刹车,车门控制,紧急灯光系统等。
长久以来,铅酸电池是低压电池的主力方案,但是它有着污染高,维护频次高,能量密度低,增加汽车无效载荷等弊端。近些年,随着锂电池技术逐渐成熟,锂电池电瓶因为体积小重量轻,终生无需更换,全生命周期费用更低等优点被逐渐接纳。随着汽车电动化、智能化对供电需求的进一步提高,车载12V低压电池也迎来了由锂电替换铅酸的拐点。
与铅酸电池不同,针对新能源车的特点,众多OEM对12V锂电池提出了更高的功能安全和可靠性要求。针对新的挑战和应用痛点,作为国内唯一12V-1000V汽车BMS一站式解决方案芯片提供商,矽力杰为行业带来了全新的解决方案:AFE SA63654 + MCU SA32Bx / SA32Dx。目前该方案已受到海内外多家OEM的青睐。
强芯赋能,牢铸安全防线
低压锂电池的安全使用关乎驾驶员的安全。SA63654严格按照ISO 26262的流程开发(矽力杰于2023年获得了TUV莱茵的ISO 26262 ASIL-D体系认证),能够支持系统实现最高ASIL-D等级的功能安全目标。本文将围绕安全和诊断机制来介绍AFE的功能安全特点。系列后续,我们会为大家带来AFE 和MCU更深入的介绍。
安全快人一步,硬件过流保护+软件保护
在过流保护方面,SA63654提供硬件比较器过流保护(绿色)和ADC采集软件判断(蓝色)过流保护两种方式,两者形成冗余诊断。硬件过流保护提供微秒级的响应速度,相比于软件毫秒级的响应速度,可以更有效的降低过流产生的局部热量进而保护MOS开关。业界现有方案基于ADC电流采样的过流方式,这种方式对于传统继电器方案更为友好,无法适用于当前主流的MOS控制方案。此外,SA63654的硬件保护方式可以有效地降低系统休眠功耗并提高休眠状态下过流响应速度。

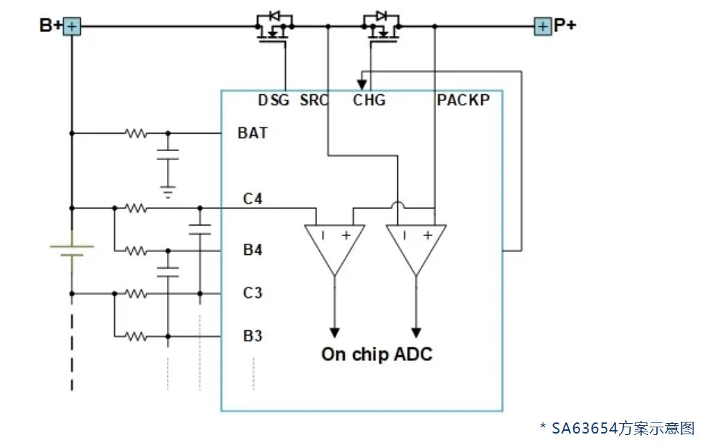
高边MOS诊断,精准同步,无额外功耗
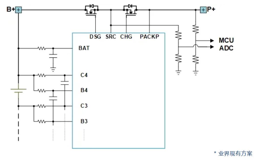
12V锂电池系统,高边MOS负责连接电池(B+)和负载(P+),它对系统安全至关重要。业界现有诊断方案,如下右图,采用外置电阻分压方式异步检测MOS两端电压。这种方案无法同时刻采集MOS两端差分电压,且外部电阻网络引入额外功耗、误差和器件失效概率。
SA63654采用创新的差分架构,一路采集P+端与B+端的压差即MOSFET的压降;一路采集SRC端与P+端的压降即充电管的压降。差分采样,消除了单端采样带来的功耗问题和同步性问题,直接保证了精度,消除了两路单端异步采样带来的诊断误判风险;SA63654的方案还可以节约MCU资源,降低MCU负荷。


真冗余,双路电流采集
在电流采集方面,SA63654内部采用两路(绿色和蓝色)全冗余ADC进行电流采集,采集结果进行对比,实现端到端的诊断覆盖。同时,也可以支持电流采集通道的完全冗余-扩展两个模拟通道来采集另一路shunt的差分电压。与业界现有方案相比,SA63654实现了电流采集的真正冗余,为实现电流采样的安全目标提供有力保障。

全覆盖的电压采集诊断
在电压采样方面,与主流方案对比,SA63654最大程度实现主辅通道的冗余,如主辅通道的模拟切换开关冗余以及主副通道的电平转换冗余。后端的低压模拟开关与VS ADC则通过片CS ADC实现交叉验证,不仅巧妙地解决了共因问题,而且消除了同构ADC的问题。芯片在满足功能安全的同时,SA63654提供主辅测量通道(Cn通道与Bn通道)以实现“Limp Home”模式,且该架构可以有效地降低芯片的功耗,提高芯片的EMC性能。


精彩延续,深度探索。接下来我们将为大家带来SA63654与SA32Bx/SA32Dx系列MCU更深入的方案应用介绍。
文章来源:矽力杰半导体