能量采集(Energy Harvesting)是从各种环境能源(如太阳能、射频波、物理振动)中捕获、转换并储存能量的过程。这项技术在环境物联网(Ambient IoT)的基础中发挥着关键作用,环境物联网是一代超低功耗的连接设备,它们通过从周围环境获取能量运行,而不是依赖传统电池。

本文将逐步讲解如何评估能量流的每个阶段,帮助您了解核心问题:能量预算能否支持您的应用场景?我们还将探讨光能采集系统的架构、能量流、设计权衡和验证技术,并重点介绍实用工具,如Silicon Labs(芯科科技)的支持蓝牙和Zigbee Green Power无线连接的专门开发板-EFR32xG22E能量采集开发套件,以及Qoitech的Otii Ace Pro功率测量和分析工具。
芯科科技能量采集平台概述
芯科科技EFR32xG22E无线SoC的能量采集平台经过优化,具备超低功耗特性。测量结果显示,从上电复位冷启动仅需150微焦耳(µJ),而从深度睡眠模式(EM4)唤醒仅消耗17微焦耳(µJ),实现快速任务执行且能量开销极低。该平台采用精确的能量预算技术,以微焦耳为单位平衡输入与消耗,并根据可用能量动态调整固件行为——包括调节传输频率、负载大小和内存操作。此架构支持在能量受限环境中的持续运行,非常适合可扩展的环境物联网部署。
文档资源页面提供了 IoT 传输优化机制的完整解析:https://www.silabs.com/blog/how-much-energy-can-you-harvest-with-a-batte...
能量采集的开发
一个典型的光能采集系统应包括四个主要组件:
- 光伏电池:将光转换为电能。转换效率取决于光强、角度和电池材料。
- 电源管理芯片:调节电压、提升功率,并执行最大功率点跟踪(MPPT)以优化能量捕获。
能量存储:使用超级电容、可充电电池或混合方案储存采集的能量。选择取决于应用的能量特征和工作周期。
- 负载:消耗能量的嵌入式系统,如传感节点或无线发射器。
设备概述:能量采集硬件
xG22-EK8200A
xG22E 能量采集探索套件旨在实现功能并加速基于能量采集供电设备的开发,这些设备使用 Bluetooth Low Energy (LE) 和 Zigbee Green Power 等射频协议。该套件基于EFR32xG22E开发板,具备超快速低能耗冷启动和低能耗深度睡眠唤醒,非常适合多种能量受限的应用。套件包含三个与行业领先PMIC 供应商e-peas联合开发的扩展板,可稳固安装在开发套件的主板上,支持包括光伏电池在内的能量源评估。
BRD8201A - 双源采集扩展板
该扩展板采用e-peas最新且最先进的PMIC —— AEM13920,允许开发人员同时测试双能量源、调试独立运行场景,并评估电池寿命。
BRD8202A - 动能按钮扩展板(配备BRD8206A 动能按钮)
该扩展板用于演示特定应用,即通过动能开关为无线SoC供电。专用于动能/脉冲能量采集应用,采用e-peas AEM00300。
BRD8203A - 电池扩展板
该扩展板用于测试替代电池化学体系和超级电容器。

EFR32xG22E能量采集探索套件的内容
光伏电池(PV Cell):Voltaic Systems P121 R1H,一款专为户外使用设计的光伏电池。
能量存储器(Energy Storage):Tecate 10F 3.8V 锂超级电容器。

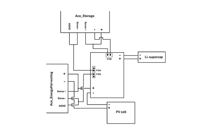
xG22-EK8200A与两台Otii Ace Pro的测量设置示意图。该设置可根据需要评估的组件数量进行扩展。

使用xG22-EK8200A与Qoitech Otii Ace Pro进行光能采集评估
能量采集实测
来自光伏电池的能量与PMIC行为
让我们观察由e-peas AEM13920能量采集器收集的光伏电池输出能量。当查看Otii Ace Pro(在此设置中称为 Ace_EnergyHarvester)测得的电流和电压数据时,你会看到频繁的尖峰(见下方 Otii 图表)。放大这些尖峰可以揭示 PMIC 的工作方式。
每个循环开始时,PMIC 会暂时断开能量采集器(EH)的负载。这段短暂的暂停使其能够测量 EH 的开路电压(Voc)。测得的 Voc 随后用于计算最大功率点(MPP)——即 EH 在该电压下工作效率最高。
对于许多能量采集器而言,Voc 与 MPP 电压之间的比例在不同光照条件下保持不变。在 e-peas PMIC 的情况下,该比例可配置在 35% 至 85% 之间,默认设置为 75%。在数据中标注的时间段内,Voc被测量,随后 PMIC 调节电压以保持在 Voc 的 75%。

PMIC与光伏能量采集器的电流和电压循环行为
能量存储
通过分析Otii Ace Pro(在此设置中称为 Ace_Battery)测得的电流和电压数据,该设备用于监测能量在能量存储器(电池)中的流入和流出,我们可以观察电池电压以及电流流动的方向。在此设置中,正电流表示电池放电,负电流表示充电。
在下图中,在高亮部分的起始阶段,芯片唤醒并传输数据。在此过程中,平均电流为正,表明芯片从电池中获取的功率超过了能量采集器在该时刻提供的功率。然而,当观察整个传输与休眠周期时,整体电流和能量值为负,如整个高亮部分所示。这意味着能量采集器在空闲时间提供的能量多于芯片消耗的能量,使电池能够重新充电。在这种情况下,系统实现了自我维持。

芯片组唤醒并传输数据时的电流和电压行为
物联网设备功耗特性
设计和优化高效的能量采集系统涉及许多变量。其中最关键的起点之一是确保目标设备本身具备能效。在整个开发过程中进行持续测量和不断优化是成功的关键,同时选择低功耗组件以实现整体高效设计。
BRD8201A是其中一个组件——一款双源采集扩展板,搭载EFR32xG22E无线SoC。作为能量采集套件的一部分,我们为开发者提供机会,在真实的能量采集条件下探索和评估其性能。
在此设置中,我们使用Otii Ace Pro(在该配置中命名为 Ace_IoT)分析其行为。结果显示在下图中,展示了由能量采集供电的 Silicon Labs 芯片的电流消耗。
在每 27 秒发生一次的活动周期中,平均电流消耗约为160µA。在休眠模式下,芯片平均仅消耗不到300 nA,这凸显了其在超低功耗应用中的适用性。

BRD8201A—双源采集扩展板在休眠模式下的电流消耗
总结:无电池物联网已到来
本次评估强调了基于光能采集技术在实现无电池物联网系统中的变革潜力,尤其是通过集成的EFR32xG22E平台和Qoitech的Otii Ace Pro测量工具。借助光伏电池和先进的 PMIC(如 e-peas AEM13920),开发者可以设计出能够动态适应环境条件的系统,通过最大功率点跟踪(MPPT)优化能量捕获,并在光照波动场景中保持能量平衡。测试设置采用双 Otii Ace Pro,分别监测光伏输入和存储行为,提供了能量流的细粒度视图,揭示了关键指标,如芯片的超低休眠电流(<300 nA)和高效唤醒能耗(EM4 模式仅 17 µJ)。这些数据凸显了在能量受限环境中实现持续运行的可行性。
此外,评估表明,通过合理的功耗分析和设计权衡,此类系统可以实现自给自足,这在完整的传输-休眠周期中净负电流的结果中得到了验证。这不仅证明了能量采集架构的可行性,还强调了选择低功耗组件以及根据实时能量可用性持续优化固件行为的重要性。采用超级电容器和混合存储方案进一步增强了系统在低光照期间的韧性。随着环境物联网的持续发展,此处呈现的洞察和方法论为开发者构建可扩展、可持续、免维护的IoT解决方案提供了实用蓝图。借助xG22E能量采集探索套件和Otii的功耗分析工具,无电池物联网的未来不仅充满希望——它已经触手可及。
文章来源:Silicon Labs