今天,在功率电子领域,氮化镓(GaN)正在取代硅(Si)器件,成为越来越多大功率密度、高能效应用场景中的主角。
这一重要的技术迭代之所以会发生,根本的原因在于GaN作为第三代宽禁带半导体材料,具有Si材料无可比拟的性能优势,用它打造的功率电子器件具有更高的工作电压、更高的开关频率、更低的导通电阻、更高的效率、更紧凑的外形等特点,可以突破传统Si基器件的性能瓶颈,将功率电子技术带入一个新纪元。另一方面,仔细观察后我们会发现,随着技术和工艺上的不断进步,很多先前横亘在GaN商用之路上的障碍正在逐渐被克服,这也是近年来GaN技术和应用快速发展的重要驱动力。
突破GaN技术应用的瓶颈
具体来讲,较高的成本、有限的应用和不够完善的技术生态——这三个曾经被认为是制约GaN广泛应用的瓶颈,现在正在被突破。 与成熟的Si基器件相比,成本一直是GaN器件商用进程中的“拦路虎”。但随着GaN器件应用的深化,越来越多的开发者意识到:尽管从芯片层面对比,GaN器件仍然比Si基器件贵,但从系统层面考量,GaN器件的应用则可以在系统成本相当的情况下,显著提升系统性能,为用户带来更高的投资回报。 众所周知,GaN功率器件具有独特的结构和电学特性,想要在系统设计中实现出色的性能,需要与之配套的专门优化的栅极驱动器的支撑,比如: GaN器件通常阈值电压较低,且栅极电容具有非线性的特性,要求栅极驱动器具备更高的电压精度控制能力。 GaN器件栅极电容较小且随电压变化明显,要求栅极驱动器能够提供快速的充放电电流,以确保器件在纳秒级时间内完成开关动作,减少开关损耗。 GaN器件在高频开关过程中会产生较强的EMI噪声,要求栅极驱动器具备良好的抗干扰能力,以保证驱动的信号完整性。 这些挑战使得GaN技术在发展初期,面临着栅极驱动器“一芯难求”的困境。不过经过业界多年的努力,随着越来越多GaN专用栅极驱动器产品的面市,这样的困境已经不复存在。 特别值得一提的是,为了进一步提升性能和易用性,集成驱动器解决方案——即将驱动器和GaN FET集成在一个器件中——也获得了长足的发展。比如,Texas Instruments(以下简称TI)通过在芯片中集成栅极驱动器和相关保护功能,推出了独具特色的、高集成的GaN功率级产品,进一步简化了GaN应用设计,便于开发者更大程度地利用GaN的技术优势,为更广泛的功率电子应用赋能。 以新能源应用为例,TI的集成式GaN功率级有助于减少分立的驱动器以及外部传感器和保护电路所占用的空间,实现更紧凑的系统设计,在光伏和风力发电以及储能系统中,为AC/DC整流、DC/AC逆变以及双向DC/DC转换等应用提供更小、更高效、更可靠的电源管理解决方案,打造灵活可扩展的能源基础设施。 具体来讲,TI的GaN功率器件为新能源系统设计带来的优势包括: 比现有AC/DC和DC/DC转换器的功率密度高3倍(>1.2kW/L),且重量更轻。 与SiC FET相比,提供高达140kHz快速开关性能,将功率密度提高了20%。 GaN器件更高的开关频率,允许采用较低成本的磁性元件,有利于总体系统成本的优化。
集成驱动器的GaN功率级
在传统的GaN系统解决方案中,GaN FET和栅极驱动器是两颗分立的器件,这主要是因为两者是基于不同的工艺制造的,集成在一起并不容易。 然而,由于GaN FET的开关速度比Si-MOSFET要快很多,采用分立方案时,两个在不同封装中的器件彼此间的焊线和引线会产生寄生电感,当GaN FET以每纳秒数十到几百伏的高压摆率进行开关操作时,这些寄生电感会导致开关损耗、振铃和可靠性等一系列问题。 而如果将GaN FET与栅极驱动器集成在一个封装内,则可以消除共源电感,并极大地降低驱动器输出与GaN FET栅极之间的电感,以及驱动器接地中的电感,进而优化开关性能。加之在这个“整合”的过程中,还可以集成相关的保护功能,有利于进一步简化BOM,降低系统成本。
图:GaN器件+栅极驱动器分立式方案(a)与集成式方案(b)的比较(图源:Texas Instruments)
正是基于这样的考量,加之自身在混合IC领域深厚的技术积累,Texas Instruments选择了集成式的GaN功率级作为主攻方向,并推出了丰富的产品组合,满足日益多样化的GaN应用所需。 这些集成式GaN功率级产品,覆盖从80V到650V电压范围,支持超过1-20kW的功率电子应用,并提供单管驱动的方案和双管驱动的半桥拓扑,且在根据市场的发展不断扩展。
图:TI集成式GaN功率级产品组合(图源:Texas Instruments)
赋能可扩展的GaN应用
简而言之,集成驱动是TI GaN器件的特色,集成驱动器的GaN功率级产品,有助于消除栅极环路中电路寄生耦合导致的栅极噪声和开关损耗,显著提升GaN系统的性能并简化系统设计。下文中,我们就一起来深入了解TI集成驱动器的GaN功率级中几款优秀产品。
LMG3100R0x集成驱动器GaN FET
该系列产品集成有1.7mΩ(LMG3100R017)或4.4mΩ(LMG3100R044)GaN FET和驱动器,具有100V连续/120V脉冲电压额定值,并带有高侧电平移位器和自举电路,栅极驱动器开关频率可达10MHz。该器件还具有内置电源轨欠压锁定(UVLO)保护和内部自举电源电压钳位能力,以防止过驱(>5.4V)。在应用开发时,可以使用两个LMG3100R0x器件形成半桥拓扑,无需外部电平移位器。

图:LMG3100R0x集成驱动器GaN FET(图源:Texas Instruments)
LMG3100R0x采用顶部散热的QFN封装,器件底部也有大面积焊盘,实现了很好的热性能。综合上述特性,这是一款导通电阻低至1.7mΩ、面向>1kW高频、高效电源管理系统的理想GaN解决方案,目标应用包括降压-升压转换器、LLC转换器、太阳能逆变器、电信、电机驱动器、电动工具和D级别音频放大器等。
图:LMG3100R0x简化框图(图源:Texas Instruments)
LMG2100R0x GaN半桥功率级
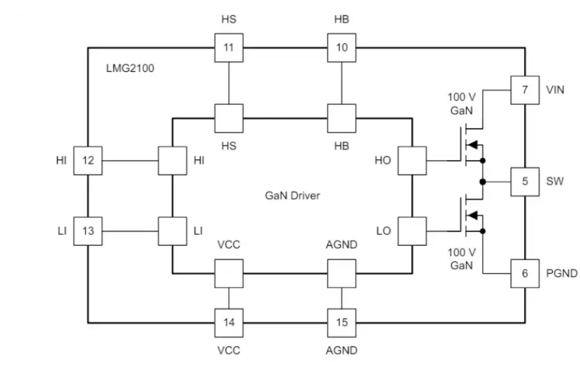
该系列是TI面向100V应用而设计的半桥功率级产品,内置两个GaN FET和一个半桥配置的高频GaN栅极驱动器,它们被集成在一个完全无引线键合的封装平台上,更大限度避免寄生电容的影响。

图:LMG2100R026 GaN半桥功率级(图源:Texas Instruments)
其中,LMG2100R026是一款53A半桥功率级,它在仅为7.00mm × 4.50mm的小封装内,集成了两个GaN FET和一个驱动器,具有2.6mΩ的导通电阻,93V连续/100V脉冲额定电压;专有的自举电压钳位技术确保了增强模式GaN FET的栅极电压处于安全的工作范围内;其同样采用了顶部散热的QFN封装,以满足小尺寸、高频、高效的功率电子应用。 同系列中还有另外一款器件LMG2100R044,导通电阻为4.4mΩ,具有90V连续/100V脉冲额定电压、高达35A的ID,为开发者提供了可扩展的选择。
图:LMG2100R0x简化框图(图源:Texas Instruments)
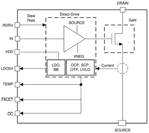
LMG3522R050 650V GaN FET
如果你想为更高功率应用找一款650V GaN FET解决方案,LMG3522R050是一个理想的选择。该器件中包含集成式驱动器和保护功能,可实现高达150V/ns的开关速度。与分立式Si栅极驱动器相比,TI 的集成式精密栅极偏置可实现更高的开关SOA,再与低电感封装技术相结合,可在硬开关电源拓扑中提供“干净”的开关和超小的振铃。

图:LMG3522R050 650V GaN FET(图源:Texas Instruments)
LMG3522R050具有可调栅极驱动强度,可将压摆率控制在15V/ns至150V/ns之间,有利于控制EMI并优化开关性能。该器件的其他特性还包括:零电压检测(ZVD)功能,可在实现零电压开关时提供来自ZVD引脚的脉冲输出;高级电源管理功能,提供数字温度报告和故障检测。
图:LMG3522R050系统框图(图源:Texas Instruments)
LMG3650EVM子卡评估模块
值得一提的是,为了加速GaN器件的应用开发,TI会在产品发布的同时,推出配套的评估模块和开发工具。比如针对预发布的LMG3650R025 650V GaN FET,TI就提供了LMG3650EVM子卡评估模块,用于该新产品的评估和开发。
图:LMG3650EVM子卡评估模块(图源:Texas Instruments)
LMG3650EVM子卡评估模块将两个LMG3650R025 GaN FET配置为半桥拓扑,其基本功率级和栅极驱动、高频电流环路在板上是全封闭的,更大程度地减少电源环路的寄生电感,从而避免电压过冲,提升性能。其还具有过热保护、逐周期过流保护、锁存短路去饱和保护功能,以及用于测试隔离式辅助电源或自举电源所需的其他辅助外设电路。 该评估模块提供插座式外部连接,可轻松连接外部功率级,或与TI GaN主板搭配使用,以便在各种应用中运行LMG3650R025,并对其性能进行全面地评估。值得一提的是,在PCB布局上,LMG3650与采用Toll封装的Si基器件兼容,这也为LMG3650EVM评估模块带来更多的选项和灵活性,支持开发者在系统设计时探索更多的技术路径。
图:LMG3650EVM子卡评估模块框图(图源:Texas Instruments)
本文小结
随着市场的发展和技术生态的完善,在追求更高效率、更高功率密度、更高可靠性的功率电子应用中,GaN器件替代Si基器件的技术升级之旅正在加速。
TI凭借独特的集成驱动式GaN器件,将GaN FET和栅极驱动器集成在单一封装中,在提升性能的同时大大减少了系统设计的复杂性和成本;与此同时,TI还提供配套的专用软件设计工具和硬件评估模块等资源。
这就好比为开发者提供了一份GaN开发的“全家桶”,简化了元器件选型和系统设计过程,能够一站式解决所有设计难题。
文章来源:贸泽电子