聚焦高性能模拟与数模混合产品的供应商思瑞浦3PEAK推出138dB(@G=100,Typ)的高共模抑制比、高阻抗低噪声仪表放大器TPA1287。该产品提供了出色的共模抑制能力和电压电流检测精度,广泛应用于电池化成、压力传感、医疗心电图(ECG)放大、工业控制等应用。
TPA1287产品优势
高共模抑制比
在电池化成的电流检测应用中,电池电压的波动常常影响采样结果,致使最终采集到的电压电流数据出现偏差。信号放大器输入级的高共模抑制比能有效降低前级共模噪声带来的干扰,TPA1287的共模抑制比为120dB(@G=100,Min), 138dB(@G=100,Typ),同时支持4V至36V宽压供电,拓宽共模输入范围。宽的输入电压范围和轨到轨输出能力允许信号充分利用供电轨道,使其能够在不同环境下可靠工作。

TPA1287不同增益的共模抑制比表现
高精度和低漂移
在工业控制、压力传感等应用领域,精准检测至关重要。TPA1287具有极低的增益误差(±0. 05%,@G=1,Max)和增益温漂(2ppm/°C@G=1,Max;30ppm/°C@G>1,Max),以及极低的失调电压(±40±240/G μV,Max)和失调温漂(±0.2±0.3/G μV/°C,Max),确保了电压电流检测的高精度和温度稳定性。
以电池化成应用中采样电阻0.5mΩ,100A的电流采样为例,有效信号为50mV,CMRR以最小值120dB计算,考虑电压变化范围0V~5V,Vos变化带来的精度影响为5uV/50mV=0.01%;考虑常温进行校准,仅考虑温漂带来的影响,±10°C下的Vos温漂对系统精度影响为(0.2uV/°C*10°C)/50mV=0.0025%,增益误差温漂(G>1)对系统精度影响为30ppm/°C*10°C=0.03%。

TPA1287增益误差温漂曲线
高阻抗和低噪声
相较于普通运放,仪表放大器还具备高阻抗和低噪声特性,针对高内阻信号源采集有精度优势,例如人体生物电信号,电桥信号等。在G=10增益条件下,TPA1287的输入电压噪声为(@1kHz),输入阻抗为GΩ级别。除此之外,TPA1287具有低偏置电流(10nA),能够降低对输入信号的影响;灵活的增益配置使得仪表放大器能够放大不同幅值的信号;高带宽(1.2MHz @G=1)也能够实现对信号变化的快速响应,及时将检测信号传递给后级处理。

TPA1287输入电压噪声曲线
TPA1287产品特性
•供电电压:4.0V ~ 36V
•低输入电压噪声:15nV/√Hz (@ f=1kHz,G=10)
•低失调电压:±10 μV(Typ)
•低失调电压温漂:±0.2±0.3/G μV/°C(Max)
•低静态电流:1.6 mA(Typ)
•高带宽:1.2 MHz(@G=1,Typ)
•增益误差:±0. 05%(@G=1,Max)
•增益误差温漂:2ppm/°C(@G=1,Max)
•高共模抑制比CMRR:138dB (@DC,G=100,Typ)
•封装:SOP8、MSOP8
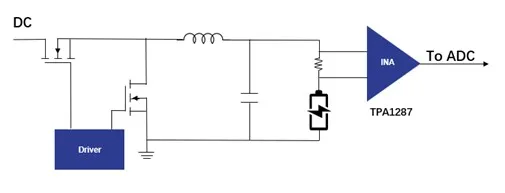
TPA1287典型应用
在工业控制和医疗器械等行业中需要高共模抑制比、低噪声的检测电路来放大采集的信号。例如,电池化成的电流采样应用上,较高的共模抑制比能够减小电池电压变化导致的采样误差;医疗心电图ECG前端信号微弱,且信号源内阻较大,需要高输入阻抗、低噪声的放大器进行信号放大,故而仪表放大器成为同类型应用的首选。TPA1287凭借其低噪声(@1kHz,G=10)、高共模抑制比(138db@G=100,Typ)、低功耗(1.6mA,Typ)、高输入阻抗、低温漂等特性,是高精度检测应用的理想选择。TPA1287只需要一个外部电阻来设置1到1000之间的任何增益。封装包含MSOP8,SOP8以满足选型需求。

TPA1287典型应用场景-检测电池电流
TPA1287产品现已量产,可提供样品及评估板。如有需求,请联系思瑞浦当地销售团队或邮件。
文章来源:思瑞浦3PEAK