聚焦高性能模拟与数模混合产品的供应商思瑞浦3PEAK(股票代码:688536)推出16位单通道、高精度、全集成数模转换器(DAC) TPC2201,产品支持HART通信协议输入,可实现单通道0mA~20mA电流输出及±10V的电压输出。同时,TPC2201支持菊花链模式,可广泛应用在工业自动化和过程控制等领域。
TPC2201产品优势
高精度电压输出
在AVDD±15V供电、DVDD内部LDO和内部基准条件下,经过两点校准测量,TPC2201电压输出精度表现出色,常温下误差极低,精度可达0.0025% FSR。

高精度电流输出
在相同的供电和校准条件下,TPC2201电流输出精度同样表现出色,常温下误差极低,精度可达0.0035% FSR。

低温漂
TPC2201在全温范围内(-40℃ ~ 125℃)同样表现出色。
在电流输出方面,TPC2201输出温漂仅为±5.5ppm FSR/°C,最大总不可调整误差为0.125% FSR(Typ.)。

在电压输出方面,TPC2201输出温漂仅为±1.5ppm FSR/°C,最大总不可调整误差为±0.02% FSR(Typ.)。

温升性能卓越
在负载电阻为0Ω,工作电流为24mA,24V电源的测试环境下。TPC2201在无自适应电源的条件下,温升约为23℃;在自适应电源的条件下,温升约为15℃。

TPC2201产品特性
16位精度
电流输出 支持多种电流输出范围: 4mA~20mA, 0mA~20mA, 0mA~24mA 总不可调整误差最大值:0.06%FSR(@25℃) 输出温漂:±5.5ppm FSR/°C 电压输出 支持多种电压输出范围: 0V~5V,0V~10V,-5V~5V,-10V~10V 总不可调整误差最大值:0.07%FSR(@25℃) 10%过量程输出 输出温漂:±1.5ppm FSR/°C 片上集成报警功能 CRC校验功能 看门狗功能 电流输出开路报警或者电源欠压报警 过温报警(超过150℃) 电压输出短路保护 内部基准温漂4ppm/°C 内部集成LDO输出 支持灵活的SPI通信协议,支持菊花链功能 工作温度范围:-40°C ~ 125°C 封装:TPSSOP、QFN
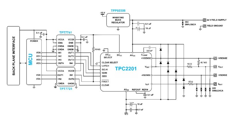
TPC2201典型应用
TPC2201作为专为模拟量输出设计的高精度数模转换器DAC,特别适用于单通道的隔离型或非隔离型工业自动化和过程控制领域。
TPC2201提供经济且高效的单芯片解决方案,可实现高精度电流环路输出、单极或双极电压输出。用户可通过控制寄存器灵活配置电流或电压输出类型,从而满足多样化应用需求。

同时,TPC2201支持灵活的菊花链模式,可实现单一通讯接口控制多路输出。

TPC2201产品现已量产,可提供样品及评估板。如有需求,请联系思瑞浦当地销售团队或邮件。
文章来源:思瑞浦