压缩机是汽车空调的一部分,它通过将制冷剂压缩成高温高压的气体,再流经冷凝器,节流阀和蒸发器换热,实现车内外的冷热交换。传统燃油车以发动机为动力,通过皮带带动压缩机转动。而新能源汽车脱离了发动机,以电池为动力,通过逆变电路驱动无刷直流电机,从而带动压缩机转动,实现空调的冷热交换功能。
电动压缩机是电动汽车热管理的核心部件,除了可以提高车厢内的环境舒适度(制冷,制热)以外,对电驱动系统的温度控制发挥着重要作用,对电池的使用寿命、充电速度和续航里程都至关重要。

图1.电动压缩机是电动汽车热管理的核心部件
电动压缩机需要满足不断增加的需求,包括低成本、更小尺寸、更少振动和噪声、更高功率级别和更高能效。这些需求离不开压缩机驱动电路的设计和优秀器件的选型。
电动压缩机控制器功能包括:驱动电机(逆变电路:包括ASPM模块或者分立器件搭载门极驱动,电压/电流/温度检测及保护,电源转换),与主机通讯(CAN或者LIN ,接收启停和转速信号,发送运行状态和故障信号)等,安森美(onsemi)在每个电路中都有相应的解决方案(图1)。上一章,我们探讨了安森美ASPM模块方案在电动压缩机上的应用,本文主要讨论SiC MOSFET 分立方案。

图2.电动压缩机驱动电路控制框图
在上一章中,我们说明了安森美ASPM功率模块在与分立器件对比上有极大的优势。如果能把SiC MOSEFT放进ASPM模块是最好的选择。在SiC MOSEFT ASPM模块量产之前,SiC MOSEFT分立器件由于其特有的优势,成为众多电动压缩机开发客户的选择。

表1:SiC与Si器件的物理特性对比
1. SiC MOSEFT材料的优势
10倍于Si器件电介质击穿场强:更小的晶圆厚度和Rsp,更小的热阻
3倍以上的热导率:更小的热阻和更快的电子传输速度
2倍多的电子饱和速度:更快的开关速度
更好的热特性:更高的温度范围
2.更小损耗及更高效率
以安森美适用于800V平台电动压缩机应用的最新一代IGBTAFGHL40T120RWD和SiC MOSEFT NVHL070N120M3S为例,根据I/V曲线来评估开通损耗, 在电流小于18A时,SiC MOSEFT的导通压降都是小于IGBT的,而电动压缩机在路上行驶过程中,运行电流会一直处于18A区间以内。即使是在极限电流下运行(比如快充时,压缩机给电池散热),有效值接近20A,在电流的整个正弦波周期内,SiC MOSEFT的开通损耗也不比IGBT差。

图3:SiC和IGBT开通特性对比
开关损耗方面,SiC MOSEFT优势明显,虽然规格书的测试条件有一些差异,但可以看出SiC MOSEFT的开关损耗远小于IGBT。

表2:SiC和IGBT开关特性对比
我们使用相近电流规格的IGBT和SiC MOSEFT做了效率仿真,在最大功率下,SiC也可以有效提高系统效率,尤其在高频应用中更加明显。

图4:电机应用中相近规格的IGBT /SiC MOSEFT效率对比
3.适用于高频应用
SiC MOSEFT是单极性器件,没有拖尾电流,开关速度比IGBT快很多。这也是SiC MOSEFT比IGBT更适用于更高频率应用的原因。而更高的驱动频率(比如20kHz或以上),可以有效减小电机的噪音,提高电机系统的响应速度和动态抗干扰能力。另外,更高的频率也会减少输出电流的谐波失真,并能有效降低电机中线圈的损耗,进而提高压缩机的整体效率。
4.减少死区时间
在电机应用中,为了使开关管工作可靠,避免由于关断延迟效应造成上下桥臂直通,需要设置死区时间tdead,也就是上下桥臂同时关断时间。由于SiC MOSEFT的开关时间短,实际应用中,可以使用更小的死区时间,以改善死区大,输出波形失真大,驱动器输出效率低的问题。
1.驱动电压的选择
从不同驱动电压下的I/V曲线可以看出,Rdson会随着驱动电压的增加而减小。这意味着,驱动电压越高,导通损耗越小。但是芯片门极的耐压是有限的,比如NVH4L070N120M3S的驱动Vgs电压范围是−10V/+22V,而在SiC MOSEFT开关过程中,Vgs也会受到高dV/dt和杂散电感的影响,叠加一些电压毛刺,因此Vgs有必要留一定的裕量。

图5:不同Vgs下的I-V曲线
2.低阈值电压Vth的问题
SiC MOSEFT(尤其是平面型)具有在2V-4V范围内的典型阈值电压Vth,并且随着温度的升高,Vth还会进一步降低。另一方面,在半桥应用电路中,由于SiC MOSEFT开关过程的dV/dt很高,通过另一个半桥SiC MOSEFT的Cgd产生的电流流过驱动电阻,在Vgs上产生一个电压,如果此电压高于Vth就会有误导通的风险,导致上下桥直通。因此在驱动上增加负电压是有必要的。从下图可以看出,增加负电压还可以有效降低关断损耗,使系统效率进一步提升。使用安森美第三代的SiC MOSEFT,我们推荐使用+18V / -3V的电源驱动。

图6:不同关断电压下的开关损耗对比

图7:Vth-温度特性曲线
3.有限的短路能力
SiC MOSEFT相对IGBT来说,Die尺寸很小,电流密度很高,发生短路时很难在极短时间内把短路产生的热量传导出去。另外,SiC MOSFET 在电流过大的情况下不会出现急剧饱和行为(与IGBT不同)。短路发生时电流很容易达到额定电流额定值的10倍以上,与IGBT运行相比要高得多。
因此,SiC MOSEFT的短路耐受时间相对较短,某些产品低于2us。快速检测和快速关断对于SiC MOSEFT的可靠运行和长寿命至关重要。带有去饱和功能(desat)的驱动芯片可以应对这种情况。通过设置desat保护的响应时间低于1us,可以有效的应对电动压缩机运行过程中可能存在的短路情况。
在电动压缩机应用中,需要应对下桥和三路上桥的电源需求,增加负电源并不容易。针对这种情况,推荐使用自身可产生负压,带有desat保护,欠电压保护UVLO以及过热保护功能的专用SiC MOSEFT驱动芯片NCV51705。
基本功能如下:
Source/ Sink 电流:6A/6A
Desat保护
可调负压输出:-3.4V / -5V / -8V
可调欠压保护UVLO电压
5V参考电压输出(供电给其他器件,比如隔离芯片)
过热保护
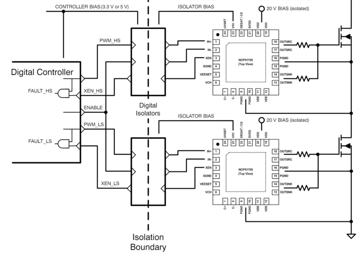
应用电路推荐如下(下桥可以不用隔离)

图8:NCV51705半桥应用电路
安森美有丰富的SiC MOSFET 产品,可以覆盖市面上所有的分立电动压缩机方案。以下是适用于800V平台电动压缩机的产品型号。

图9:安森美(onsemi)部分1200V SiC产品(电动压缩机)

图10:安森美(onsemi) SiC MOSFET 产品系列
尽管SiC MOSFET在电动压缩机应用中存在一些挑战,但通过合理的设计和技术选择,可以有效地提高驱动频率、降低系统噪声并提高效率,最终有助于增加电动汽车的续航里程。
文章来源:安森美