作者: 施三保,文章来源:英飞凌工业半导体
光伏,作为重点发展的新质生产力,其市场规模仍在迅速发展扩大中,其技术迭代也在不断演进升级。英飞凌作为半导体技术和市场应用的领军企业,发布了一系列具有差异化附加价值的创新半导体,并同时推出了一款适用于光伏应用的半桥拓扑评估板,为工程师分享了系统设计的参考方案,并提供了器件性能的评估平台。
光伏电压平台的高压化,可以降低系统成本,提高能量转换效率,简化研发设计方案,是光伏应用公认的发展趋势之一。为了实现高压平台化,离不开光伏板,功率器件,无源器件,结构件等的技术发展。我们就功率半导体的发展,来看看对于光伏高压平台的影响。
图1. 光伏不同电压平台对应的拓扑和器件
如图所示,对于更高平台的电压,可以减小母线电流大小,从而降低走线的尺寸,从而减少成本,同时,电感,二极管和开关管等器件上流过的电流也会减小,从而降低的器件的成本和系统的损耗。使用2000V SiC MOSFET后可以简化电路拓扑,降低系统尺寸和重量。
功率器件介绍

图2. 2000V SiC MOSFET和X3门极驱动器及其绝缘距离
采用英飞凌TO-247PLUS-4pin封装的2000V SiC MOSFET,新的封装可以满足I.S.EN62109-1-2010《用于光伏电力系统的电力转换器的安全性- 第1部分:一般要求》的安规要求,背部可以实现三次260°C回流焊,门极开尔文引脚可以降低回路中的寄生电感,从而降低开关中的震荡尖峰,另外,使用了.XT扩散焊接技术后,也大大降低了器件的热阻,整个系列涵盖了各种不同导通电阻的器件可供选择,如15mΩ,30mΩ,60mΩ,90mΩ和120mΩ等。
另外,采用了英飞凌EiceDRIVER™ Compact 14A单通道磁隔离门极驱动器1ED3124MU12H, 该器件DSO-8宽体封装可以实现>8mm的爬电距离要求,满足UL1577-2014光隔离器的UL安全标准认证,可以实现6.8kV耐压要求,非常适用于IGBT和SiC MOSFET的门极驱动。
安规绝缘要求
根据I.S.EN62109-1-2010标准要求,我们设定光伏电压1500V,海拔2000米以下,过电压等级为II,如图3所示,通过查表9可以得到基本绝缘的电气间隙要求是5.5mm。
图3. 电气间隙距离要求
同理,设定工作有效值电压1500V,污染等级2,材料等级II的情况下,通过查表10通过插值法可得爬电距离要求为10.43mm。

图4. 爬电距离要求
基于以上分析,设计了一款适用于光伏MPPT应用的评估板,功能逻辑框图和3D设计图如图5所示。
图5. 评估板逻辑框图和3D设计图
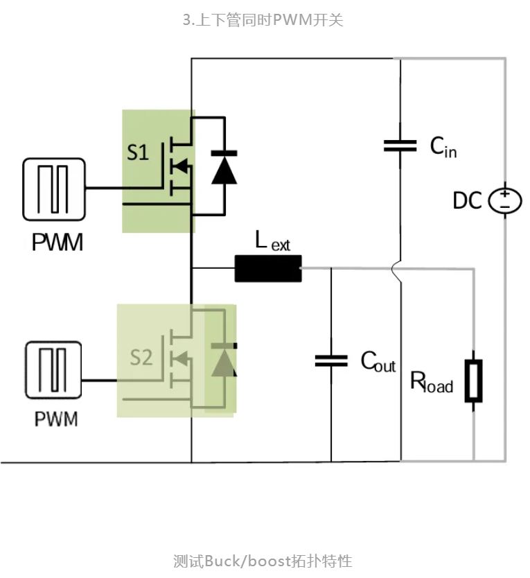
该评估板使用的半桥拓扑,在GUI上可以十分方便灵活的设置开关使能,PWM频率,占空比和死区时间大小,来分别单独开关上管或者下管,可以实现如下的几种不同的功能。



图6. 评估板不同应用组合拓扑电路
因为SiC MOSFET的高速开关特性,在PCB设计中,需要格外注意SiC MOSFET的门极驱动回路和功率回路,尽量减小开关回路中寄生的电感,电容和电阻,来保证系统运行中尽量低的噪音。

图7. 门极驱动开通和断开回路
测试波形
为了验证评估板的特性,做了一下双脉冲测试,双脉冲可以用来来验证器件的开关特性,模拟调试一下开关震荡(选择驱动电阻大小,吸收电路,开关环路等)。测试条件是平台电压1500V,双脉冲电流50A。
黄色为VGS,蓝色为VDS,绿色为IDS。


图8. 使用铁硅铝绕线电感和使用空心电感对比波形
使用了外接的空心电感,电感量值不会随着电流大小和温度而变化。使用了多股线绕制,也降低了趋肤效应。同时也不存在线圈与磁芯之间的寄生电容,从而不会有一些异常的电流尖峰,所以双脉冲测试的结果比实际应用中的铁氧体或铁粉芯电感效果相对要好。


图9. 使用不同母线电容后对比波形
Ceralink电容和X7R电容都属于高频电容,尺寸相对小,放在母线上靠近SiC MOSFET,可以很好的吸收一些高频的电流和电压尖峰,通过如图9所示的对比,可以看到普通X7R的滤波特性相比容值更大的Ceralink好像还要更好一些。


图10. 使用不同RC snubber吸收电路后对比波形
如图10所示,通过在上管和下管DS端上分别并联不同的RC snubber(X7R电容)吸收电路后,双脉冲测试波形没有十分明显的改善,说明snubber对于吸收震荡尖峰的效果不是很明显。
总结
设计了一种适用于光伏MPPT的评估板,介绍了设计的背景需求,设计的框架,功率器件和门极驱动器的选择,安规规范的要求,电路设计的要点,最后给出了一下测试和调试的波形和经验,选择一款性能优良的功率管,并在布板设计时候充分考虑减小开关回路,可以极大的节省调试研发时间,提升整体系统的质量。


