作者:Jeff Shepard,文章来源:DigiKey得捷
本文简要回顾了与经典的硅 (Si) 方案相比,SiC技术是如何提高效率和可靠性并降低成本的。然后在介绍 onsemi 的几个实际案例之前,先探讨了 SiC 的封装和系统集成选项,并展示了设计人员该如何最好地应用它们来优化 SiC 功率 MOSFET 和栅极驱动器性能,以应对能源基础设施的挑战。
SiC 是一种宽带隙 (WBG) 材料,其带隙为 3.26 电子伏特 (eV),而 Si 的带隙为 1.12 eV。与 Si 相比,SiC 提供了 10 倍的击穿场能力,超过 3 倍的导热率,并且可以在更高的温度下工作。这些规格使得 SiC 很适合用于能源基础设施应用(表 1) 。

当成本是一个主要考虑因素时,如消费应用,通常倾向于使用分立器件。此外它们还支持双源,并有很长的使用寿命。 IPM 解决方案减少了设计时间,具有最高的可靠性,是最紧凑的中功率水平解决方案。 与 IPM 相比,PIM 可以支持更高的功率设计,具有更好的功率密度、合理的快速上市速度、广泛的设计选择,以及更多的实现双源的机会。

表 2:在选择分立、IPM 和 PIM SiC 封装解决方案时的集成特性和取舍之比较。(图片来源:Onsemi)
混合 Si/SiC IPM
虽然有可能开发只使用 SiC 器件的解决方案,但有时使用 Si/SiC 混合设计更具有成本效益。例如,onsemi 的 NFL25065L4BT 混合 IPM 在输出端将第四代 Si IGBT与 SiC 升压二极管组合在一起,形成一个交错式功率因数校正(PFC) 输入级,适合用于消费、工业和医疗应用(图 1) 。这种紧凑的 IPM 包括了一个经过优化的 IGBT 栅极驱动,以尽可能减少 EMI 和损失。集成的保护功能包括欠压锁定、过流关断、热监控和故障报告。NFL25065L4BT的其他特性包括:
600 伏/50 安培 (A) 两相交错式 PFC 针对 20 千赫 (kHz) 开关频率进行了优化 使用氧化铝直接键合铜 (DBC) 基底实现低热阻 集成用于温度监测的负温度系数 (NTC) 热敏电阻 隔离额定值达 2500 伏均方根(rms)/1 分钟 UL 认证

图 1:NFL25065L4BT IPM 在输出端使用第四代 Si IGBT 与 SiC 升压二极管组成交错式 PFC 级。(图片来源:Onsemi)
SiC PIM
有或没有预涂热界面材料 (TIM) 可焊接引脚或压配引脚

图 2:NXH006P120MNF2PTG集成电源模块采用 F2 封装,带有压配引脚。(图片来源:Onsemi)
SiC 肖特基二极管175°C 最大结温 506 毫焦耳 (mJ) 雪崩额定值 最高 220 A 的非重复性浪涌电流,最高66 A 的重复性浪涌电流 正温度系数 无反向恢复,也无正向恢复 AEC-Q101 认证资质/PPAP 能力

图 3:1700 伏/25 A NDSH25170A SiC 肖特基二极管没有反向恢复电流,具有出色的热性能,以及与温度无关的开关特性。(图片来源:Onsemi)
分立式SiC MOSFET
106 纳库仑 (nC) 典型栅极电荷 139 皮法拉 (pF) 典型输出电容 100% 雪崩测试 175°C 工作结温 AEC-Q101 鉴定

图 4:NTBG040N120SC1 SiC MOSFET 的额定值为 1200 伏/60 A,导通电阻为 40 mΩ,采用D2PAK−7L 表面贴装封装。(图片来源:Onsemi)
SiC MOSFET 栅极驱动器
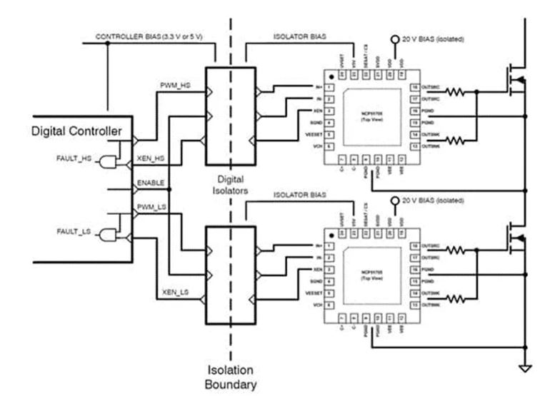
用于 SiC MOSFET 的栅极驱动器,如onsemi NCx51705 系列,提供的驱动电压比用于 Si MOSFET 的驱动器高。全导通 SiC MOSFET 需要 18 至20 伏的栅极电压,而导通 Si MOSFET 则需要不到10 伏的电压。此外,SiC MOSFET 在关断时需要 -3至 -5 伏的栅极驱动。设计人员可以使用针对 SiC MOSFET 优化的 NCP51705MNTXG 低压侧、单 6 A 高速驱动器(图 5)。NCP51705MNTXG 提供了最大的额定驱动电压,以实现低传导损耗,并且在导通和关断期间提供高峰值电流,以尽量减少开关损耗。

图 5:简化示意图显示两个 NCP51705MNTXG 驱动器 IC(中右)以半桥拓扑结构驱动两个 SiC MOSFET(右)。(图片来源:Onsemi)
设计人员可以使用集成充电泵来产生用户可选择的负电压轨,以提供更高的 可靠性、提升的 dv/dt 抗扰度以及更快的关断速度。在隔离设计中,可以用一个从外部获得的 5 伏电压轨为数字或高速光隔离器的二次侧供电。NCP51705MNTXG 的保护功能包括基于驱动电路结温的热关断,以及偏置电源欠压锁定监控。
评估板和SiC 栅极驱动注意事项
为了加快评估和设计过程,设计人员可以使用 NCP51705SMDGEVB 评估板 (EVB) 来评估 NCP51705(图 6)。该评估板包括一个 NCP51705 驱动器和所有必要的驱动电路,包括一个板载数字隔离器以及能够焊接任何采用 TO−247 封装的 SiC 或 Si MOSFET。该评估板旨在用于任何低压侧或高压侧的电源开关应用。在图腾柱驱动器中可以配置两个或多个这样的评估板。

图 6:NCP51705SMDGEVB EVB 有孔(上左),可连接 SiC 或 Si 功率 MOSFET,且包括 NCP51705 驱动器(U1,中左)和数字隔离器 IC(右中)。(图片来源:Onsemi)
在使用带有 SiC MOSFET 的 NCP51705栅极驱动器时,尽量减少印刷电路板的寄生电感和电容是很重要的(图 7)。印刷电路板布局注意事项:
NCP51705 应尽可能靠近 SiC MOSFET,要特别注意的是 VDD、SVDD、V5V、充电泵和 VEE 电容与 MOSFET 之间的短印制线。 VEE 和 PGND 之间的印制线应尽可能短。 高 dV/dt 印制线与驱动器输入和DESAT 之间需要有隔离,以避免因噪声耦合而导致的异常操作。 对于高温设计,应在裸焊盘和外层之间使用热过孔,以尽量减少热阻。 OUTSRC、OUTSNK 和 VEE 需要使用宽印制线。

图 7:NCP51705的推荐印刷电路板布局,可最大程度地减少驱动 SiC MOSFET 的寄生电感和电容。(图片来源:Onsemi)
总结