前言
相较于硅MOSFET和硅IGBT,碳化硅MOSFET具有更快的开关速度、导通电阻更低、开启电压更低的特点,越来越广泛应用于新能源汽车、工业、交通、医疗等领域。在桥式电路中,碳化硅MOSFET具有更快的开关速度会使得串扰行为更容易发生,也会更容易发生误开通现象,所以如何有效可靠地驱动碳化硅MOSFET至关重要。我们发现,如果在驱动电路中使用米勒钳位功能,可以有效地抑制碳化硅 MOSFET误开通的风险,从而提高系统可靠性和稳定性。
为此基本半导体自主研发推出可支持米勒钳位功能的双通道隔离驱动芯片BTD25350,此驱动芯片专为碳化硅MOSFET门极驱动设计,能高效可靠地抑制碳化硅MOSFET的误开通,该驱动芯片目前被广泛应用于光伏储能、充电桩、车载OBC、服务器电源等领域中。

一、驱动碳化硅MOSFET使用米勒钳位功能的必要性分析
1.1 在实际应用中,特别是在桥式电路中,功率器件容易发生串扰行为,在串扰行为下,门极电压会被抬高,一旦门极电压超过功率器件的开启电压,将会使已关闭的功率器件出现误开通现象,从而造成直流母线短路。为减少误开通的风险,传统的硅MOSFET和硅IGBT通常在驱动电路中采取构建负电压关断的方法,负压绝对值越高,抑制误开通的效果就越好。
如下图所示硅IGBT的驱动电路中,一般硅IGBT的驱动正电压是+15V,在关断期间,串扰电流Igd(红色线)会流经Ciss, 在关断电阻Roff和IGBT内部栅极电阻Rg两端,产生左负右正的电压,这两个电压叠加在IGBT门极,此时IGBT会有误开通的风险。为防止误开通,需要采用负电压关断,负电压通常在-8V左右,最高-10V。

1.2 相较于硅IGBT,碳化硅MOSFET 具有开关速度更快、开启电压更低、门极耐负电压能力低等三个特性,使得碳化硅MOSFET更易触发串扰行为,更加容易发生误导通风险。
以下表格为硅IGBT/ MOSFET和碳化硅MOSFET的具体参数和性能数值对比。

硅MOSFET和IGBT的门极耐负压极限可达-30V, 而碳化硅MOSFET只有-8V, 碳化硅MOSFET对驱动电压负值的忍耐能力明显低于硅 MOSFET和IGBT,使得碳化硅MOSFET在实际应用中驱动负电压通常在-2~-4V的水平,使用负电压进行关断的幅度明显少于硅MOSFET和IGBT。
碳化硅MOSFET的开启电压Vgs(th)是1.8V~2.7V,比硅MOSFET和IGBT的开启电压Vgs(th)要低一半,Vgs(th)越低,越容易误开通,而且Vgs(th)会随着TJ温度上升而下降,所以在高温时,Vgs(th)将变得更低,也更容易导致误开通。
同时,碳化硅MOSFET的开关速度是硅MOSFET和IGBT的两倍以上,而串扰电流Igd=Cgd×(dv/dt),dv/dt越大,Igd越大,越容易误开通。
综上所述,碳化硅MOSFET容易发生误开通现象。为降低误开通风险,在碳化硅MOSFET的驱动电路中加入米勒钳位功能显得尤为重要。如下图所示,门极驱动芯片的米勒钳位管脚直接连接到碳化硅MOSFET的门极,串扰电流Igd(如下图红线)会流经Ciss→Rg→Q3再到负电源轨,形成了一条更低阻抗的门极电荷泄放回路。驱动芯片内部比较器的翻转电压阈值为2V(相对芯片对地电压),在碳化硅 MOSFET关断期间,当门极电压高于2V时,比较器输出从低电平翻转到高电平,MOSFET (Q3)被打开, 使得门极以更低阻抗拉到负电源轨,从而保证碳化硅MOSFET的负电压被更有效关断,达到抑制误开通的效果。

二、驱动碳化硅MOSFET使用米勒钳位功能实际测试效果
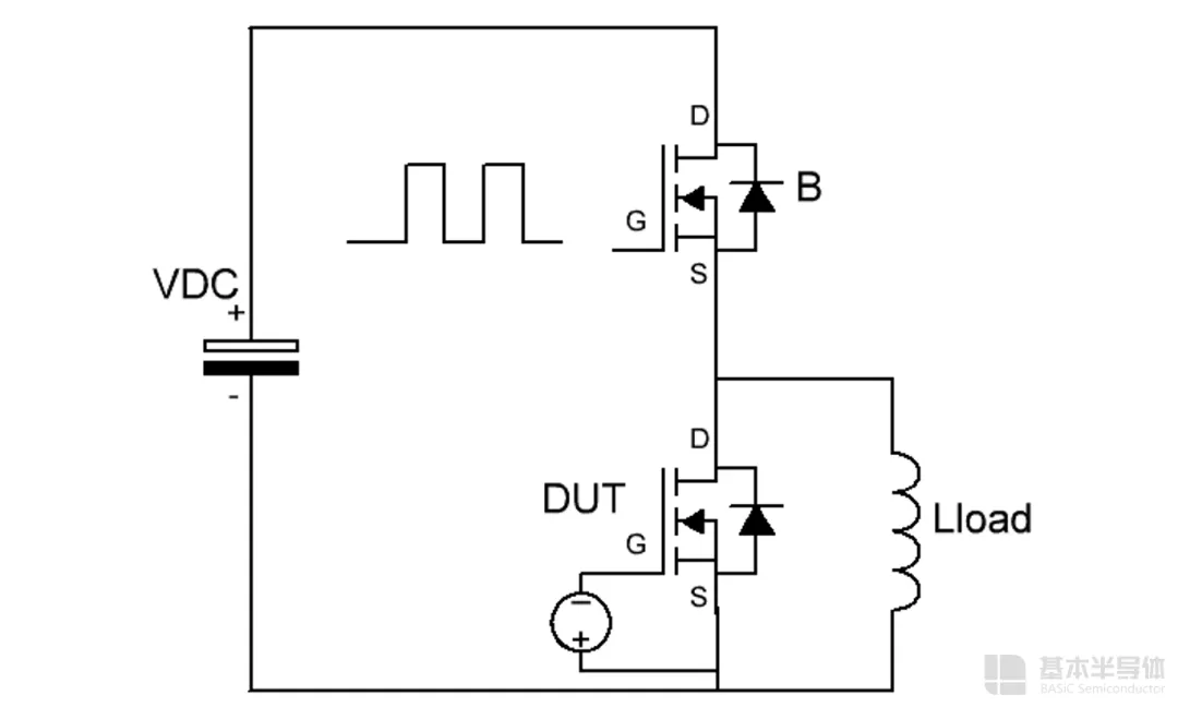
2.1 在双脉冲平台进行测试,双脉冲原理如下图所示:

2.2 原理图说明:
上管(B)作为开关管接收脉冲PWM信号,下管(DUT)处于关断状态,下管(DUT)靠体二极管续流负载电感Lload的电流。
在上管(B)开通状态下,下管(DUT)发生串扰行为时,由于米勒现象的存在,门极电压将会产生一定的波动。因此,我们可以通过观察下管(DUT)门极电压的波动大小来判断米勒钳位功能的作用。

如图是驱动电路原理图,驱动芯片型号为BTD5350MCWR,是一款带米勒钳位功能的驱动芯片,碳化硅MOSFET型号为B2M040120Z, 规格1200V/ 40mΩ,封装TO-247-4。
2.3 双脉冲测试平台实测数据对比
2.3.1 测试条件:上管VGS=0V/+18V;下管VGS=0V;Vbus=800V;ID=40A;
Rg=8.2Ω;Lload=200uH;TA=25℃。

无米勒钳位功能,上管dv/dt=14.51V/ns,上管di/dt=2.24A/ns

有米勒钳位功能,上管dv/dt=14.51V/ns,上管di/dt=2.24A/ns
从实测波形可知,当采用0V关断下管且无米勒钳位时,下管门极电压被抬高到7.3V,下管被误开通,直流母线短路直通;
当采用0V关断下管且有米勒钳位时,下管门极电压被抬高2V,下管没有被误开通,米勒钳位功能抑制效果明显。
2.3.2 测试条件:
上管VGS=-4V/+18V;
下管VGS=-4V;
Vbus=800V;ID=40A;Rg=8.2Ω;Lload=200uH;TA=25℃。

无米勒钳位功能,上管dv/dt=14.51V/ns,上管di/dt=2.24A/ns

从实测波形可知,当采用-4V关断下管且无米勒钳位时,下管门极电压被抬高到2.8V,在开启电压附近,存在一定的误开通风险,特别是在高温时,MOSFET的开启电压会降低,将增加误开通的风险;
当采用-4V关断下管且有米勒钳位时,下管门极电压有被抬高,但下管仍是处于负电压关断状态,米勒钳位功能抑制效果明显,MOSFET无误开通的风险。
三、带米勒钳位的门极驱动芯片产品推荐:BTD25350
BTD25350是基本半导体自主研发、采用电容隔离双通道带米勒钳位,专为碳化硅MOSFET门极驱动而设计的一款驱动芯片。

产品特点
原边带使能禁用管脚DIS,死区时间设置管脚DT
输出拉灌峰值电流4A/6A
副边带米勒钳位功能
输出峰值电压可达10A
电源全电压高达33V
原副边封装爬电间距大于8.5mm,绝缘电压可达5000Vrms
副边两驱动器爬电间距大于3mm,支持VDC=1850V母线工作电压
采用SOW-18宽体封装
副边电源欠压保护阈值为8V和11V
应用方向
充电桩中后级LLC用碳化硅MOSFET方案
光伏储能BUCK-BOOST中碳化硅MOSFET方案
高频APF用两电平的三相全桥碳化硅MOSFET方案
空调压缩机三相全桥碳化硅MOSFET方案
车载OBC后级LLC中的碳化硅MOSFET方案
服务器交流侧图腾柱PFC高频臂可采用氮化镓HEMT或碳化硅MOSFET方案
功能框图

产品列表

结论
综上,在驱动碳化硅MOSFET时引入米勒钳位功能非常必要,采用基本半导体自研的BTD25350MM驱动芯片能够高效可靠地抑制误开通,该驱动芯片目前被广泛应用于光伏储能、充电桩、车载OBC、服务器电源等领域中。大家在使用碳化硅MOSFET进行方案设计时,为规避误导通风险,建议选择BTD25350驱动芯片系列产品。
文章来源:基本半导体