作者:Jens Wallmann,来源:Digikey得捷
文章摘要
本文概述了PD系统的核心要求。然后介绍onsemi的FUSB15101MNTWG PD控制器,并展示如何使用评估板、开发软件、编程/调试适配器和 PD协议分析仪对预编程控制器固件开启快速配置。
随着通用串行总线 Type-C (USB-C) 端口越来越普遍,许多用户都依赖这种端口为各种连接设备提供更高水平的电源。不过,USB-C规范将“仅限 Type-C”设备的基本电源限制为最大 15 W(5 V,3 A)。
为了突破这一限制,设计人员可以增加USB功率输送 (PD) 功能,并构建一个能在标准功率范围 (SPR) 内提供高达 100 W (20 V, 5 A) 功率的 Type-C PD设备。现在,开发人员不必再费尽心力地针对全面的 USBPD协议进行编程,而是能够轻松地配置现成的PD控制器,并为 AC/DC 充电器、电流控制 USB端口添加定制和优化型 PD功能。
具有协议控制式功率调节功能的开关转换器
曾几何时,用于电池供电型设备的壁插式模拟充电器只有两个组件:变压器和整流器。现在,要同时满足更高能效、更高灵活性和不断小型化方面的需求,使得为简单的电子设备供电成为一项复杂的工作。如今,基于微控制器的开关转换器必须通过复杂的协议与所连接的智能负载以动态形式协商输出功率。
USBPD就是这样一种协议。在该协议的 3.1 版中,通过智能 USBType-C 电子标记电缆组件 (EMCA) 连接电缆协调高达 240 W 的电源线路功率,同时还保持了能够兼容旧版 USB标准的向后兼容性。然而,通过 24 针 USB-C 连接器对动态 PD功率传输的控制远远超出了传统四线 USB接口数据线上的静态控制电压。
USBPD设备可作为面向下游端口 (DFP) 的电源、面向上游端口 (UFP) 的用电器(或“受电设备”)或以双重角色端口 (DRP) 模式运行。PD源设备在内部将上拉电阻器切换到两路控制线(CC1 和 CC2)上;PD受电设备通过内部下拉电阻进行自身识别。
两条 CC 线路同时用于以 300 kHz 的时钟频率传输长度达 356 位的 PD信息(图 1)。较短的控制信息可协调两个端口合作伙伴之间的信息流,而较长的数据信息则用于协商电源并控制内置自检 (BIST) 或传输具体的 OEM 内容。

图 1:PD信息结构的动态长度可达 356 位。(图片来源:摘自 embedded.com,由 Cypress Semiconductor 提供)
PD设备之间的功率协商
USBPD3.0 SPR 定义了 5 V 至 20 V 之间的几个固定电压等级,并且仅支持最高 100 W 的静态功率曲线。利用可编程电源 (PPS) 的扩展功能,USB受电设备可根据自身需要,以 20 mV 为增量,实时请求 USB电源提供 3 V 至 21 V 之间的电压。
因此,PPS 简化了移动设备中的开关转换器电子元件,从而减少了热损耗,并通过优化功率匹配加快了充电速度。USBPD3.1 定义了最大 240 W 的扩展功率范围(EPR),并使用可调电压电源 (AVS) 在 15 V 至 48 V 之间的更高范围内调节总线电压。
由于 3 A 电流已超过普通 USB电缆的载流能力,因此必须按照 USB实施者论坛 (USB-IF) 的规定使用 EMCA 特种电缆。这些电缆的特点是导线横截面更大和电缆绝缘层更厚。电缆插头中的 E-Marker 芯片可通过 PD协议确认这些强经过化的电缆功能。这样,这些芯片就会影响源设备和接收设备之间的功率协商。
PD通信使用特殊的 K 码来描述信息。表示序列开始的特殊 K 码序列称为数据包起始码 (SOP)。在特殊 K 码中定义了三个序列:SOP、SOP'和 SOP'',这样 DFP(如 PD网络充电适配器等电源)就可以作为启动器与 EMCA 电缆连接器中的两个 E-Marker 芯片中的任何一个进行通信,也可以与 UFP(USB电源插座)进行通信。
图 2 中的流程图显示了通过 EMCA 电缆连接的两个 PD设备之间成功进行功率协商期间的信息交换情况。

图 2:两个 USBPD设备通过 EMCA 电缆成功进行电源协商。注:Rqt = 请求;Ack = 确认。(图片来源:摘自 embedded.com,由 Cypress Semiconductor 提供)
用配置取代程序
PD协议复杂,给开发人员带来了艰巨的编程工作。更快捷的方法是配置具有自定义功能的预编程 USBPD控制器。这种控制器的的例子有 Onsemi 的 FUSB15101MNTWG。这是一款高度集成的USBPD3.1 控制器,可通过光耦合器控制 AC/DC 适配器的初级侧开关稳压器,或直接控制 DC/DC 端口电流调节器。
这种一体化解决方案通过优化硬件外设最大限度地降低了电路复杂性,具体外设包括数模和模数转换器、NTC 温度传感和 NMOS 栅极驱动器。带有应用程序接口 (API) 的开源固件和基于 Eclipse 的集成开发环境 (IDE) 为编程工作带来了便利。
FUSB15101 集成了带有 UART 接口的高效 Arm®Cortex® M0+ 处理器,且支持 PPS 规范,可将输出电压调节为 3.3 V 至 21 V。该器件提供可编程恒压 (CV) 和恒流 (CC) 调节功能,并可对电缆损耗进行补偿。此外,还具有过压、欠压、过流和过热保护功能,以及在USB-C连接器引脚上配备了过压保护二极管。PD控制器支持向 EMCA 电缆中的E-Marker 芯片提供 VCONN 电源,其空闲和睡眠模式符合合格证 (CoC) 和实验设计 (DOE) 要求。
典型应用:
符合 USBPD标准的 AC/DC 适配器(见应用 1)
符合 USBPD标准的 DC/DC 端口(见应用 2)
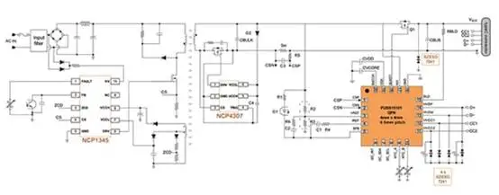
应用 1:AC/DC 开关电源具有 USBPD输出
在此应用中,FUSB15101 USBPD控制器通过光耦合器控制 AC/DC 开关电源初级侧的 NCP1345Q02D1R2G 准谐振 (QR) 反激式开关稳压器。NCP1345 把变压器辅助绕组提供的 9 V 至 38 V 电压作为工作电压,同时通过第二个辅助绕组产生四倍高的电压,以便在USB输出电压低至 3.3 V 时为MOSFET 提供足够的开关电压。在次级侧,NCP4307AASNT1G 控制器控制同步整流。将这三个集成电路组合在一起,就能产生一个在不同 PD功率曲线下,效率始终保持在 90% 左右的“换档”电源。
图 3 显示了基于三个集成电路的USB-CPD3.0 PPS 主充电器的主电路图,其输出功率为 65 W (20 V/3.25 A)。

图 3:在这个 USBPD壁插式充电器解决方案中,FUSB15101 通过光耦合器控制 AC/DC 开关电源初级侧的 NCP1345 QR 反激式开关稳压器。(图片来源:Onsemi)
编程人员可使用 onsemi 的 NCP1342PD65WGEVB 评估板(如图 4 所示)启动其 USBPD电源应用。

图 4:使用 NCP1342PD65WGEVB USB-C PD 3.0 壁插式充电器评估板,编程人员可以立即开始工作。(图片来源:Onsemi)
该电路板的存储扼流圈由紧凑的 RM8 变压器组成,可提供 60 W (20 V/3 A) 的输出功率。NCP1342BMDCDD1R2G 准谐振反激式开关稳压器仅靠一个辅助绕组提供的 9 V 至 28 V 的电压工作。该器件适用于开发高性能离线电源转换器和 USBPD适配器,具有快速频率折返 (RFF) 功能,这有助于在整个负载范围内实现效率。集成的有源 X2 放电电容器消除了对放电电阻的需求,并能使空载功耗低于 40 mW。
应用 2:用于 USBPD端口的 DC/DC 电流控制器
在此应用中,FUSB15101 USBPD控制器驱动 NCV81599MWTXG 四级降压/升压、升压/降压 DC/DC 转换器控制器。这样,原本只能输出 15 W 功率的 USB-C 端口就可扩展为 PD电源,提供超过 60 W 的功率并通过器件内部的直流电源或电池供电(图 5)。

图 5:在该 DC/DC 端口电流控制器应用中,FUSB15101 直接控制四级 DC/DC 转换器控制器 NCV81599。(图片来源:Onsemi)
通过使用 FUSB3307MPX-PPS-GEVB 评估板,开发人员可以节省时间,立即开始使用 NCV81599 进行测试和编程。此 DC/DC 电流调节器电路将 USB端口转换为 PD 3.0 PPS 电流源,同时在总线电压为 3.3 V 至 21 V 时提供高达 5 A 电流输出(图 6)。该电路可检测 E-Marker 电缆,既能独立运行,也可连接测试设备。

图 6:FUSB3307MPX-PPS-GEVB 是 NCV81599 的评估板,可将 USB端口转化为 PD 3.0 PPS 电源。(图片来源:Onsemi)
DC 电源或电池向 FUSB3307 板的VBAT 输入提供 4.5 V 至 32 V 电压。该电路可应对恒压 (CV) 或恒流 (CC) 规范,并具有过压、欠压、短路、过热和电缆故障保护功能。
对FUSB15101 进行编程
FUSB15010 固件是一款高度优化型 Type-C PD控制器驱动器,支持集成的 Arm Cortex M0+ 处理器。该固件可灵活处理新的 PD信息和额外的 Type-C 状态流。以模块化方式组织代码,将应用源代码、硬件抽象层、平台相关代码和 USBType-C PD核心功能分离。
PD核心功能可通过项目构建选项或通过修改供应商信息文件"vif_info.h" 进行配置。代码库包括一个可使用 IDE 编译的 Eclipse 示例项目,从而加快了评估 Type-C PD独立控制器的启动速度。
表 1 概述了由 FUSB15101 支持的 PD配置文件;PDO 是电源交付对象。

表 1:所示为由 FUSB15101 支持的 PD配置文件。(表格来源:Onsemi)
如前所述,充电配置文件的参数可以在 "vif_info.h "文件中轻松修改。以下代码显示了如何将 PDO 4 中的最大电流从 20 V/3 A 改为20 V/3.25 A:
当前的PDO值:
#define PORT_A_SRC_PDO_VOLTAGE_4 400 // 20000 mV
#define PORT_A_SRC_PDO_MAX_CURRENT_4 300 // 3.00 A
新PDO值:
#define PORT_A_SRC_PDO_VOLTAGE_4 400 // 20000 mV
#define PORT_A_SRC_PDO_MAX_CURRENT_4 325 // 3.25 A
有关安装 IDE 以及固件导入和编译二进制文件的更多详情和说明,请参阅 FUSB15101EVBSPG 指南。
UM70086-D 用户手册介绍了编程工具的安装和一次性闪存的操作步骤。Segger Microcontroller Systems 的 8.08.91 J-LINK EDU MINI 是一款合适的 Arm Cortex-M 编程和调试适配器,可促进开发工作。
检查PD通信
要验证两个USBPD设备之间的通信,开发人员可以使用 Infineon Technologies 的 CY4500 协议分析仪,该分析仪支持USBPD3.0 和 USB-C 规范。该分析仪可执行非侵入式测试,并准确捕捉CC 线路上的协议信息。相关的 EZ-PD分析软件详细列出了两个USBPD设备和一条 EMCA 电缆之间所有的对话信息(图 7)。

图 7:EZ-PD分析软件通过 CC 线路跟踪两个 USBPD设备之间的对话。(图片来源: Infineon Technologies)
结语
对调节设计以满足终端用户设备日益增长的电源需求来说,虽然了解USBPD协议的基本原理非常重要,但这是一个复杂的协议,可能需要大量的编程工作。为了节省时间,开发人员可以使用预编程、高度集成的 USBPD控制器,将 USB-C 的 15 W 功率提升到 100 W 以上。AC/DC USB充电器以及 DC/DC USB端口只需配置PD控制器,即可增强定制 PD功能。利用评估板和 PD协议分析仪可促进开发过程。