分压不仅仅是比例计算的问题,更关乎控制性、可预测性与设计目的。本文将以实践的角度探讨精密分压器,说明它们如何影响信号电平、建立参考节点,以及影响测量准确度。
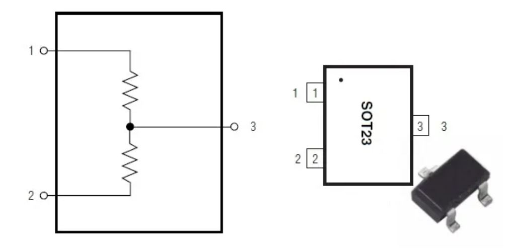
精密分压器利用精心配对的电阻组件,产生输入电压的特定比例。其设计目标在于提供准确且稳定的电压缩放,常用于调整信号幅度、产生参考电压,或作为测量前端的信号调节。这些分压器采用低容差电阻,可在温度与时间变化下维持一致的性能,因此在模拟设计、仪器仪表与传感器接口中扮演关键角色(图1)。

图1:SOT23封装精密电阻分压器的示意图,显示两个高度匹配的电阻,并于两端及中点提供可触及的接线端子。
补充说明:虽然精密分压器一词广泛指任何以电阻构成、可精确缩放电压的电路,但精密电阻分压器通常特指集成于单一封装中的高度匹配电阻对,例如SOT23封装。这类集成组件具备优异的比例精度与热跟踪特性,特别适合用于精密模拟设计中的参考电压缩放与阈值设定。
以KOA的HVDP08系列为例,这款薄膜电阻网络专为高精度、高分压应用而设计。其可支持最高51MΩ的电阻值、最高1000V的工作电压,以及高达1000:1的电阻比例。

图2:HVDP08高精度高分压器在提高集成度的同时,降低了电路板空间需求与整体组装负担。(来源:KOA)
同样地,精密十进制分压器——专为万用电表与其他量程切换仪器作为输入分压器而设计——如今已相当普及。简言之,精密十进制分压器是一种电阻网络,可提供以10的幂次为基础、准确且可选择的电压比例。其中一个广为人知的例子是EBG Series 1776-X,其精度与可靠性皆获得高度评价。

图3:EBG Series 1776-X精密十进制电阻采用陶瓷保护结构与激光精修薄膜,实现了极低的公差。(来源:Miba)
此外,数字可编程的精密分压器(如MAX5420与MAX5421)则针对数字控制增益放大器的应用进行优化。可编程增益放大器(PGA)能以软件方式精确控制信号放大倍率,非常适合需要动态范围调整、校正或传感器接口的应用。
平价精密设计的实践之道
精密并不一定昂贵。本节探讨如何通过灵活的设计策略——聪明的电阻选择、周全的电路布局,以及适度的校正手段——在不使用高价组件的情况下,实现出乎意料准确的分压器。无论是预算有限的原型设计,或是DIY仪器的改进,这种实践导向的方法都证明精密设计其实触手可及。
在有限预算下达成精度,首先要进行谨慎的电阻选择:即使不是顶级品牌,也应挑选具备良好公差、低温度系数及长期稳定性的电阻。其次,良好的电路布局有助于降低寄生效应;缩短走线、妥善接地,以及避免温度梯度,皆有助于维持精度。最后,通过微调、软件校正或参考已知电压进行校正,可补偿微小的偏差,使原本普通的设计提升为可靠的测量工具。
在选择电阻时,区分绝对公差与相对公差十分重要。绝对公差描述的是单一电阻与其标称值的接近程度,例如10kΩ±1%。相对公差则关注一对或一组电阻彼此之间的匹配程度,而不在乎其偏离标称值的幅度。在分压器中,尤其是精密应用,相对公差往往更为关键。即使两个电阻同时略有漂移,只要它们漂移一致,其分压比例与输出电压仍能保持稳定。
补充一点,比例公差指的是电阻对维持其设计电阻比例的能力,而不受绝对阻值影响。在精密分压器中,这项指标至关重要;即便阻值略有变动,只要比例公差够严格,输出电压仍可保持稳定。这是一个微妙却极为关键的因素,特别是在准确度高度依赖匹配程度的应用中。
将理论付诸实践
在讲完了基本概念后,接下来将通过一个实践范例,说明如何在可取得的组件与实际限制条件下,将理论应用于设计中。
运算放大器(op-amp)电路常被用来调整数模转换器(DAC)的输出电压。两种常见架构——同相放大器与反相放大器——皆可同时放大信号并调整其直流偏压。
对于不需要偏移的输出缩放应用,设计目标是扩展DAC的输出电压范围,同时维持原有的极性。此设定要求运算放大器的正电源轨高于所需的最大输出电压。

图4:此输出缩放电路可在不改变极性的情况下,扩展DAC的输出电压范围。
输出电压公式:VOUT = VIN (1 + RF/RG)
实际的比例调整范例
为了将DAC输出由0–5V扩展至0–10V,所需的增益为2.0。
使用10kΩ的反馈电阻(RF)与10kΩ的增益电阻(RG),即可得到增益为2的设定。此配置在保留零基准的同时,将DAC输出电压加倍。
当然,也可以设计运算放大器电路,同时对DAC输出进行比例缩放与直流偏移。例如,将0–2.5V的单极性输出转换为–5V至+5V的双极性范围。但这将留待日后再详述。
结语
精密分压器看似简单,但其对信号完整性与测量准确度的影响却十分深远。无论是模拟前端、参考电源轨,或是传感器输入,电阻的选择与电路布局的细节,往往决定了整体性能的成败。
文章来源:EDN电子技术设计