导语
随着汽车从单纯的交通工具向移动智能终端转变,车内座舱体验成为车企核心竞争力的重要组成部分,而动态流水氛围灯作为提升车内科技感与个性化体验的关键配置,正从豪华车型向中低端车型快速渗透。
据统计,全球汽车氛围灯市场规模已超过100亿美元,且保持10%以上的年复合增长率,其中动态流水氛围灯因具备更强的视觉冲击力和交互属性,成为市场增长的核心驱动力。
在动态流水氛围灯的技术实现路径中,集成驱动和通信功能的“Smart LED方案”与“专用驱动芯片+普通LED灯珠”方案长期并存,两者在成本控制、性能表现、适配灵活性等方面各有差异。
本文将从行业发展趋势出发,深入剖析两种技术路线的优劣,结合代表性方案案例,论证最新产业发展状况下的高性价比需求下的最优解。
汽车车内动态流水氛围灯的发展趋势分析
汽车车内动态流水氛围灯的发展历程,是汽车内饰从功能化向情感化、智能化升级的缩影。从发展阶段来看,已从早期的单色静态照明,逐步演进为多色动态交互,当前正朝着“场景化联动、个性化定制、集成化设计”三大方向加速迭代。
场景化联动成为核心发展方向。传统氛围灯仅承担装饰功能,而新一代动态流水氛围灯已深度融入智能座舱系统,实现与驾驶状态、多媒体系统、车机交互的全场景联动。例如,在导航转向场景中,氛围灯可通过流水光效提示转向方向;在音乐播放场景下,灯光能跟随节奏实现色彩与流速的同步变化;在车辆故障预警时,通过红色流水闪烁传递警示信息;与驾驶模式、空调温度、语音指令联动,通过光导实现全方位的场景化光效输出。这种场景化联动需求,对氛围灯的响应速度、控制精度和多通道协同能力提出了更高要求。
个性化定制需求持续升级。消费者对汽车内饰的差异化需求日益凸显,超过70%的消费者愿意为氛围灯的个性化定制功能付费。当前,个性化定制已从基础的颜色选择,延伸至光效模式自定义、灯光轨迹编程等深度定制层面。例如,用户自定义流水轨迹和渐变速度;流水渐变氛围灯可通过车机系统编辑专属光效语言,实现“千人千面”的视觉体验。这一趋势要求氛围灯方案具备更强的柔性适配能力。
集成化与轻量化设计成为行业共识。随着车内氛围灯安装位置不断拓展,从传统的中控台、门板,延伸至座椅边缘、杯架、车顶星空顶等区域,对灯光系统的集成化程度提出了更高要求。
越发复杂的氛围灯系统的进一步普及,给整车带来了明显的成本上升,如何确保持续提升交互体验的同时,又能够控制甚至显著降低动态氛围灯系统成本,提升性价比成为一个重要课题,也给氛围灯的电子系统和芯片带来了新的发展机遇。
动态流水灯芯片的技术路线分析
动态流水氛围灯的核心技术在于灯光的精准控制,而芯片方案直接决定了控制效果、成本结构和适配灵活性。目前主流的技术路线分为两类:一类是集成驱动和通信功能的Smart LED方案,另一类是“专用驱动芯片+普通LED灯珠”方案。两种方案在技术架构、性能表现和成本构成上存在显著差异,适用于不同的应用场景。
1. Smart LED方案:集成化的极简架构

图2 Smart LED动态流水氛围灯架构
Smart LED方案的核心优势在于“单灯珠集成化”,其将LED发光芯片、驱动电路、通信模块集成于单个灯珠封装内,形成具备独立控制能力的智能灯珠。该方案的系统架构极为简洁,仅需主控MCU通过串行总线与各Smart LED灯珠级联,即可实现多灯珠的流水、渐变等动态效果。
从优势来看,Smart LED方案的核心价值在于简化设计与快速部署。首先,电路设计难度低,无需复杂的驱动电路布局,仅需一条总线即可串联所有灯珠,大幅降低了PCB板设计成本和空间占用,尤其适用于灯珠分布分散、安装空间狭小的场景,如座椅缝线氛围灯、杯架点状灯等。其次,开发周期短,由于灯珠自带驱动和通信功能,主控MCU仅需输出简单的串行指令,无需进行复杂的电流调节和时序控制开发,可快速完成方案开发。
但Smart LED方案的局限性也十分突出。
其一,成本压力显著。由于单个灯珠集成了多种功能,其单价远高于普通LED灯珠,市场价格普遍在1.5-2.5元之间。对于需要大量灯珠的场景,如贯穿式门板氛围灯(单门板通常需要20-30颗灯珠),总成本会快速攀升。
其二,性能天花板明显。受限于灯珠封装体积,集成的驱动电路功率有限,无法实现高亮度输出,且散热性能较差,长时间高负荷工作易出现光衰现象。同时,级联通信方式存在信号衰减问题,当灯珠数量超过30颗时,容易出现控制延迟、光效不同步等问题,难以满足高端车型对动态效果的精准要求。
其三,灵活性不足。Smart LED的驱动参数和通信协议固化于灯珠内部,无法根据车企需求进行定制化调整。
2. 专用驱动芯片方案:高性能的灵活架构
专用驱动芯片方案采用“专用LED驱动芯片+普通LED灯珠”的架构,其中专用驱动芯片承担LIN或者CAN通信、电流调节、通道控制、故障诊断等核心功能,普通LED灯珠仅负责发光。该方案的核心逻辑是通过高集成度的驱动芯片,实现多通道LED灯珠的集中控制。
与Smart LED方案相比,专用驱动芯片方案的优势体现在性能、成本和灵活性三个维度。
首先,性能表现更优异。专用驱动芯片具备多通道独立恒流控制能力,电流调节精度可达14位以上,能实现精准的亮度和色彩控制,尤其适用于RGB三色氛围灯的色彩混合,可呈现256色以上的细腻渐变效果。同时,驱动芯片支持更高的刷新频率,通常可达1kHz以上,确保多灯珠动态效果的同步性,避免出现流水卡顿现象。
其次,成本优势显著,尤其是在灯珠数量较多的场景下。专用驱动芯片可实现多通道扩展,单颗芯片通常可驱动8-48路LED灯珠,大幅降低了单灯珠的驱动成本。
最后,灵活性极强。驱动芯片的电流参数、通信协议、保护机制均可通过软件配置,支持车企定制化的光效模式开发,同时具备完善的故障诊断功能,如开路检测、过温保护等。

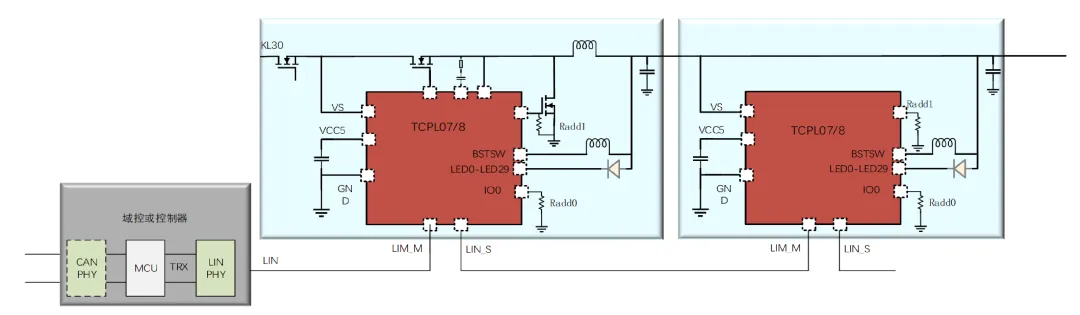
图3 LIN 接口多芯片互联方式

图4 TCAN(UART CAN) 方式多芯片互联
专用驱动芯片方案的主要挑战在于系统设计复杂度较高。一方面,需要进行驱动电路的精准设计,确保各通道电流的稳定性和一致性,尤其是在RGB三色灯珠的匹配上,需通过校准实现色彩均匀性;另一方面,主控MCU与驱动芯片的通信协议调试、光效模式编程需要专业的技术团队,开发周期相对较长。
泰矽微TClux系列驱动芯片方案解析
在专用驱动芯片领域,泰矽微推出的TClux系列多通道LED驱动芯片,凭借高集成度、低功耗和高性价比的优势,成为汽车车内动态流水氛围灯方案的代表性产品。该系列芯片专为汽车照明场景设计,全面覆盖RGB面光源、流水氛围灯等应用,通过“一芯多驱”的架构设计,实现了对Smart LED方案成本和性能的碾压。

图5 泰矽微TClux系列芯片架构
1. 核心架构:高度集成的一体化设计
泰矽微TClux系列芯片采用高度集成化架构,将MCU内核、Flash、LIN/CAN收发器、同步整流Buck控制器、多通道恒流驱动模块等核心功能集成于单颗芯片内,形成“主控+驱动+通信”的一体化解决方案。
这种架构大幅简化了系统设计,无需额外配置MCU和通信芯片,仅需外接普通LED灯珠即可实现复杂的动态氛围灯效果。例如,在48路RGB流水氛围灯项目中,仅需1颗TClux芯片即可完成所有灯珠的驱动与控制,较传统方案减少80%以上的器件数量。
从技术参数来看,TClux系列芯片具备优异的车规级性能:工作电压范围覆盖3.6V-18V,支持40V抛负载电压,适配汽车12V电源系统的复杂电压波动;搭载72MHz主频的Cortex-M0内核,具备强大的运算能力,可支持更高的灯珠刷新频率,确保多灯珠动态效果的同步性;最多可支持48个RGB灯珠,单芯片最大输出3A驱动电流,满足高亮度氛围灯的需求。
此外,芯片内置高精度LED温度检测电路,可实现RGB颜色的精准补偿,避免因温度变化导致的色彩偏移,提升灯光效果的稳定性。
2. 核心优势:成本与性能的双重突破
泰矽微TClux系列芯片的核心竞争力在于实现了“高性能与低成本的平衡”,其优势集中体现在成本控制、功耗优化和功能安全三个方面,尤为突出的是,在同类驱动芯片中,该系列产品具备独特的“一替多”特性,进一步放大了性价比优势。
在成本控制上,TClux系列芯片通过“一芯多驱”的架构实现了单灯珠驱动成本的大幅降低。如在一个48颗灯珠的贯穿式中控台氛围灯项目中,TClux方案可比Smart LED方案降40元以上成本,优势极为显著。
更值得关注的是,相较于同类驱动芯片,TClux系列凭借更高的集成度实现了“一替多”的特性——普通同类驱动芯片单颗通常仅能驱动8-24路灯珠,而TClux系列单颗最大可驱动48路RGB灯珠,意味着在相同灯珠数量的项目中,使用TClux系列芯片可显著减少驱动芯片的使用数量。不仅降低了芯片采购成本,还减少了PCB板空间占用、布线复杂度及装配成本,使得其在同类驱动芯片方案中更具性价比优势。
在功耗优化上,TClux系列芯片采用主动式降功耗专利技术和先进的电源架构,芯片内部功率消耗较市面同类产品低50%以上,大幅降低了芯片温升,提升了可靠性,实现了同样封装下,单芯片总驱动电流翻倍的能力。
在功能安全上,TClux系列芯片完全满足车规级要求,通过AEC-Q100 Grade 1认证,具备完善的诊断功能和Limp Home模式。芯片可实时检测LED开路、短路、过温等故障,并及时反馈给主控系统,确保在故障情况下灯光系统仍能维持基础照明功能,符合ASIL B功能安全要求。
TClux系列芯片的具体型号及基本参数可参照下表:

结论:专用驱动芯片将主导未来发展
综合两种技术路线的优劣、成本对比及行业发展趋势,“专用驱动芯片+普通LED灯珠”方案将成为未来汽车车内动态流水氛围灯的主导技术路线,而Smart LED方案更适用于特定细分场景。这一结论的核心依据在于以下三个层面:
从成本维度来看,如采用泰矽微TClux系列专用驱动芯片方案,单颗灯珠的成本比对Smart LED方案,降本空间高达40%以上,优势极为明显。
从性能维度来看,专用驱动芯片方案更适配行业发展趋势。随着场景化联动、个性化定制需求的升级,对氛围灯的控制精度、响应速度和同步性提出了更高要求。专用驱动芯片具备多通道独立控制、高精度电流调节、高刷新频率等优势,可实现256色以上的细腻渐变和复杂流水效果,完美匹配高端车型的智能交互需求。而Smart LED方案受限于集成化架构,在亮度、同步性和定制化能力上存在明显短板,难以满足中高端车型的性能要求。
从行业生态维度来看,专用驱动芯片方案具备更强的产业链协同能力。专用驱动芯片厂商可与车企深度合作,根据车型需求定制化开发驱动算法和光效模式,形成差异化竞争优势。例如,泰矽微可根据车企的场景化需求,优化芯片的通信协议和控制逻辑,实现氛围灯与智能座舱系统的深度联动。而Smart LED方案的功能固化于灯珠内,产业链协同空间有限,难以适应汽车行业快速迭代的创新需求。
展望未来,随着Mini LED、柔性LED等新型光源技术的发展,专用驱动芯片将进一步提升集成度和驱动能力,实现“更少器件、更高性能、更低成本”的突破。同时,随着智能座舱技术的升级,氛围灯将成为人车交互的重要载体,专用驱动芯片将与AI算法、传感器技术深度融合,实现更智能的场景化光效输出。在此背景下,专用驱动芯片方案将不仅是高性价比的选择,更将成为推动汽车车内氛围灯行业智能化升级的核心动力。
文章来源:泰矽微电子