圣邦微电子推出SGM42210Q,一款为12V汽车应用设计、集成了模拟电流检测功能的单通道高边驱动器。该器件满足汽车应用的高可靠性和高启动能力的要求,可应用于汽车电子系统中的电阻性、电容性和电感性负载。
注:同系列产品SGM42210NQ即将推出,敬请关注。
产品概述
SGM42210Q是一款通过AEC-Q100 Grade 1认证的高端驱动器,支持-40℃至+125℃宽温度工作范围,专为严苛的汽车应用而设计。
SGM42210Q核心电气特性:
工作电压范围:5V至28V;
典型导通电阻(RDSON):仅6mΩ(VCC = 13V, IOUT = 5A);
关断态静态电流(ISTBY):低至0.3µA(典型值);
典型负载电流(+25℃典型值):15A;
输出钳位电压(VCLAMP):48.5V(典型值)。
器件集成电流检测功能,可通过电流检测输出引脚(Current Sense Pin)实时监测负载电流状态。当检测到过流、过温、对电源短路或对地短路等异常情况时,该引脚会立即输出相应的故障信号,为系统提供关键的状态反馈。
针对汽车电子中复杂的负载类型和潜在的故障工况,SGM42210Q集成了全面的保护机制,包括:
可配置的快速短路保护(限流值可调);
功率管与控制电路双重过温关断保护;
关断态开路负载检测;
感性负载负电压钳位;
欠压锁定(UVLO);
接地丢失与电池断电保护;
引线键合AOI检测。
其3V/5V兼容的逻辑输入电平,使其能灵活适配各类微控制(MCU),是满足现代汽车电子系统高集成度、高可靠性需求的理想解决方案。
SGM42210Q提供符合环保理念的SSOP-16(裸露焊盘)和SSOP-14(裸露焊盘)绿色封装。

产品能力详解与实测表现
1、阻性负载驱动:大电流输出及温升控制
在高边驱动应用中,负载电流能力及温升表现是衡量器件性能的关键指标,直接考验高边器件的自身导通阻抗和封装散热能力。
汽车中常见的阻性负载(如座椅加热、后视镜加热电阻丝),不同功率下对于负载电流能力输出有不同的指标要求。SGM42210Q凭借其6mΩ的低导通阻抗,在阻性负载测试中表现优异:实测常温+25℃下,可持续输出16A负载电流;高温+125℃下,仍能稳定提供10A持续电流输出。

图3 SGM42210Q阻性负载温升测试(TA = +25℃,VCC = 13V,IOUT = 16A)
芯片表面温度稳定在110℃左右,展现了良好的散热性能
2、容性负载驱动:应对大功率卤素灯及大电容启动浪涌电流挑战
在汽车系统中,冷启动大功率卤素灯或板载端后级大容量电解电容启动时,高边驱动器件通常要应对高浪涌电流的冲击。SGM42210Q具有可配置的电流限制功能,可通过CL引脚设置最高88A的限流阈值,能够有效应对启动瞬间的电流冲击,同时满足快速启动的需求。图4实测表明,器件可快速平滑驱动并联的两颗12V/100W卤素灯或20mF大容量电解电容,启动时间小于30ms,适用于车载大功率卤素灯负载以及大容量容性负载快速启动应用。

图4 SGM42210Q驱动容性负载启动波形(ILIMH = 88A)
左:驱动两颗12V 100/90W卤素灯;右:驱动20mF大电容快速启动
3、感性负载驱动:过压钳位保护及退磁能量处理
螺线管、电磁阀、继电器、电机等感性负载是汽车系统中常见的负载类型,而感性负载关断电压无法突变的特性决定了关断时需要路径进行续流来泄放退磁耗散能量(EAS)。高边器件的输出端会瞬间泵出几百伏或者更大的负电压,如果没有任何电压限制,会对内部功率管的漏-源极带来过压击穿风险。SGM42210Q集成了针对感性负载关断的过压钳位电路,且具备耗散退磁能量的能力,应用于常见的小能量继电器负载驱动,可以提供关断负压钳位和退磁能量耗散,也为系统设计时节省了外部的钳位保护电路和PCB布局空间。

图5 SGM42210Q感性负载关断测试
左:14V驱动300mH+6.3Ω负载关断波形;右:32V下单脉冲退磁能量表现
4、高可靠的短路保护响应:短路过流及过载保护
高边器件在汽车应用中常面临控制器端口或负载端短路等故障,这要求器件具备快速过流保护和动态过温保护能力。SGM42210Q提供了快速、可靠的保护响应:
动态热保护:在应用于容性负载启动产生的浪涌电流时,器件先以高限流来为负载充电;若系统持续处于短路状态并多次重启,将触发芯片过热保护--降低限流值,抑制芯片的瞬态温升,提升器件的可靠性、延长器件使用寿命。
可配置限流:器件通过改变CL引脚对地的电阻值,可将限流值配置为66A、78A和88A三档。实际应用中根据系统需求适当的选择降低最高限流值ILIMH,可以有效避免过大的短路电流引起的电池电压跌落,也可以保护线束及电流路径上的其他器件。
全面验证:依据AEC-Q100-012短路测试标准,SGM42210Q通过了包括低压短路、持续短路、热插拔短路和PWM开关短路在内的多种严酷工况验证。

图6 SGM42210Q短路保护测试(VCC = 13V, ILIMH = 88A)
器件在短路发生后迅速进入限流保护状态,限制电流在设定值,并随着温度升高进入动态热保护
表1 高边器件负载端短路和控制器端口短路测试等效


图7 SGM42210Q短路保护测试(VCC = 13V, ILIMH = 88A)
5、可靠性及电磁兼容性(EMC):充分验证
SGM42210Q已通过了一系列严格的车规级测试,包括但不限于:
AEC-Q100 Grade 1全套可靠性认证测试;
AEC-Q100-012标准的短路测试要求:短路寿命超过100万次,达到Grade A等级;
ISO 7637-2/ISO 16750-2电源瞬态抗扰度测试要求;
IEC 61967、IEC 62132和IEC 62215系列标准的电磁辐射/传导发射和电磁瞬态抗扰度试验要求;
GB/T 19951-2019标准的系统级ESD试验要求。
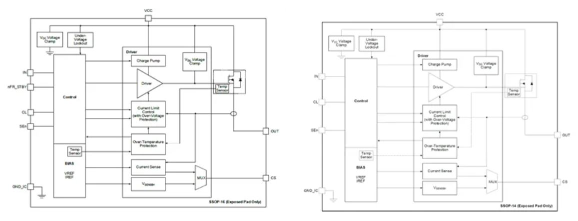
典型应用与功能框图
SGM42210Q单通道架构可提供15A(TA = +25℃下)的持续负载驱动能力。兼容3V/5V逻辑电平输入的特性使其能灵活适配各类汽车电子控制系统,是满足严苛汽车应用要求的理想解决方案。

图8 SGM42210Q典型应用电路(SSOP-16(裸露焊盘)封装)

图9 SGM42210Q功能框图
圣邦微电子汽车级驱动产品系列
圣邦微电子提供完整的高边与低边驱动器产品组合,以满足汽车电子系统多样化的负载驱动需求。
表2 圣邦微电子已推出高低边驱动产品一览

文章来源:圣邦微电子