在智能家居、便携影音设备蓬勃发展的当下,音频功放的设计却依然充满挑战:EMC调试如闯关,屡不过测?大功率下提心吊胆,生怕烧毁喇叭?开关机、插拔时那恼人的“噗噗”声? 此外,对高音质、低功耗的追求与紧张的布板空间、有限的电源设计,共同构成了工程师面前的层层障碍。
拓尔微电子推出的 TMS8525GM-TR : 一款低EMI ;低噪声100μV@12V/26dB Gain 18W单声道D类音频功放,正是为系统化解这些痛点而生。凭借18W强劲输出(15V/8Ω条件下)、全面的保护和高可靠性,TMS8525GM-TR非常适合对音质、体积和功耗有综合要求的场景:
智能音频设备:智能音箱、音柱、Soundbar
便携影音:便携投影仪、移动K歌宝
家电与终端:智能电视、智能家居中控、会议系统

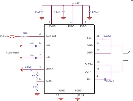
TMS8525GM-TR原理图
EMC/EMI 友好设计,让测试一次通过

- 市场痛点:复杂的EMC预测试与整改耗时耗力,拉长项目周期。
- 技术价值:TMS8525GM-TR主打“低EMI”。其采用带扩频的filter-less调制方式,结合软驱动技术,能有效分散开关能量。实测其开关能量比常见竞品低9dB以上,从源头减轻干扰,使产品在EMC测试中更具优势。

市场痛点:大功率或异常工况下,喇叭过载烧毁,导致售后成本高昂。
技术价值:TMS8525GM-TR5集成了SCPL(喇叭过功率保护) 功能。其最大输出功率可通过外部电阻灵活配置。最关键的是,保护电路响应速度极快,仅需1个周期即可动作,远快于竞品所需的多个周期,为昂贵扬声器提供更可靠的保护。
卓越的电气性能,诠释高清听感

市场痛点:音质平淡、底噪可闻,无法满足消费者对高品质音频的期待。
技术价值:
高保真:总谐波失真加噪声(THD+N)在主要功率区间低至0.008%,确保声音细节原汁原味。
高纯净度:输出噪声低至约100μV,即使无信号时也背景漆黑,听感纯净。
高效率:在8Ω负载下效率高达88%,4Ω负载下达84%,有效减少发热,提升续航。
无“爆音”启停与低静态功耗

市场痛点:开关机或待唤醒时的冲击“爆音”(Pop-Click)严重影响用户体验。
技术价值:TMS8525GM-TR内置De-Pop电路。实测在典型工作条件下(12V,8Ω),其启动和关断波形平稳,无明显Pop声,实现优雅的静默启停。静态工作电流典型值仅为9mA@12V,关断电流小于1μA,非常适合电池供电或注重待机功耗的便携设备。
高集成度与易用性,对电源更友好,系统设计更省心

市场痛点:市场部分需要外接复杂散热器或外围电路,占用宝贵空间。功放工作时对电源产生较大冲击(Power Pumping),增加电源设计难度和成本。
技术价值:TMS8525GM-TR采用ESOP16封装,底部自带散热焊盘,无需额外散热器。它提供26dB固定增益,支持差分/单端输入,集成齐全的短路、过温、欠压保护,外围电路简洁,极大简化了设计。同时在相同重载条件下,TMS8525GM-TR采用带扩频的PWM调制,对电源造成的纹波冲击(1.4Vpp)小于市场竞品(1.9Vpp),意味着其对电源的要求更低,系统设计更简单,成本更优。
拓尔方案TMS8525GM-TR市场传统方案对比总结

产品特点

在“内卷”的音频市场,差异化体验源于底层器件的选择。拓尔微TMS8525GM-TR不仅仅是一颗功放芯片,更是一个集高性能、高可靠性与易设计性于一体的音频解决方案。它精准地解决了从研发到应用的全链路痛点,让工程师能够更专注于产品创新本身,而非基础难题的反复调试。
文章来源:拓尔微电子