本文中,DigiKey深入探讨并联电池充电的重要性,从基本概念、应用场景到实际案例,揭示其在延长电池寿命、提升设备性能中的关键作用,同时展望未来充电技术的发展趋势。
一、引言
在电池管理系统中,通过不同的电池配置方式可以实现多种效果和性能目标,其中串联和并联配置是最常见的两种。
二、并联电池充电的概念
并联电池充电是电池管理系统中一种基本的电池配置方式。在这种设置中,电池采用并联连接,容量增大,但电压保持不变。与之相对的是串联配置,串联配置会使电压升高,但电池容量与单节电池相同,通常适用于高功率产品。
三、使用并联电池充电的原因
随着更长的电池寿命成为消费类设备越来越关键的因素,制造商们在延长电池组的有效容量方面不断创新。并联充电是一种简单有效的方法,它允许用户同时为多节电池充电,从而延长电池寿命并提高可靠性。

(图 1:串联和并联电池配置示意图)
四、并联充电的示例
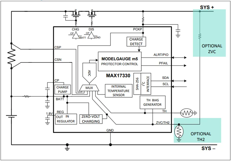
为实现智能、安全的并联充电,ADI(亚德诺半导体)提供了如 MAX17330 等电池电量计,这类器件结合了精确的荷电状态监测功能以及保护和均衡功能。

图 2: MAX17330 功能图
五、串联与并联的区别

六、后续展望
既然我们已经熟悉了并联电池充电的基本原理,接下来的问题是:如何快速且高效地为所有这些电池充电?这就需要 USB-C 发挥作用了。
七、结语
并联电池充电在电池管理系统中具有重要意义,它通过简单有效的配置方式,满足了消费类设备对更长电池寿命的需求。而随着技术的不断发展,如 USB-C 的应用,将进一步提高并联电池充电的效率和便捷性。
文章来源:DigiKey