许多系统必须能够自动断开正在运行的电路的电源,此类系统包括雷达及X射线系统的高压电源的热关断,关断控制能够限制上电及热插拔期间的浪涌电流,确保板卡在上电之前处于就绪状态。总之,发生任何系统故障时电源都应保持关闭。
图1提供了一个灵活的应用电路,该电路可以限制电流或断开电源以响应用户命令或其它故障指示信号,具有手动复位(MR)、热保护及互锁开关输入等功能。

图1. 该电路提供通用的过流和热保护
例如,U1为断路开关IC,设计用于在热插拔中提供保护;它既可以放置在背板侧/主板侧,也可以在插卡侧/背板连接器的远端,在主电源保持供电的情况下,如果板卡插入机架或主机能够避免上电故障。
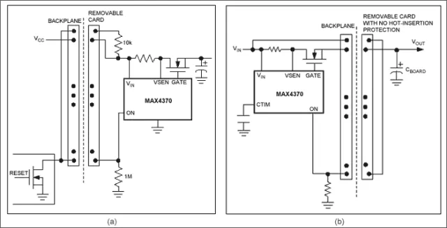
可能出现的故障主要有两种,卡或远端设备提供了一个对地的低阻通路,从而拉低主机电源;或者是板卡只有部分连接到连接器,从而产生大量的错误数据。U1通过在可编程启动周期内调节浪涌电流可以阻止第一种故障的发生,保证系统安全稳定。正常工作时,两个内部比较器提供短路和过流保护(双速/双电平处理)。第二种故障可以通过检测U1的输出电流(ON)流过卡的外沿的两个引脚进行处理(图2)。

图2. IC (MAX4370)通过检测卡的外沿引脚的流通电流确保PC板卡连接到背板(a)或主机(b)
内部电荷泵产生外部n沟道MOSFET电源开关(Q1)栅极驱动器所需的电源。发生故障时,U1锁存Q1的关断状态,直到外部复位信号清除。可以在U1的漏极开路输出引脚(STAT)连接一个LED (或其它故障指示器,如音频报警器),用于指示故障状况。检测到故障后,可以将ON引脚至少拉低20µs,以复位U1。
开关去抖器(U2)的输入具有±15kV ESD保护和±25V电路故障保护,其输入(如图中的常闭按扭开关所示)可以清除U1的闭锁状态或提供手动复位,内部上拉到VCC省去了外部上拉电阻。可以利用内部互锁或SPST开关取代按钮,提供一个断电信号,可以在板卡插拔时关闭部分电路。由于U2采用推挽式输出,不能直接与连接到U1 ON引脚的其它信号采用“逻辑或”连接,因此增加了Q2,以实现“逻辑或”连接。
温度开关(U3)增添了热保护功能,其漏极开路输出可以直接与连接到U1 ON引脚的其它信号“线或”连接,也可以分别控制微处理器。利用其TO220封装,U3可以安装到散热片上,也可以选择表面贴封装(SOT23),靠近已知热源(如:R1、Q1或主负载)安装。本电路中,发生温度报警时,U3产生断电信号,从而保护电路。低功耗线性稳压器(U4)为低压器件U2和U3提供5V电源,但U4并非为负载供电的系统电源。
文章来源:ADI