在汽车工业飞速发展的今天,汽车照明系统已不仅仅只是简单的照明功能,更是保障行车安全、提升驾驶体验的关键组成部分。从外部的头灯、尾灯、刹车灯、日间行车灯,到内部的氛围灯、阅读灯,都对LED驱动芯片的性能、安全性和可靠性提出了极高要求。正是基于汽车照明系统对于功能安全的需求,近日,络明芯正式推出支持功能安全ASIL-B高边线性恒流LED驱动芯片 IS32LT315x 系列,该系列芯片包含三款产品:单通道的 IS32LT3151x、三通道的 IS32LT3152x 和 IS32LT3153x。芯片按照功能安全ASIL-B 设计开发,支持热量分散功能和完善的故障报错能力。非常适合汽车尾灯、 刹车灯、转向灯等应用场合。

热量分散:降低芯片热应力,提升系统可靠性
线性 LED 驱动芯片工作时产生的热量,是影响其性能与寿命的关键因素。IS32LT315x系列的热量分散功能,为解决这一难题提供了巧妙方案。该系列芯片通过外接功率电阻,将原本落在线性芯片内部的功耗转移到外部电阻,实现热量分散,降低芯片的热应力,确保芯片在高温环境下稳定工作。如图1所示,芯片内部设置两路电流路径:主路径(OUTx 引脚)直接驱动 LED;分流路径(SHUNTx 引脚加外接电阻 RSHUNTx)用于分散热量。芯片可根据输入电压动态分配两条路径电流比例:低输入电压时,电流更多走主路径(OUTx)以保证恒定电流;当输入高电压时,电流更多的转向分流路径(SHUNTx),热量通过外接电阻散出,避免芯片过热。
图1、两路恒流路径
热量分散功能既保证 LED 获得稳定驱动电流,又将芯片温度控制在安全范围,实现亮度恒定和散热的平衡。此设计不止于 “给芯片降温”,更提升了汽车照明系统的可靠性。图2:加热量分散电阻和不加热量分散电阻实测温度对比。
图2 、实测温度对比
功能安全:汽车照明系统安全的保障 IS32LT3152B/IS32LT3153B/IS32LT3151C/D采用创新的设计,首创在普通线性芯片中加入功能安全等级,产品从设计源头就将安全基因深度植入,严格遵循 ISO26262 标准流程设计开发,符合功能安全 ASIL-B 等级。为了实现功能安全ASIL-B等级,芯片除了支持常规LED开路/短路,单灯故障短路,过温,UVLO等保护,芯片内部设计大量冗余电路,如FAULTB Bist/PWM Bist/State machine Bist/EN Bist/Iout Monitors等。芯片通过冗余的设计,提升应对故障的能力。目前市面上大部分普通线性驱动芯片,只能报告开路、短路、单灯短路故障,当输出电流发生较大偏差时,芯片是无法实现报错。IS32LT3152B/IS32LT3153B/IS32LT3151C/D内部增加的电流监控功能,当输出电流偏差超过±30%,系统会通过FAULTB进行报错。此外,芯片带功能安全版本和不带功能安全版本可以P2P兼容,极大方便系统工程师们设计的灵活性。所有芯片都通过了 AEC-Q100 Grade1认证,可在 - 40°C 至 125°C 的温度范围内正常工作,能够适应汽车在各种极端环境下的使用需求。
故障保护报错:全方位保障
IS32LT3153A/B和IS32LT51A/C 集成了完善的故障检测和保护机制,能有效应对各种可能出现的故障情况。芯片支持 LED 串开路 / 短路、单个 LED 短路、外部欠压锁定设置、电流基准设置电阻开路 / 短路以及热关断等故障检测。当检测到故障时,FAULTB 引脚会发出故障信号。FAULTB引脚是一个双向开漏引脚,不仅可以报告芯片故障,还能接收系统故障输入。在多芯片应用时,FAULTB 引脚可以连接在一起,实现 “一灭全灭” 功能,满足系统的安全要求。IS32LT3151B/D 和 IS32LT3152A/B 芯片则精简了部分功能,以优先实现紧凑封装和成本节约的目标。
卓越性能:灵活高效的驱动方案
IS32LT315x系列拥有强大的性能,能满足多样化的汽车照明需求。芯片支持4.5V~40V宽输入电压范围,可适配 12V 汽车应用场景,在电压波动的情况下依然能稳定运行。芯片在全工作温度范围内电流精度为 ±4.5%,能保证 LED 亮度的一致性。每个通道都有独立的电流设置电阻,方便根据实际需求进行调节。此外,IS32LT3151A/C 和 IS32LT3153A/B/E 等芯片具备模拟调光功能,支持通过外部NTC实现LED过温降电流或LED亮度分级功能,同时还可以通过控制外部FET开关管,实现两种亮度控制。在功耗方面,IS32LT315x表现优异,故障模式下的典型供电电流仅为 150µA,有助于降低整个系统的能耗。而且,该系列芯片具备较低工作压差,能减少芯片功率损耗,提高效率。IS32LT315x系列芯片由于通道数量、输出电流和故障功能,功能安全等级的差异,对应不同的封装和型号,可以满足不同应用选型需求。具体选型如表1所示。 表1、 IS32LT315x系列选型
络明芯全球营销与销售总裁Lyn Zastrow表示:“IS32LT315x 系列产品的设计涵盖了热管理、电流调节和功能安全等所有关键特性,且无需在这些方面做出任何妥协。该系列产品的推出使得工程师能够实现更智能的设计,且无需权衡取舍”。
产品主要特性
IS32LT3152/53x主要特性
功能安全ASIL - B (IS32LT3152B/53B)
宽输入电压范围:4.5V - 40V
支持每通道独立热分散电阻,降低芯片热应力
输出电流:3CH*150mA
电流精度: ±4.5%(-40℃ ~ 125℃)
模拟调光(仅3153A/B/E)和PWM调光
- 支持外接亮度分级电阻
- 支持外接 NTC,实现 LED 过温降电流
低压差:最大压降 0.8V@150mA
故障模式下供电电流低(典型值 150μA )
故障检测与保护
- LED 灯串开路 / 短路检测
- 单个 LED 短路检测(3153A/B/E)
- 外部欠压锁定(UVLO)设置检测
- 电流基准设置电阻开路 / 短路检测
- 热关断
多芯片共享故障标志,实现 “一灭全灭” 功能
符合 AEC - Q100 Grade1 认证
封装:eTSSOP-16(3152A/B)/ eTSSOP-20(3153A/B/E)

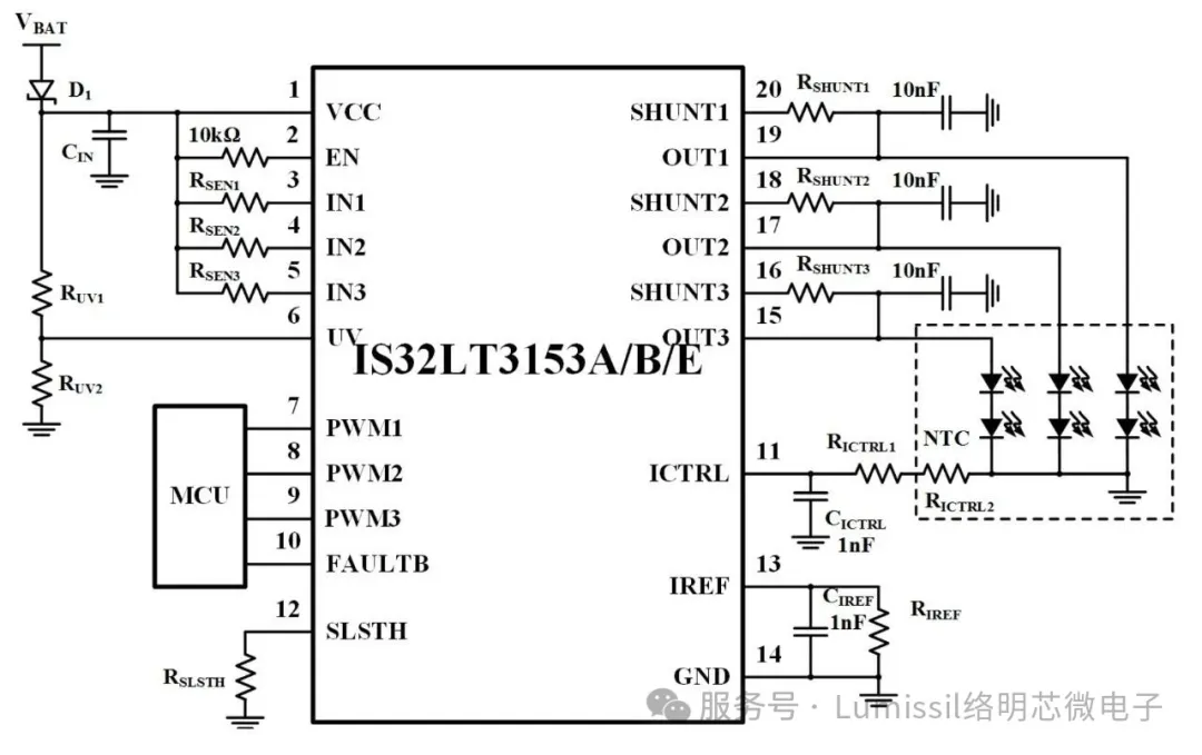
图3、IS32LT3153A/B/E典型应用电路

图4、IS32LT3152A/B典型应用电路
IS32LT3151x主要特性
功能安全ASIL - B (IS32LT3151C/D)
宽输入电压范围:4.5V - 40V
支持热量分散电阻,降低芯片热应力
输出电流:1CH*450mA
电流精度: ±5%(-40℃ ~ 125℃)
模拟调光(仅3151A/C/E)和PWM调光
- 支持外接亮度分级电阻
- 支持外接 NTC,实现 LED 过温降电流
低压差:最大0.7V@300mA
故障模式下供电电流低(典型值 150μA)
故障检测与保护
- LED 灯串开路 / 短路检测
- 单个 LED 短路检测(3151A/C/E)
- 外部欠压锁定(UVLO)设置检测
- 基准设置电阻开路 / 短路检测
- 热关断
芯片共享故障标志,实现 “一灭全灭” 功能
AEC - Q100 Grade1 认证
封装:eTSSOP-14(3151A/C/E)/ SOP-8-EP(3151B/D)

图5、IS32LT3151A/C/E典型应用电路

图6、IS32LT3151B/D典型应用电路
文章来源:络明芯微电子