概述
DC(直流电)可以在不同应用中提升能源效率,简化再生能源和储能技术整合。然而,如果直流电网发生短路,所产生的大电流上升速度比交流要快得多,传统机械断路器MCB无法提供及时有效保护。为保护低压直流电网中的电源、负载和电缆在短路等故障下免受损坏,广芯微电子(广州)股份有限公司采用自研UM32G421芯片,设计了一套稳定、高效、安全可靠的数字化固态直流断路器SSCB (Solid-State DC Breaker) 方案平台。
固态直流断路器是一种基于电力电子技术的开关设备,利用固态电子器件(如可控硅、场效应管等)取代传统机械触点,实现对直流电路的快速通断控制。相较于机械式断路器MCB,其核心优势在于无物理接触点、响应速度快、寿命长,且在短路故障时能快速限流或切断电路,提升系统安全性。
超快速保护:微秒级响应速度,远快于传统机械式断路器(毫秒级),尤其适用于需要快速切断故障电流的场景 超安全:通过电力电子器件直接控制电流,避免了机械开关分断时的电弧拉弧问题,减少设备损耗和火灾风险 低损耗高效率:效率高达到99.9% 故障识别和保护:过压过流短路保护 在线配置传统MCB的过载保护曲线 无线通信:基于互联网的无线通讯,可实时监控状态 计量功能:上报测量的电压、电流至互联网 超长寿命:无机械运动部件,减少磨损和故障率,适合频繁操作的环境
广芯微采用自研主处理器UM32G421开发出低压400V DC/40A固态直流断路器(下称SSCB)原型系统,该低压SSCB可应用以下场合:
低压直流配电系统:如小型光伏储能系统、家用直流微电网的电路保护等。 工业设备:用于自动化产线、机器人等设备的直流电源管理,防止过载或短路损坏。 电动汽车充电桩:在直流快充桩中保护电池管理系统(BMS)和充电模块。 通信基站:为48V或低压直流供电系统提供高效保护,提升基站运行稳定性。 数据中心:为400V机房低压直流供电系统提供高效保护,提升数据中心运行稳定性。
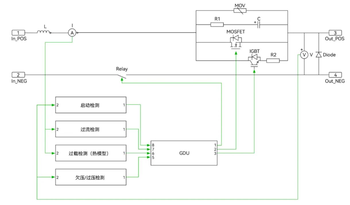
下图显示了这套SSCB原型系统的电路原理图。正极上的主支路使用低压MOSFET,承载主电流。带有IGBT和电阻的旁路可在MOSFET导通或关断时提供低压开关条件。带有RC缓冲电路和MOV的保护支路,防止SSCB断开时产生过压。该极上连接有滤波电感L,起滤波作用。电流传感器将电流值馈送到控制器,以便相应地做出适当的操作。在负极安装了机械继电器,以便在断路器断开时提供物理隔离。

软件方案介绍
SSCB启动时,首先闭合机械继电器,然后闭合旁路支路。旁路支路IGBT闭合后,负载电流开始流动,启动浪涌电流受到R2的限制。约1ms后,主支路中的MOSFET将在低电压条件下闭合。由于MOSFET电阻较低,负载电流将从旁路支路流向到主支路。SDB断开时,MOSFET在低电压时首先关断,电流流向至旁路支路。IGBT在主分支关断后约5μs内关断。一旦IGBT完全关断,负载电流就变为零。旁路支路关断后,机械继电器将在约1秒内打开。下图显示了主支路和旁路支路的切换顺序。

主控处理器介绍

UM32G421功能框图
处理器内核:Cortex-M4,最高主频 204MHz
内置单精度浮点运算单元,支持DSP指令集
64KB SRAM,256KB eFlash
最多支持54个GPIO,20/14/6/2mA 四档驱动可配
37路PWM输出,PWM最高精度 1.736ns
2路低功耗LPUART,4路通用UART,2路USART
3路I2C,最高速率1Mbps
支持CAN-FD接口,通信速率最高5Mbps,同时兼容CAN2.0A/B 协议
1个12位DAC,采样率1Msps
2个12位SAR-ADC,16通道,支持单端和差分输入 , 最高采样率 5.25Msps
3个OPA ,3个ACMP
1个USB接口,支持全速USB FS Device 接口(内置PHY)
集成Cordic运算加速器(sin、cos、arctan、平方根、乘法、除法等)
硬件加解密:AES(128/256)
工作温度:-40°C ~125°C
SSCB工程原型机

功能参数

测试波形

短路测试平台装置


新能源与储能系统的高速发展中对直流系统的短路电流抑制和快速分断需求、电动汽车的直流快充桩对高安全性和高效能保护设备的需求以及智能电网与数据中心对直流配电系统的依赖及供电可靠性要求均在快速增长,因此目前全球固态断路器市场正处于上升期,并保持着高速增长的态势。2023年,全球固态断路器市场规模达到了1.02亿美元,预计2030年将达到12.03亿美元,年复合增长率(CAGR)为38.21%。这一高增长率反映了市场对高性能、高可靠性固态断路器的强烈需求。

关于广芯微
文章来源:广芯微电子