纳芯微正式推出具有隔离模拟采样功能的智能隔离驱动 NSI67X0 系列,该系列适用于驱动 SiC、IGBT 和 MOSFET 等功率器件,兼具车规等级(满足 AEC-Q100 标准)和工规等级,可广泛适用于新能源汽车、空调、电源、光伏等应用场景。
该系列隔离栅极驱动器,将一路带有隔离模拟转PWM采样功能的传感器,等效为单通道的隔离采样芯片,可用于温度检测或电压检测。这一设计进一步增强了驱动器的多功能性,简化了系统设计,有效减小系统尺寸并降低整体成本。

高压驱动与超高共模抗扰能力
NSI67X0 系列专为驱动高达 2121V 直流工作电压的 IGBT 而设计,具备高级保护功能、出色的动态性能和卓越的稳健性。该系列采用 SiO2 电容隔离技术,将输入侧与输出侧隔离,提供超高的共模抗扰能力(CMTI>150kV/μs),同时确保器件间偏移极小,在行业内处于领先水平。
强大输出能力与小型化封装
NSI67X0 系列拥有强大的输出能力,支持 ±10A 的驱动电流,最大输出驱动电压高达 36V,远超大多数同类产品。其 SOW16 封装设计在保持小型化的同时,实现了大于 8mm 的爬电距离,进一步增强了安全性能。
全面保护功能与车规标准认证
该系列提供完善的保护功能,包括快速过流保护、短路保护、故障软关断、4.5A 米勒钳位和欠压保护等功能,是驱动 IGBT 等功率器件的可靠之选。全系列产品均符合汽车应用的 AEC-Q100 标准,可广泛应用于新能源汽车、工业控制和能源管理等领域。
NSI67X0系列产品特性
◆ 高达 2121Vpk 的智能隔离驱动,可驱动SiC和IGBT
◆ 高CMTI:150 kV/μs
◆ 输入侧电源电压:3V ~ 5.5V
◆ 驱动器侧电源电压:高达 32V
◆ 轨到轨输出
◆ 峰值拉灌电流:±10A
◆ 典型传播延时:90ns
◆ 工作环境温度:-40℃ ~ 125℃
◆ 符合面向汽车应用的 AEC-Q100 标准
◆ 符合 RoHS 标准的封装类型:SOW16,爬电距离 >8mm

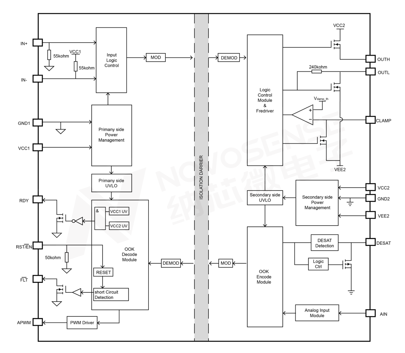
纳芯微NSI67X0系列应用框图
保护功能
◆ 快速过流和短路保护,可选 DESAT 阈值电压9V、6.5V,OC 阈值电压 0.7V
◆ 集成故障时的软关断功能,软关断电流 400mA,900mA 可选
◆ 集成米勒钳位功能,钳位电流高达 4.5A
◆ 高压侧和低压侧均有独立的供电欠压保护功能UVLO
◆ 故障报警(FLT / RDY引脚指示)
隔离模拟量采样功能
◆ 隔离模拟量采样功能
◆ AIN输入电压范围:0.2V ~ 4.7V
◆ APWM输出占空比:96% ~ 6%
◆ 占空比精度:1.6%
◆ APWM输出频率:10kHz
◆ 可选 AIN 集成恒流源输出
安规相关认证
◆ UL认证:1分钟 5700Vrms
◆ VDE认证:DIN VDE V 0884-11:2017-01
◆ CSA认证:CSA 组件通知 5A 批准
◆ CQC认证:符合 GB4943.1-2011
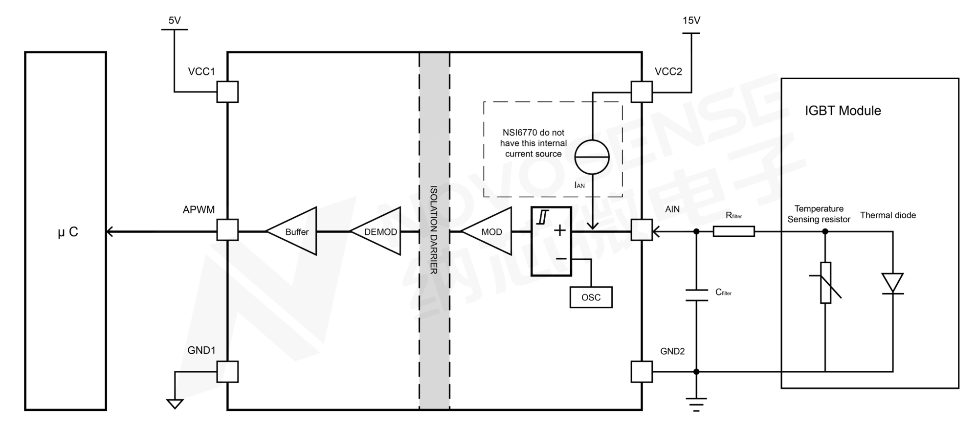
NSI67X0系列实现高精度的温度采样原理介绍

隔离模拟转PWM采样功能
NSI67X0 的 AIN 接口内置一个 200uA 的电流源,当连接外部 NTC 后,会产生一个压降,并将其解调为 10kHz 的 PWM 信号进行隔离输出。该 PWM 信号由处理器 MCU 捕获,通过计算占空比来获得对应的电压值和温度。
当 AIN 电压在 0.2V ~ 4.7V 范围内时,AIN 输入电压和 APWM 输出占空比是线性关系。在 AIN 电压转换为 PWM 信号时,PWM 的占空比符合以下公式:
D (%) = 100 - 20 * VIN
即 0.2V ~ 4.7V 的 AIN 电压对应 96% ~ 6% 的PWM占空比。
NSI67X0系列产品选型表
