SGM37604S 是一款高性能 4 路白光 LED 驱动 IC,集成了 1.2MHz 升压转换器,支持 3V 至 5.5V 的工作电压范围。它能够高效驱动多达 9 串 LED,每串 LED 的最大电流可达 25mA,确保了高转换效率。该芯片采用自适应电流调节技术,能够适应不同 LED 串的电压,维持稳定的电流输出。LED 电流可通过 I²C 接口或 PWM 信号灵活编程。凭借这些优势,SGM37604S 成为紧凑型 LED 驱动解决方案的理想选择,尤其适合用于 LCD 显示屏的背光显示。

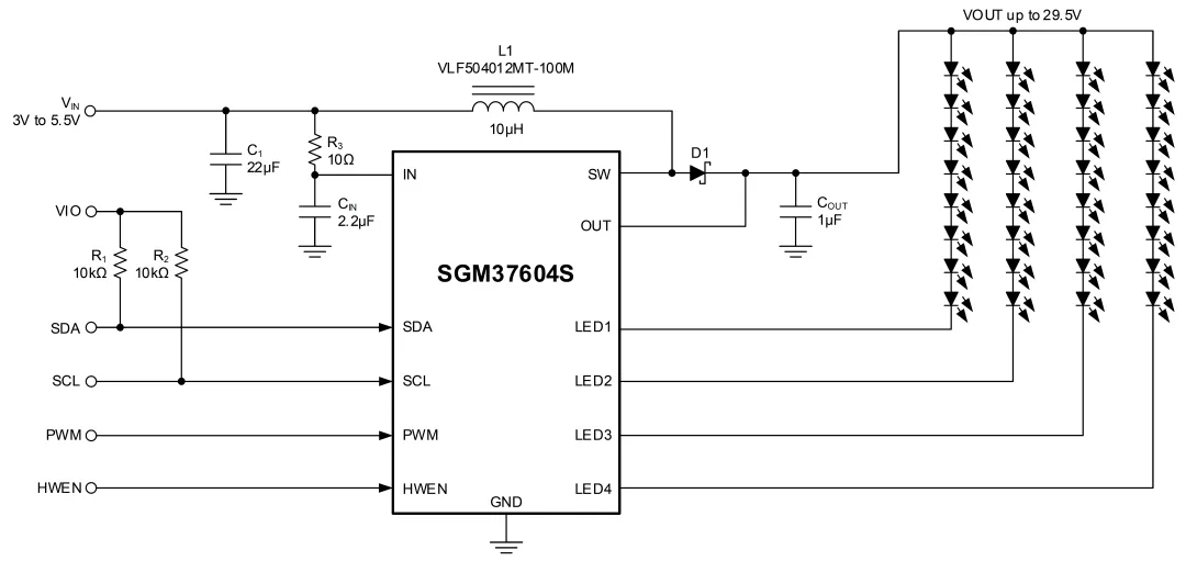
图 1 SGM37604S 典型应用电路图
SGM37604S 的高精度和高效率是其两大核心优势,对于 LED 背光照明驱动应用至关重要。 SGM37604S 高精度特性 众所周知,LED 驱动的高精度能够确保每个 LED 获得稳定且一致的电流,从而保证 LED 的亮度均匀性,这对于显示屏、背光灯等需要均匀亮度的应用至关重要。同时,不稳定的电流将会导致 LED 发光效率下降(即光衰)和颜色偏移(即色偏),但高精度驱动能够减少这种影响,延长 LED 的使用寿命,并保持稳定的色彩表现。 因此,SGM37604S 在以下三方面进行了优化: 电流匹配与调节:SGM37604S 拥有卓越的电流匹配能力,在不同电压和温度条件下,电流源的匹配精度高达 2.5%,电流调节精度达到 3.5%。这意味着每个 LED 串的电流可以非常精确地控制在设定值,从而实现均匀的亮度输出; 12 位分辨率的调光控制:SGM37604S 采用 12 位分辨率调光控制技术,能够以极高的精度调整 LED 亮度。这种高精度的调光控制使得它在需要精细亮度调节的应用中,如智能手机或平板电脑的显示屏背光,能够表现出更加细腻和均匀的亮度变化; 多种调光模式:SGM37604S 支持多种调光模式,包括 PWM 调光、I²C 接口调光以及混合 PWM 加 I²C 调光。这些调光模式可以根据不同的应用场景和需求进行灵活选择,以实现最佳的亮度和能效表现。 SGM37604S 高效率特性
在环保要求日益严格的背景下,高效率 LED 驱动器能更高效地将电能转换为光能,降低能量损耗。这对于降低设备功耗、延长电池寿命以及减少能源消耗具有重要意义。另一方面,效率越高,LED 驱动产生的热量就越少。低发热量有助于延长 LED 和驱动电路的使用寿命,同时减少散热系统的负担,降低了系统出现故障的风险。
在设计中,SGM37604S 十分注重效率的提升,并为此做出了多项改进与提升:
高转换效率:SGM37604S 的 Boost 转换器具有高达 91% 的转换效率,这意味着它能够更有效地将输入电能转换为 LED 所需的电能,减少能量损耗和发热; 低 EMI:SGM37604S 的开关频率高达 1.2MHz,同时采用了低 EMI 设计,通过传导谐振消除技术降低了电磁干扰。这使得 SGM37604S 在提供高效率的同时,也能保持较低的电磁辐射水平,符合电磁兼容性要求; 低功耗与节能:SGM37604S 在待机模式下功耗极低,并支持精细亮度调节,以确保在不牺牲用户体验的情况下降低能耗。这对于延长移动设备的电池寿命和减少能源消耗具有重要意义。 综合来看,SGM37604S 凭借其高精度和高效率特性,非常适合作为智能手机和平板电脑等移动设备显示屏背光的解决方案。它能够提供均匀的亮度输出、精细的亮度调节以及低功耗表现,从而提升用户的视觉体验和设备的续航能力。 SGM37604S 不仅适用于移动设备,还可用于其他需要高精度和高效率 LED 驱动的消费电子产品,例如电视机。其小巧的尺寸和强大的功能特性使得这些设备能够实现更加出色的显示效果和能效表现。
关于圣邦微电子
圣邦微电子(北京)股份有限公司(股票代码 300661)专注于高性能、高品质模拟集成电路的研发和销售。产品覆盖信号链和电源管理两大领域,拥有 32 大类 5200 余款可供销售型号,全部自主研发,广泛应用于工业、汽车电子、通信设备、消费类电子和医疗仪器等领域,以及物联网、新能源和人工智能等新兴市场。