智能化和电动化是汽车市场发展的两大主流方向,汽车智能化促进了光、电、声的灵活运用和个性化要求。汽车氛围灯作为提升座舱个性化的重要内容,除了车内氛围的装饰外,氛围灯也在向信息指示、音乐律动、情绪调节、安全提醒等实用性功能发展,配备氛围灯的车型也从中高端快速向中低端车型渗透。
氛围灯应用场景覆盖了座舱内的各个部分,包括座舱环抱式氛围灯、仪表盘氛围灯、中控台氛围灯、顶棚氛围灯、门饰板氛围灯、门扶手氛围灯、门警告氛围灯、开关门指示氛围灯、前车门内袋、扶手储物箱上的照明灯、杯架氛围灯、脚底灯、迎宾踏板、迎宾灯等。

泰矽微自2023年发布第一代LIN氛围灯芯片后,其优异的性能和可靠性获得了众多车厂与一级供应商的认可,目前已处于大规模量产交付阶段。
TCPL03A是泰矽微根据第一代TCPL01x系列产品在客户端的应用反馈,使用百分百全国产化产业链开发的新一代高性价比的氛围灯芯片。
TCPL03A产品特色一览:
工作电压5.5V~18V,支持40V抛负载电压
深度睡眠功耗70uA,支持LIN唤醒
ARM Cortex M0内核,48MHz高频时钟, 64KB带ECC Flash和4KB SRAM
支持低压恒流LED驱动
集成3路高精度恒流源,每路恒流电流1mA-45mA可调
LED RGB每路可实现恒流和亮度单独调节
高精度LED温度检测电路,用于RGB精确的颜色和亮度显示
集成2路LIN接口
支持主从节点工作模式,可外接LIN收发器实现LIN节点路由转发、扩展LIN节点数量功能
独立的SWD高速烧写接口,用于产线的快速烧录,大幅提高生产效率
集成LIN收发器物理层和数据链路层,符合LIN2.x和J2602标准
LIN接口支持115Kbps高速模式和19.2Kbps正常工作模式
内部集成温度传感器,室温精度范围±3°C
电源端符合ISO7637和ISO16750浪涌、瞬态电压标准
封装DFN16 3mm*4mm
AEC-Q100 Grade 1,Tj=-40°C~150 °C
芯片内部框图

图 1 系统框架图
TCPL03A产品优势
极简的外围器件节省整体BOM成本
产品设计阶段充分考虑EMC要求,只需很少外围器件即可满足汽车EMC要求。
全国产化产业链单晶片设计提升性价比和可靠性
TCPL03A采用了领先的全国产化产业链混合信号单晶圆工艺,将高压模拟、嵌入式存储以及其它模拟与数字外设集成于单一晶片,同时对芯片功能和性能的极致优化,在成本、性能等方面取得更好的平衡。
低功耗
得益于TCPL03A的单晶片设计,内部单元之间的功耗模式可以灵活配置以满足各种应用场景对功耗模式的要求。
典型应用场景,支持LIN唤醒模式下,芯片待机功耗小于20uA。可以轻松满足几乎所有车厂对零部件功耗的要求,并给外围辅助电路留出足够的功耗裕量。
高生产效率
独立的SWD调试和烧录接口,满足产线快速烧录和调试的需求。
良好的LIN兼容性
TCPL03A LIN收发器与数据链路层基于泰矽微成熟LIN收发器IP设计,可以很好地满足LIN2.X与SAEJ2602:2021等最新标准的LIN兼容性要求。
优异的EMC特性
TCPL03A从芯片设计阶段就重点考虑了EMC问题,在电源管理、LDO等电路设计中增加了必要的防护措施,提高了PSRR性能,使得TCPL03A方案可轻松通过ISO7637、ISO16750、ISO11452、CISPR25、SAEJ2962-1等相关EMC标准的测试。
典型应用场景

图 2 LIN RGB 氛围灯

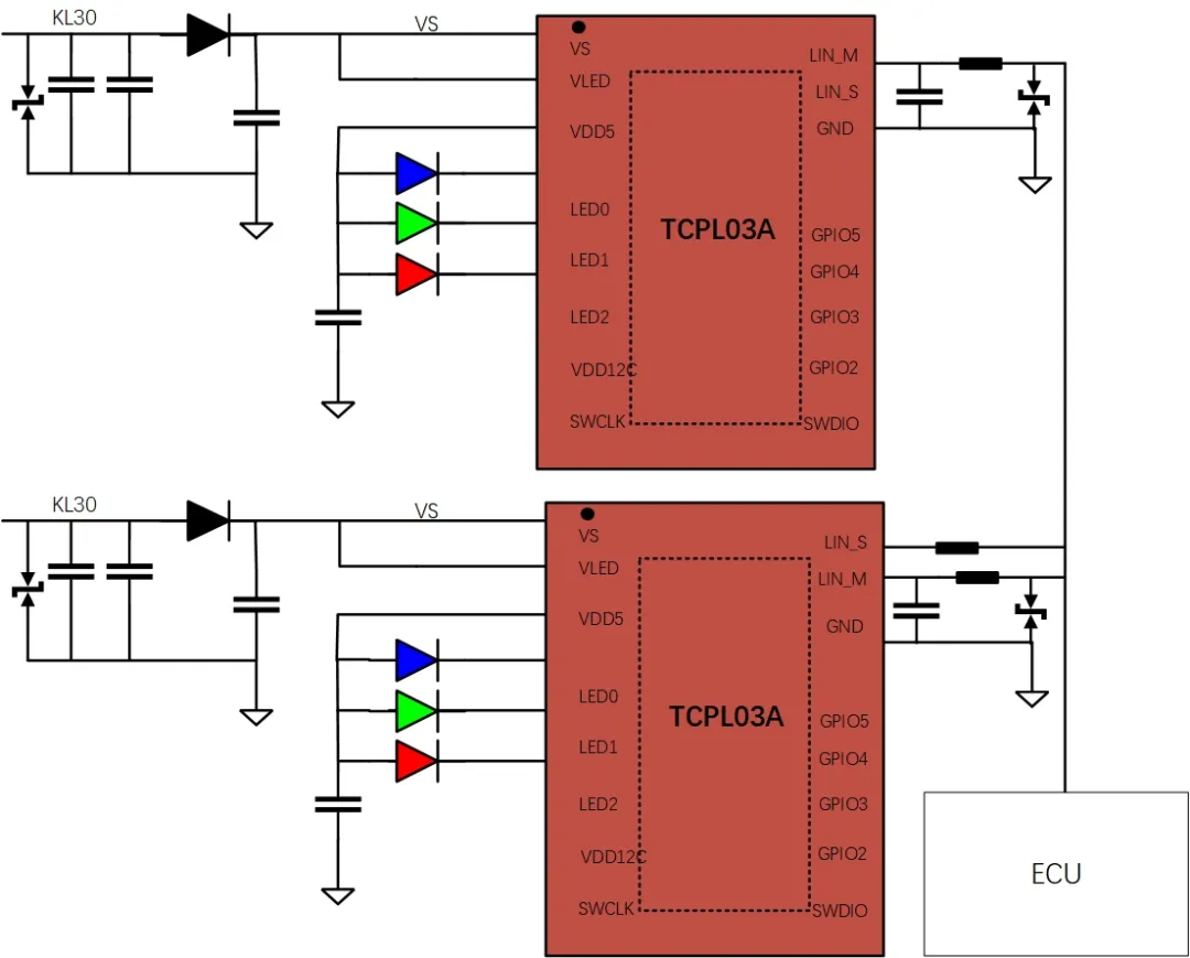
图 3 自动寻址多个LIN RGB 氛围灯

图 4 LIN to LIN路由功能扩展LIN 节点
生态、工具和技术支持
为了便于用户快速进行方案的评估,助力项目快速落地,泰矽微提供TCPL03A的EVK开发板供用户使用,并提供完整的SDK开发包,具体可通过sales@tinychip.com.cn咨询。

图 5 生态工具包
文章来源:泰矽微