晶振应该是陪伴我们最多而我们却并非那么熟悉的元器件之一,其频率对于电路的运作很重要,今天我们详细介绍晶振的谐振频率调整与常见应用。
谐振频率的调整
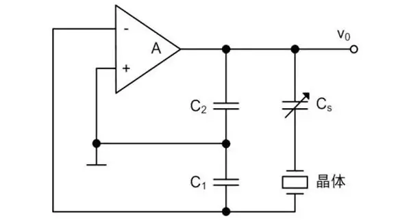
通常石英晶体产品给出的标称频率是外接一个小电容Cs(在石英晶体产品的技术手册中常称为负载电容)时校正的振荡频率,Cs与石英晶体串接如图1所示。利用Cs可使石英晶体的谐振频率在一个小范围内调整。
Cs的值应选择得比C大。

图1 石英晶体串联谐振频率的调整
常见应用
石英晶体振荡器电路的形式是多种多样的,但其基本电路只有两类,根据晶体在振荡电路中的不同作用,晶体振荡器有并联型电路和串联型电路。
. 并联型电路中,石英晶体以并联谐振的形式出现,工作在略高于fs呈感性的频段内,用来作为三点式电路中的回路电感;
. 串联型电路中,石英晶体以串联谐振的形式出现,工作在fs上,等效为串联谐振电路,用作为高选择性的短路元件。
必须强调指出,晶体只能工作在上述两种方式,而不能工作在低于fs和高于fp呈容性的频段内,否则晶体的频率稳定度将明显下降。
以并联晶体振荡器为例,其交流通路如图2所示。

图2 并联晶体振荡器
从相位平衡的条件出发来分析,电路的振荡频率必须在石英晶体的fs与fp之间,即晶体在电路中起电感的作用。显然,电路属于电容三点式LC振荡电路,振荡频率由谐振回路的参数(C1、C2、C3和石英晶体的等效电感Leq)决定。C1、C2直接并接在晶体两端,是晶体的负载电容;CS为微调电容,可调节并接在晶体上的负载电容,从而改变振荡器的振荡频率。
但应注意,由于C1>>CS和C2>>CS,所以振荡频率主要取决于石英晶体与CS的谐振频率,与石英晶体本身的谐振频率十分接近。石英晶体作为一个等效电感Leq很大,而CS又很小,使得等效Q值极高,其它元件和杂散参数对振荡频率的影响极微,故频率稳定度很高。
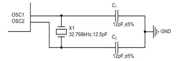
对于常见的应用场景,如IC的时钟电路,通常采用如图3所示的电路。

图3 IC的时钟电路
其中C1、C2为晶体的负载电容,其值应该等于石英晶体产品的技术手册中规定的数值。
在实际电路中,除了采用微调电容外,还可采用微调电感或者同时采用微调电感和微调电容。在频率稳定度要求很高的场合,可将晶体或整个振荡器置于恒温槽内,并将槽内温度控制在晶体拐点温度附近,这样频率稳定度可提高到10^(-10)数量级。
本文转载自:ZLG致远电子