对于采用先进开放计算项目(OCP)开放机架第3版(ORV3)架构的数据中心、网络、服务器和存储设备,电源单元(PSU)和BBU是支持它们正常运行的命脉。中央电源转换器负责输送所需的大部分电能。辅助电源组件则扮演着幕后的无名英雄,为了维护包括PSU和BBU在内的整个电源供应生态系统的整体稳健性、可靠性和安全性,它发挥了不可或缺的作用。
在接下来的详细讨论中,我们将研究辅助电源在BBU模块参考设计中发挥的作用,探索其功能和内部机制。通过深入探究辅助电源的复杂性,我们的目的是凸显它为了确保不间断电力供应和保护重要技术资源免受损害而作出的重大贡献。
辅助电源用于提供BBU内的副电源。即使背板电源中断或不可用,补充电源也会继续为模块内的器件供电,确保BBU内存储的关键操作能够顺利执行。这种后备电源让该单元能够保留和维持重要操作,例如安全转换过程、周密监控、复杂控制电路 管理以及为低功耗器件持续供电。辅助电源通过在停电期间提供持续不间断的电源,确保模块在需要时能够分配电力。这反过来可以起到缓冲器的作用,抵御潜在干扰,并防止发生数据丢失。
为使BBU内部的器件达到理想性能,确保其处于恒定平衡和恒定电压输出状态至关重要。在这种情况下,怎么强调辅助电源的重要性也不为过,因为它充当关键的保护措施,可以监督BBU模块复杂架构内电压控制的敏感区域。辅助电源持续监测输出电压,在严格定义的容差范围内对电压进行精细调整,使其保持稳定。
这种调节犹如一道坚实的屏障,有效地保障了BBU与其关联器件之间的互动。辅助电源确保能源供应稳定可靠,防止电压波动,避免引发故障、数据损坏或物理损害。
辅助电源通过精密校准发挥关键作用。它不仅让模块保持高效运行,还能保护所连接的器件。凭借出色的精密度和可靠性,数据中心的PSU、BBU和一系列相关器件能够获得更长的使用寿命、更高的效率和持久的运行活力。
有效的散热管理对于防止电气设备过热至关重要。BBU内部的风扇由辅助电源供电并进行协调。此散热过程有助于保护BBU和受支持器件。这种组合利用辅助电源来管理风扇转速,创造平稳高效的散热环境。这样一来,系统能够实现良好平衡,保持理想工作温度,防止过热造成破坏性影响。
热量的耗散涉及热动力学中复杂的相互作用。该系统会管理热量,防止因过热而导致故障。精心的温度调节和辅助电源可提高性能和可靠性。
BBU具有一系列重要的安全和防护特性,可保护所连接的器件和电源转换器。为了实现这些功能的部署和监督,辅助电源的集成至关重要。辅助电源支持一系列主动保护措施,包括过压、过流和短路保护以及温度监控等。辅助电源通过连续实时检查 各种参数,确保对异常或问题做出快速反应。这种快速激活的保护机制有效地避免了对PSU及其连接器件的损害,减轻了电气危险,并显著提高了系统的整体安全性。
BBU在向连接的器件供电之前,会定期进行自诊断测试以验证其功能。在此过程中,辅助电源会提供启动和结束诊断程序所需的电压和控制信号。这种自我评估有助于及时检测BBU内的潜在故障,包括器件问题或电压异常。辅助电源的参与有助于通过及早识别和查明故障来增强PSU的性能,并延长其使用寿命。这种主动方法让PSU工作更可靠,准备更充分,确保不间断供电,并大大降低系统发生故障的风险。
ADI的电源设计工具LTpowerCAD提供专为BBU辅助电源设计的定制工程见解和组件性能数据。这种强大的组合成功地加快了复杂的电气评估过程,缩短了原型设计阶段,并大大加速了辅助电源电路的整体开发进程。这会明显减少审查所花费的时间,大幅降低电路设计的复杂性。
图1展示了为优化充电模式或放电模式下BBU运行期间的能量流而设计的辅助电路,其中体现了巨大的工程工作量。图2则显示了BBU休眠模式下的低功耗辅助电路,它采用低压差(LDO)稳压器和单通道降压转换器。

图1. BBU模块在充电和放电过程中的辅助电路设计。

图2. BBU模块在休眠模式下的辅助电路设计。
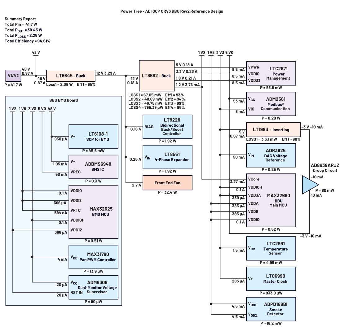
为了给此类电源转换器、微控制器和其他外设供电,BBU模块辅助电路包含表1所列的六个电压轨。

表1. BBU电压轨
BBU充电或放电工作模式下的辅助电源
12 V偏置轨
LT8645S是一款高压同步降压控制器,具有高达8 A的惊人负载能力。其主要功能是以非常高的精度将48 V背板电压电源高效转换为12 V辅助电压电源。该器件集成了旁路电容,这使其有别于其他高压降压控制器。这一策略性选择不仅可以减小PCB尺寸,而且巧妙地解决了快速电流环路和电磁干扰(EMI)发射等难题。这种组合显著提高了整体效率,增强了控制器优化能耗的能力。
12 V偏置轨为电源转换器、风扇电源和电流共享总线电路等基本组件提供支持。12 V偏置轨充当这些关键组件的主要能源通道,助力系统实现无缝运行和高性能。这些组件在电源下有机结合在一起,其中LT8645在增强效率和功能方面发挥着关键作用。
5 V、3.3 V、1.8 V和1.2 V偏置轨
采用四通道同步降压控制器 LT8692S是一个经过深思熟虑的选择,旨在提供多种输出:5 V、3.3 V、1.8 V和1.2 V。这种调整对于适应降低的辅助电压以与较低的总线电压保持一致尤为重要。该控制器在一个以2 MHz频率运行的单一振荡器的引导下,确保其输出的精密度和同步性。
该器件真正的独特之处在于集成了电容,这一特性有效降低了布局对EMI的敏感性,有助于满足严格的EMI性能要求。因此,其与噪声敏感的设置和应用的兼容性显著增强。四通道架构具有高集成度特点,不仅节省空间,而且设计方法更加简洁高效。
为了解释其使用方式,5 V偏置轨为放大器电源轨、Modbus UART驱动器、数字温度传感器和电源管理器件供电。3.3 V、1.8 V和1.2 V输出分别为EEPROM器件、主微控制器单元(MCU)和电池管理系统(BMS) MCU供电。
-3.0 V偏置轨
LTC1983为驱动BBU的运算放大器提供关键的-3 V电源轨,是电荷泵反相器的明智选择。该器件仅需一对附加电容即可支持高达100 mA的输出负载,这证明其固有效率非常高。值得注意的是,这种高效率得益于其微小的外形尺寸,这一设计特性赋予了它独特的优势——在BBU电源板上仅需1 mm空间即可发挥作用。
BBU休眠工作模式下的辅助电源
3.3 V、1.8 V和1.2 V偏置轨
MAX17551是一款性能突出的同步降压转换器,可将电池堆的48 V电压转换为稳定的3.3 V输出。此电压充当一个重要通道,在主MCU和BMS MCU处于休眠模式时将电力输送至其数字通用引脚。选择这款降压转换器是因为它具有以下优势:输入电压范围宽广,从4 V到60 V,通用性强;外形小巧,节省空间;运行效率出色,最低功耗不到10 mW。这些特性的融合使其成为提高电池堆整体耐用性和续航能力的优选解决方案。
ADP165 LDO稳压器实现了更为复杂的降压功能,可准确地将电源电压从3.3 V降至1.2 V。这种有针对性的降压可作为主要能源,为主MCU和BMS MCU的核心操作供电。在微控制器电路中巧妙地集成LDO稳压器可以改善电压调节,显著降低噪声,简化设计架构,提高运行效率,并提升可靠性标准。此外,ADP165的功耗不到 15 μW,因此系统能耗大大降低,电池的续航时间显著延长。
最后,为了供应模拟和USB电源电压以及其他一些核心电压,系统采用了MAX38911,它能准确地将电源电压从3.3 V降至1.8 V。此LDO稳压器可以输送高达500 mA的负载电流,足以提供微控制器所需的负载电流。该电源转换器在低功耗模式下消耗约19.2 μA的电源电流,因而适合休眠工作模式。
鉴于辅助电源在充电或放电操作期间的效率高达94%,而在休眠模式期间的效率为62%,为了保持一致的理想性能,怎么强调响应式热管理的重要性都不为过。为辅助电路选择适当器件的意义不仅仅在于提升普通功能;更关键的是,这构成了在BBU 不同工作状态下的设计完整性的基础。借助该策略可以预测整体功耗,并估算电池的使用寿命。此外,它支持以经济有效的方式改善辅助电路的性能,最终全面提升该单元的整体效率。
辅助电源被描述为BBU的关键组件,负责协调各种重要功能。其功能涉及许多关键责任,所有这些责任对于BBU的平稳、可靠、安全运行都至关重要。辅助电源作为后备电源,如同保护盾,负责调整电压水平、管理散热 风扇电源、采取保护措施以及开展开机自检等。这些操作精妙地相互作用,以提供不间断电源,保护器件,并延长整个系统的寿命。
辅助电源是为模拟和数字器件提供可靠补充电源的关键因素。随着辅助电源技术的进步,数据中心PSU和BBU的效率和安全性不断提升,功耗不断降低,推动创新达到新的高度。我们不断变化的技术世界对电源的需求日益增长,而持续的技术进步是 对这种需求的有力回应,不仅塑造了我们的当下,也影响着未来的电气化。
文章来源:亚德诺半导体