宽工作电压范围:2.5V~36V 低输入失调电压:0.6mV(典型) 响应时间:1.3us(典型) 低输入偏置电流:130pA 低静态电流:109uA/ch 输入共模电压范围包括地 内部差分输入电压范围等于电源电压 兼容TTL、DTL、ECL、MOS、CMOS输出 开漏输出架构 工业级工作温度范围:-40℃~125℃
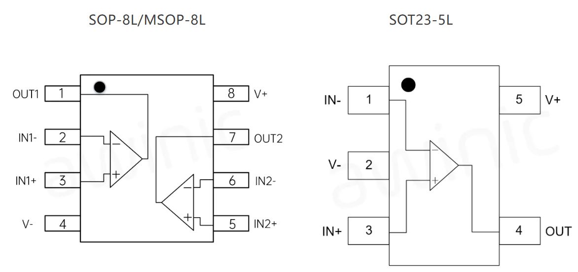
图1 AWS72903、AWS72931封装
扫地机器人 电器 无线电动工具 工厂自动化与控制 服务器 电机驱动器 楼宇自动化 信息娱乐系统 电池管理
产品亮点一:高可靠性
图2 AWS72903 & AWS72931与行业同类产品可靠性对比
产品亮点二:低输入偏置电流
图3 AWS72903 & AWS72931与行业同类产品输入电流对比
产品亮点三:高开环增益
图4 AWS72903 & AWS72931与行业同类产品开环增益对比
AWS72903&AWS72931选型表
图5 AWS72903 & AWS72931系列选型表
结 语
文章来源:艾为之家