在汽车、工业和绿色能源领域的许多系统中,保护系统免受电压浪涌和噪声的影响至关重要。
作者:Joachim Hausmann,东芝电子欧洲有限公司
电子系统设计中存在两种不同的趋势,二者均支持电机的电子系统。一方面是向千伏级别发展的发电和电气分配子系统。另一方面是高速MCU,能够实现先进算法以优化系统性能,并在接近1V的电压下运行。
在汽车、工业和绿色能源领域的各种系统中,设计人员正在寻求利用宽带隙晶体管技术。这种技术不仅能够支持更高频率的操作,还能够支持更高电压的作业。高频操作使得电路密度得以提高,但传统的体硅工艺技术由于开关损耗的限制而难以实现。相比之下,宽带隙器件则不会遭受相同的损耗影响。
宽带隙技术也更加稳健,能够处理比许多硅器件更高的供电电压。这意味着能够以较低成本实现高功率密度。由此可以制造更小的变频器,并且在汽车系统中,充电器可以跨多个电芯传递更多能量来支持快速充电协议。
更高频率的运行意味着使用控制算法生成脉冲宽度调制(PWM)信号,可快速响应传感器信号,并确保功率晶体管开关操作正确同步。此外,更复杂的控制算法还可优化电机和变频器的性能以提高效率。
低电压器件及其周围的支持器件需要受到保护,以防止来自高电压的浪涌和尖峰。如果系统的不同部分之间没有隔离,电气噪声和尖峰可能会从高电压子系统传播到低电压电路。在同一块PCB板上或在同一系统内存在高电压和高电流电路的话可能会导致许多问题,包括瞬态问题,如数据损坏、安全隐患以及对这些设备内部电路的永久性损坏。
高电流尖峰可能会损坏半导体元件,并可能导致闩锁条件,从而导致系统整体故障。如果在设计时未考虑组件承受这些应力的能力,那么由此产生的热量可能引起火灾。这些尖峰可能导致绝缘破坏,从而使I/O线缆携带危险电压和电流水平,这可能使操作人员和用户面临电击风险。即使在相对较低的电流水平下,反复受到电压浪涌也可能导致隔离屏障材料的逐渐破坏,从而降低系统的可靠性。
此外,电气噪声也可能成为问题。此类噪声会干扰敏感混合信号组件的输入,例如模数转换器,导致错误读数。更强的脉冲可能会导致从存储器和其他数字外围设备传输到主处理器时发生位翻转。

图1:PLC中的隔离位置
随着设备中需要保护的位置持续增加。除了需要内部I/O外,通常子系统还将通过网络彼此通信,以进一步提高效率并更好地对突然变化的条件做出协调响应。这表明了对线缆网络和系统背板进行高速通信的需求不断增长。特别是在许多工业系统的恶劣电气环境中,这些连接也需要保护以免受高压尖峰和其他电磁干扰(EMI)的损害。
典型可编程逻辑控制器(PLC)的架构提供了许多需要保护的不同信号示例。在许多PLC中,系统功能被划分为几个相互协作的模块,这些模块通过共同的背板连接。背板通常提供低压电源轨,其工作电压可达24V,以及供应给控制模块的5V控制路径,并包含电源模块的供电。
电源模块通常分为低电压和高电压部分。需要保护用于控制功率晶体管开关的PWM信号线。为了避免击穿等类似开关问题,可能需要多个PWM信号,这会增加并行控制信号的数量。通过在同一隔离器件中支持反向信号,错误和传感器信号便可以从电源级传递到控制器。
PLC通常会包含用于外部传感器信号的模拟和数字I/O模块。需要跨这些不同信号保护系统,并且以最少的占板空间支持高传输速率。网络模块可能需要以高达100Mb/s的速率传输数据,并且要加以保护,免受高压损坏和电气噪声影响。
在跨电压域传播浪涌的保护中,电气隔离的关键在于在高电压和低电压域之间断开电路路径,以防止电流直接从一侧传输到另一侧。
光隔离器
多年来,光学隔离一直被用于分离两个子系统之间的电路路径。这是通过使用LED将传入的电信号转换为光子来实现的。一个非导电的透明隔离物将光传输到接收端上的光电探测器。

图2:光隔离器
尽管当前市面上的光耦合器支持紧凑的封装,但当需要隔离多个通道时,解决方案的整体尺寸仍可能构成问题。由于难以将多个通道集成到单个封装中并避免通道间的交叉干扰,因此它们通常采用离散型架构。这在需要并行I/O隔离的情况下可能造成问题。例如,对于串行外围设备互连(SPI)总线的保护,可能需要四个单独的器件。光耦合器的第二个问题在于它们可以通过的最大数据速率受到LED和光电探测器响应时间的限制。实际上,最大可实现的数字带宽约为50Mb/s。此外,系统的长期可靠性也是一个问题。
电容隔离
电容隔离是提供用于并行I/O的集成设备的选项的技术之一,尽管它倾向于适用于需要较低隔离水平的场景。这种形式的隔离耦合器使用电容器的充放电周期来实现数据传输。由于电容元件之间使用绝缘材料的阻隔,因此不存在直流电流流动。尽管在应用需要大电容时可能会受到充放电速率的限制,但该技术的优势依然可以支持高数据速率。

图3:电容隔离
隔离通常受限于位于电容元件之间的绝缘层的击穿电压。对于小型设备,这可能不足以阻止大的高压尖峰。
电磁隔离
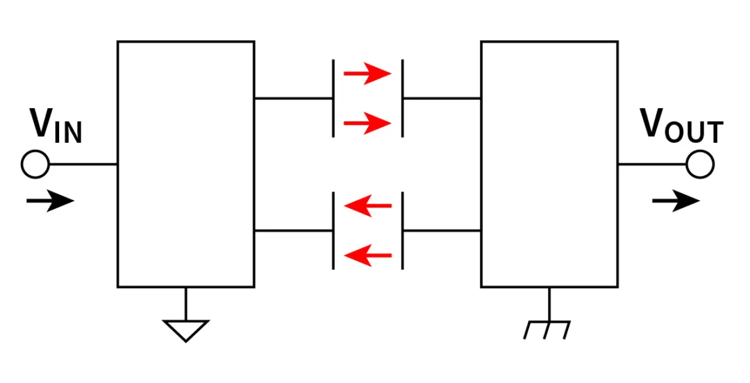
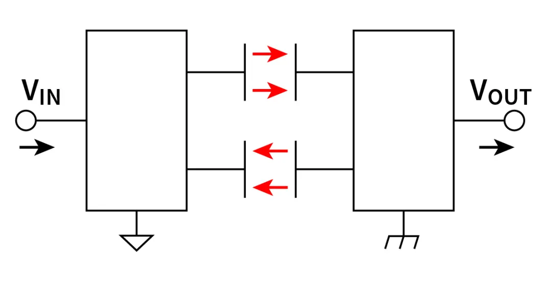
电磁隔离通过利用一次绕组中电流产生的磁场来感应二次绕组中的电流。当实施隔离解决方案时,一个线圈充当信号发射器,另一个充当接收器。磁感应隔离应用可在工作电压非常高的系统中运行。因此,磁耦合的使用提供了高保护性,长期运行寿命的组合,并且能够以比光耦合器更高的速度工作。

图4:磁耦合为电磁隔离解决方案奠定了基础
磁耦合并不一定粗大笨重。随着半导体技术的进步,将电感器集成到小型芯片级产品中已成为可能。因此可以在单个封装内提供多个并行操作的通道,从而进一步节省空间。例如,东芝的DCL54x01系列由两个共同封装的芯片组成。一个是输入信号的调制器,另一个是解调器,用于处理接收信号。使用两个隔离芯片便可支持双重绝缘结构,提供最大限度的保护。在一侧的绝缘隔离发生损坏时,这种设计能够防止两侧之间发生短路。这种架构确保了高达12.8kV的电压浪涌无法穿过隔离屏障到达另一侧,并且组件满足VDE V 0884-11标准的要求。
基于使用标准的时间依赖介质击穿(TDDB)计量测试,1.2kVrms脉冲显示该结构设计提供的预期绝缘寿命长达70年。

图5:开关键控
开关键控的调制方案是一种即使在高速运行下也可以提供噪音保护技术。这种调制方案使用载波信号的存在和缺失来分别表示高和低逻辑状态,是一种提供了高效可靠的方法用于将PWM信号从微处理器传输到控制PCB高压侧电机或变频器的栅极驱动器。在DCL54x01中,该方法提供了小于3ns的脉宽失真,确保了PWM和其他高速逻辑级信号的准确传输。该方法还支持以150Mb/s或更高的速率传输数据,并具有高抗噪声干扰性,包括对共模瞬态的抗性。
共模噪声是一种电流同时在信号和地线上流动的噪声类型,通常发生于高压系统中。由于移位会影响信号和地线,并且可能通过隔离障碍物进行耦合,特别是在电容隔离产品的情况下,导致对其进行隔离的实现较为困难。如果耦合到接收端的电流达到一定水平,它可能会导致隔离界面本身以及系统的故障。高共模瞬态抗扰度(CMTI)对于可靠操作至关重要。这一特性在磁隔离产品中得到了很好的支持。
由于隔离器可以利用双绝缘结构来提供对高压浪涌的保护,因此在小型封装中能够轻松支持多通道作业。
文章来源:东芝半导体