治精微推出精密电阻网络产品ZJM5400系列,静电保护能力高达3.5kV

上海治精微电子有限公司(以下简称“治精微”),总部位于张江的高端模拟芯片方案供应商,宣布推出高达3.5 kV静电保护能力(HBM),含有四个相互高精度匹配的电阻器网络产品ZJM5400系列。ZJM5400系列包含了各种阻值及对应比值,共8个版本, MSOP8E的封装形式如下所示:

图1:ZJM5400系列的封装及管脚定义.png

ZJM5400系列的封装及管脚定义

图2:ZJM5400系列具体型号(阻值).JPG

ZJM5400系列具体型号(阻值)

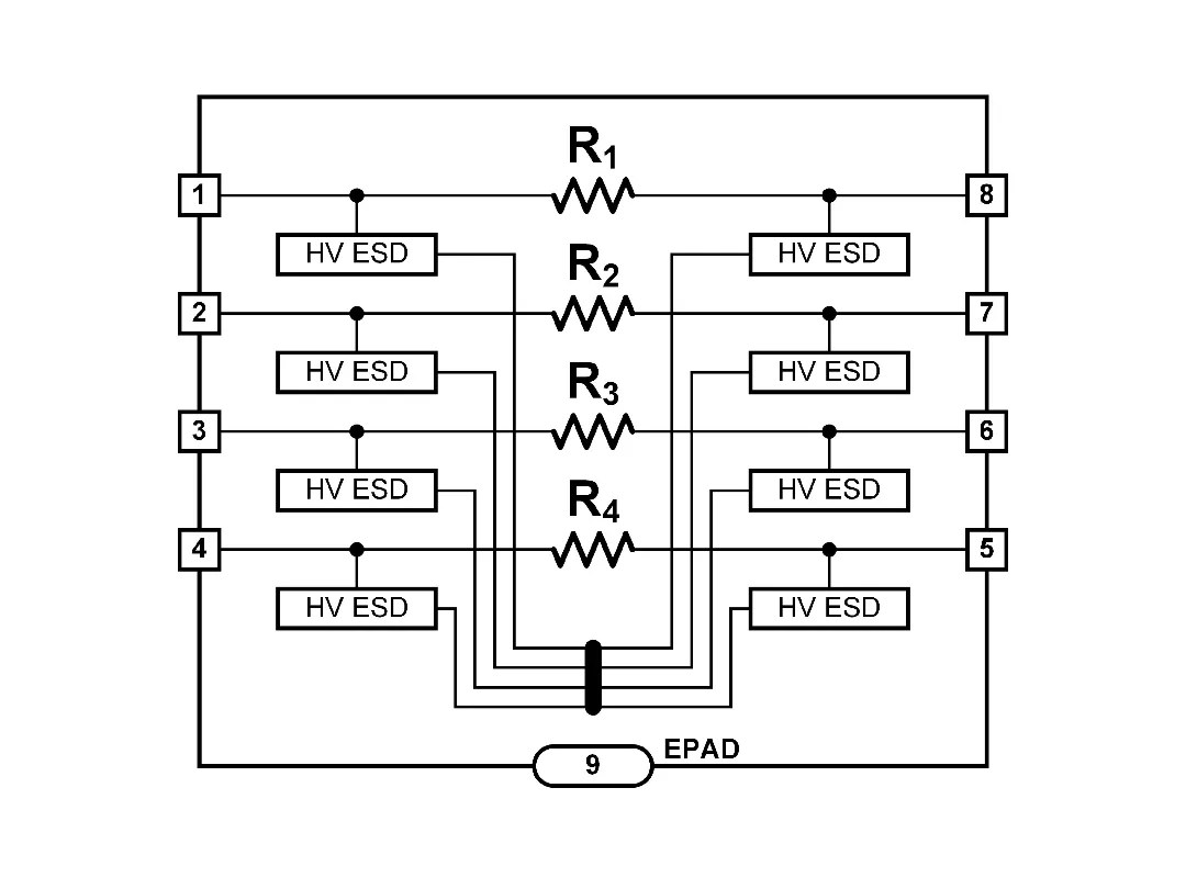
ZJM5400系列包含了精心设计的静电保护电路,使其具有业内领先的静电保护能力:3.5 kV HBM,2 kV CDM,这一特性使其能够在实际使用中大幅简化保护电路设计,以实现最佳性能。

图3:ZJM5400静电防护功能框图.png

ZJM5400静电防护功能框图

图4:ZJM5400与竞品在静电防护能力上的比较.png

ZJM5400与竞品在静电防护能力上的比较

ZJM5400系列在-40 ℃至125 ℃的宽温度范围内都能保持高精度的匹配,每个版本都采用了治精微独特的微调技术。每颗ZJM5400产品在出厂前都通过了全面、细致的量产测试,以保证所有性能都能达到所需的规范。ZJM5400以其出色的匹配性能及温漂特性,使其非常适合作为高精度差分放大器、全差分放大器、电压基准分压和桥式电路中所需的精密电阻网络,以实现所需的精确比例值。

图5:ZJM5400 典型应用.png

ZJM5400 典型应用

ZJM5400系列室温下每对电阻都具有优于0.01%的匹配性能,其匹配特性的分布如下图所示:

图6:ZJM5400电阻匹配分布图.png

ZJM5400电阻匹配分布图

图7:ZJM5400电阻匹配(针对CMRR而言)分布图.png

ZJM5400电阻匹配(针对CMRR而言)分布图

ZJM5400系列在-40 ℃至125 ℃范围内,电阻匹配温漂的典型值为0.2 ppm/℃,最大不超过1 ppm/℃的,使得ZJM5400在此温度范围内每对电阻都具有优于0.0125%的匹配性能。其实测的典型匹配性能随温度的变化曲线如下图所示:

图8:ZJM5400电阻匹配随温度变化的曲线.png

ZJM5400电阻匹配随温度变化的曲线

ZJM5400的主要特点

高可靠性

整个系列产品均包含了特殊的静电防护电路,经过第三方的可靠性验证显示ZJM5400可以达到3.5 kV的HBM,以及2 kV的CDM静电防护能力,使其能够在较为恶劣的使用场景下依然能够保持持久的稳定性。

低温漂

ZJM5400的每对电阻在-40 ℃至125 ℃的宽温度范围内有典型值为0.2 ppm/℃,最大不超过1 ppm/℃的匹配温漂性能。

高精度

ZJM5400的每对电阻都具有优于0.01%的匹配性能,在-40 ℃至125℃的宽温度范围内优于0.0125%,非常适用于工业控制、仪器仪表等对整个温度范围内精度都要求很高的应用,也可以简化系统出厂前的调校,从而节约成本。

ZJM5400和已发布的ZJC2000 (18位400 kSPS高精度ADC) 系列产品,ZJC2100 (多通道18位400 kSPS高精度ADC) 系列产品,ZJC2541/ZJC2542 (18位高精度1 MSPS DAC) 系列产品,精密运放ZJA3000、ZJA3001、ZJA3512系列产品,精密电压基准源ZJR1004 (最高供电电压40 V,最大温度系数5 ppm/℃), ZJR1000 (最高供电电压15 V,最大温度系数5 ppm/℃),ZJR1001/2、ZJR1003及带保护功能多路复用器ZJG4438/ZJG4439配合,将更好地满足高精度信号处理系统的需求。治精微是全球业界少数可提供高性能、完整精密信号链芯片解决方案的供应商。

样片

ZJM5400系列产品可提供样品,如需申请样片或订购可邮件或拨打021-68583600及18717852766,更多信息敬请访问www.zjwmicro.com  。

关于“治精微”

上海治精微电子有限公司是一家高科技半导体公司,成立于2017年11月,总部设在上海张江,并有多个研发中心。公司致力于研发、制造、销售高端模拟芯片和混合信号芯片,专注于高端信号链路产品和方案,以产品的高性能、高可靠性和强大技术支持更好地为工业、汽车、通信及医疗等客户服务。公司致力打造世界一流、中国最好的高端模拟芯片方案供应商,大国重器,始自精微。