当前,汽车前照灯正朝着小型化和高效节能的趋势不断发展。随着灯具尺寸逐渐减小,LED驱动需要具备更大的功率,以确保在有限空间内实现高亮度的照明效果。同时,为了降低整车电耗,缓解电动车续航焦虑,高效率也成为LED驱动产品不可或缺的特性。帝奥微最新推出的LED驱动DIA89360完美契合了这一发展趋势,将小型化和高效节能融为一体,为汽车前照灯的未来发展提供了完美的解决方案。
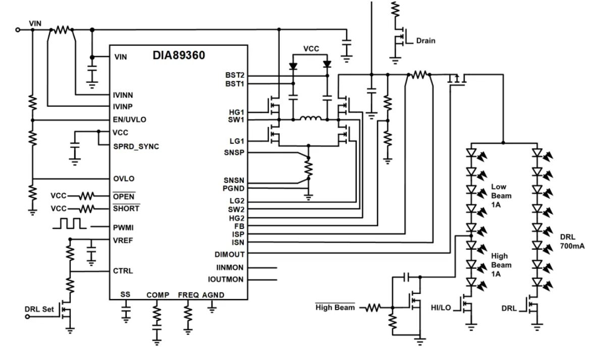
DIA89360是国内首款具有完整诊断功能的车规级四开关同步升降压LED控制器,该架构能以最高的系统效率和最少的外部组件数量驱动大功率LED,特别适用于需要高效率且电路板空间有限的高电流近光灯,远光灯或组合远近光灯应用。调光方式灵活,支持模拟和数字(内部&外部)调光;提供完整的故障诊断和保护功能,集成输入和输出的电流检测功能;开关频率可调并支持展频功能,来确保出色的EMC性能;内置高侧PMOS驱动,可以驱动外部PMOS拓展高调光比应用。得益于恒流和恒压模式的灵活调节,DIA89360也可以为USB等非LED应用供电。
产品特性
• 宽输入电压范围:4.5V - 55V
• 宽输出电压范围:0V - 55V
• 开关频率范围:200kHz - 700kHz
• 高达97%的超高效率
• LED电流精度,±3%
• 支持恒流 & 恒压模式
• 集成轨到轨电流感测放大器,支持高侧 & 低侧LED电流检测
• 优越的EMC性能:
支持展频功能
支持外接同步时钟
• 灵活的调光方式:
外部PWM调光
内部PWM调光
模拟调光
• 完整的诊断和保护功能:
输入/输出过压,输入欠压,输出开路,输出短路,过温
输入/输出电流检测,带专用的检测输出引脚
输入电流限流
独立的短路/开路报错引脚
• 可调软启动
• 符合AEC-Q100标准
• 封装:QFN-48,7mm*7mm

QFN-48
产品优势
超高效率,高达97%

内部集成高侧PMOS驱动
1. 拓展高调光比应用。LED电流路径中串联调光FET是实现高调光比所必需的;当PWM信号为低时,串联的调光FET断开可以防止输出电容放电,确保了LED电流能够实现快速的上升和下降,以此来响应高调光比的PWM输入,如DIA89360波形;在没有任何调光FET的情况下,输出电容放电,输出电压降低,LED电流的建立有一定的延时,如竞品波形,当调光比高到一定数值时,LED电流无法快速响应PWM输入。

2. 相比于集成低侧NMOS驱动,高侧的PMOS驱动允许单根线束连接到LED灯串,灯串阴极接地,通过地回路与控制板相连,节省线束。
高精度调光
调光方式灵活,支持模拟调光,外部PWM调光和内部PWM调光。内部PWM的调光频率为280Hz,调光占空比可通过改变PWMI引脚的电压DC值来调节,不需要MCU的参与,节省MCU资源。

不同工作状态的平稳切换
DIA89360能够在降压、四开关升降压、和升压工作区之间平稳地转换。

单芯片驱动多个输出
在系统电路板空间有限或系统成本预算不高的情况下,可以考虑将远光灯,近光灯以及日行灯“包裹”在一起。因为日行灯仅在远光灯和近光灯关闭时才会需要,故可使用单个 LED 驱动器给远光和近光 LED 或日行灯供电。相对于传统单通道驱动方案具有外围元器件少、BOM成本低、效率高、EMC性能好等优点。

结语
帝奥微致力于为客户提供更加智能、更加高效的汽车照明解决方案,为汽车前照灯的未来发展铺平道路。期待未来,我们将与您携手,共同见证汽车前照灯技术的卓越进步,为行车安全和舒适体验助力!