伴随着智能电车的快速发展,氛围灯作为人机交互声光电中的重要成员,对于用户体验智能座舱的功能有着直观的感受,氛围灯的使用能够极大地提升用户的驾乘体验。而在目前智能座舱普及化的背景下,氛围灯的单车用量越来越多,成本控制需求也越来越强烈。对于一些特定的应用场景,使用单颗氛围灯芯片驱动两颗RGB灯珠可实现同样成本下更高的座舱配置和用户体验。现在市场上主要有两种传统方式实现单芯片双灯珠的控制,一种是串联方式,一种是并联方式。(如图1所示)

图1 单芯片双灯珠的2种实现原理
传统双灯珠方案的局限性
泰矽微氛围灯芯片TCPL01-2P充分考虑了单芯片驱动双灯珠的应用场景,为此提供了最高可达48MHz的主频速度,支持最高730Hz的调光频率,完全可以对两路并联灯珠分别进行实时高精度温度测量与补偿,做到真正意义上的单颗芯片驱动两颗RGB灯珠,并维持性能不变的要求,是目前市场上已知类似产品中唯一可以完全实现此项功能并达到全温1%以上色坐标精度的芯片方案。

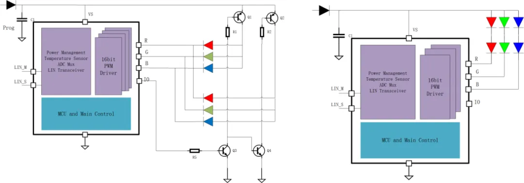
图2 双灯应用原理图
基于TCPL01-2P优异的主频性能和充足的片上资源,能够在满足双灯方案基本需求的前提下,提供更加卓越的性能和性价比。主要体现在以下几点:
双灯各自目标颜色和亮度可独立配置,无需完全同步 支持200Hz以上的调光频率,灯珠无闪烁,拍摄时也不会出现其他类似方案中存在的水波纹问题 支持独立的温度补偿,全温度范围内,色坐标精度可达千分之五 与传统单芯片单灯珠相比,同样数量的主芯片可支持驱动双倍的灯珠,具有极高的性价比
泰矽微可提供此单芯片双灯珠应用的完整软硬件参考设计及配套文档,具体可通过sales@tinychip.com.cn咨询。
智能汽车的发展趋势是不断加强配置(尤其在人机交互方面)的同时不断优化成本,这与泰矽微产品定义的思路完全吻合。泰矽微一直秉持独立思考的理念,通过无处不在的创新,充分挖掘物理极限,极致提升产品性价比。以氛围灯芯片为例,在性能完全满足所有场景的情况下,只需5颗外围器件就可通过各个OEM厂商EMC的测试,已将外围成本优化推向了极致,具有明显的成本优势。在此基础上,又进一步推出支持单芯片双灯珠方案的TCPL01-2P,针对某些应用场景,可在使用同样数量的主芯片的情况下增加一倍的灯珠数量或亮度,而无需在性能方面有任何妥协,切实为市场提供价值。泰矽微双灯珠芯片TCPL01-2P及解决方案的推出意味着国产氛围灯驱动芯片已全面进入超车道,将进一步加速车规氛围灯芯片全国产化替代的进程,有望成为车规芯片首个全国产化的产品品类。