纳芯微(NOVOSENSE)推出了全新四通道/八通道(4CH/8CH)数字输入(DI)隔离器NSi860x,适用于工业应用中的24V数字信号输入,主要应用领域为工业控制,如PLC,伺服,变频器等。
与数字隔离器不同,隔离DI的输入级为电流型输入,并且集成电流限制,最高允许-60V至60V范围内的输入电压转换为逻辑输出。

主要优势
1. 集成current limit 的功能,可使系统的温升降低。
2. 支持双向输入功能,可让系统I/O灵活配置

高集成度 高稳定性
NSi860x是基于纳芯微电容隔离技术的数字隔离器,可接收-60v ~ 60v 数字输入信号,兼容光耦的电流输入形式,不需要现场侧电源供电,并可提供隔离的数字输出。该产品使用OOK调制方式,对输入信号进行调制后,通过SiO2隔离栅传输到二次侧,进行解调后通过缓冲级输出。
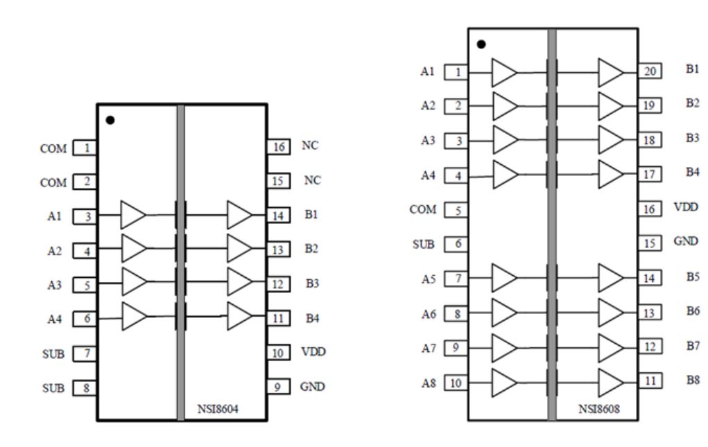
NSi860x产品系列包括4CH(NSi8604)和8CH(NSi8608)两种版本。

和传统的单通道光耦方案相比,NSi860x具有更高的系统集成度。可在-40°至105°的宽温工作范围内稳定运行,所有通道均支持高速数据传输(速率高达2Mbps),支持双向的数字输入、并口输出、以及集成限流功能来降低系统功耗和温升,满足IEC 61311-2 开关类型1或3的要求,兼容绝大部分MCU I/O电平,提供业内通用的封装形式,显著降低了用户成本,并带来更优的性能体验。

NSi860x主要性能
· 3000Vrms隔离耐压
· 数据传输速率:DC到2Mbps
· 支持拉管电流的双向数字输入
· 输入电压范围:±60V
· 符合IEC61131-2的开关类型1和3类特性标准
· 电源供电电压:2.5V到5.5V
· 集成限流功能:2.1mA (typ.)
· 工作温度范围:-40°至+105°
· 封装:
o NSi8604-DSSR (4通道):SSOP16
o NSi8608-DSSTR(8通道):SSOP20
多通道DI芯片NSi860x P2P兼容市场主流芯片,用户无需修改设计就可以直接更换,灵活满足用户选型需求,拥有更高的性价比,提供更可靠的供应保障。
免费送样