作者: Bill Schweber,来源:得捷电子DigiKey
有经验的工程师都知道,系统最危险的时刻之一是通电的时候。根据时间常数以及电源轨达到标称值的顺利程度和速度,不同的 IC 和系统零件可能会开启、锁定或以不正确的模式开启,因为这些器件试图相互配合工作。面临的更大挑战是,上电时与时序和压摆率相关的 IC 性能可能是温度、相关电容器、机械应力、老化和其他因素的函数。
什么是毛刺?
信号或电源线路上的噪声引起的尖峰
负载瞬态导致的突发性电源轨短暂下降
由于栅极驱动器的导通/关断时间不同,电桥中的上、下MOSFET 意外同时导通时的微秒级时间段(这种情况非常糟糕)
由于时序容差和组件之间的差异造成的瞬间不确定信号和竞争情况


低电压系统将该问题放大
随着在越来越低的电压下工作的低功耗设备日趋增多,这种毛刺也就变成了主要问题。我们来考虑具有 3.3 V、2.5 V 和 1.8 V 三个逻辑电平的系统(图 3)。对于 3.3 V 系统,输出低压阈值 (Vol) 和输入低压阈值 (Vil) 在 0.4 V 和 0.8 V 之间。如果在 0.9 V 时出现毛刺,将有可能由于开启和关闭操作导致处理器变得不稳定。

图 3:逻辑电平从 3.3 V 降至 1.8 V,相关的电压阈值也是如此。(图片来源:Analog Devices)
标称 1.8 V 系统的情况更为敏感。现在,Vol和 Vil 要低得多,分别为 0.45 V 和 0.63 V。在这个系统中,0.9 V 毛刺代表了更大的百分比,使其有更大的潜在错误。
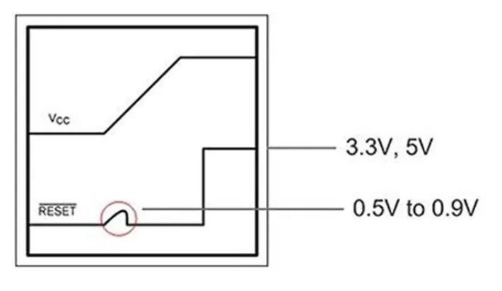
毛刺影响了系统运行时,这种情况将如何发展?我们来考虑一下电源电压 VDD 缓慢上升到 0.9 V,并在该值处保持一小段时间(图 4)。虽然这个电压不足以开启监控 IC,但仍可能开启微控制器,并使其在不稳定状态下运行。由于在 0.9 V 时处于不确定状态,所以微控制器 RESET 输入会将毛刺解释为逻辑 1 或 0,从而错误地将其启用或禁用。

这将导致微控制器只执行部分指令或不能完整地写入存储器,这仅仅是可能发生的两种情况,但可能导致系统故障和出现灾难性后果。
解决毛刺问题
克服这个问题并不需要恢复到更高的电压轨,也不需要采用复杂的系统级架构来消除毛刺或将其影响降到最低。相反,我们需要新一代监控 IC,无论在上电或断电条件下的电压水平如何,都可以识别问题的独特方面并防止出现毛刺。
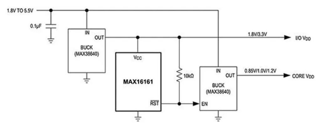
实现这一目的需要采用专有的电路和 IC,如 MAX16162,这是一款具有无毛刺上电功能的毫微功耗电源监控器。有了这款采用四凸点 WLP 和四引脚 SOT23 封装的小型 IC,只要 VDD 低于阈值电压,复位输出就会保持低电平,从而防止复位线路上出现电压毛刺。一旦达到电压阈值并且延迟时间结束,复位输出就取消断言并启用微控制器(图 5)。


图 6:MAX16161 和 MAX16162 类似,但在功能和引脚方面有个小区别:MAX16161 配备 MR 输入,会在收到适当的输入信号时,发出复位信号,而 MAX16162 则有单独的 VCC 和 VIN 引脚。(图片来源:Analog Devices)
定序器与监控器之对比
另一对存在一些重叠和歧义的术语是定序器和监控器。监控器用来监控单个电源电压,并在规定条件下断言复位/释放复位。与此相反,定序器用来协调两个或多个电源轨之间的相对复位和 “电源良好”断言。
MAX16161 和 MAX16162 可用作简单的电源定序器(图 7)。在第一个稳压器的输出电压变为有效后,MAX16161/MAX16162 会插入一个延迟,并在复位超期后为第二个稳压器生成使能信号。由于 MAX16161/MAX16162 在电源电压变为正确值之前永远不会取消复位,因此受控电源永远不会被错误地启用。

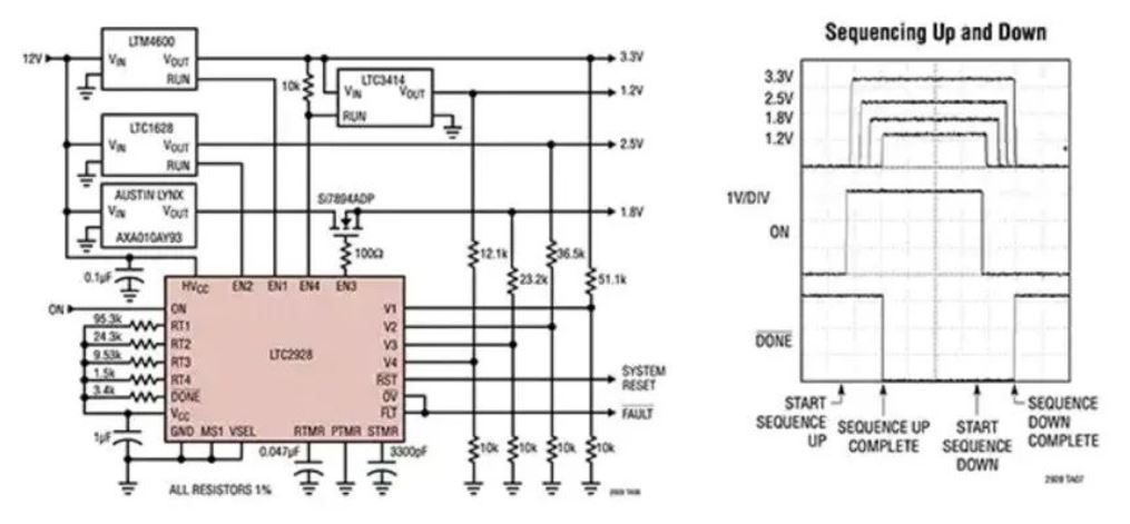
也有许多设计具有多电源轨和更复杂的定序要求。此时,Analog Devices 的 LTC2928 多通道电源定序器和监控器便是一种解决方案(图 8)。

采用这款四通道级联电源定序器和高精度监控器,设计者只需几个外部元件就能配置电源管理定序阈值、顺序和时间。该器件能够确保电源轨按所需的顺序启用。除了开机定序外,该器件还可以管理互补的、通常同样关键的断电定序。
定序输出用于控制电源使能引脚或 N 沟道传输门。其他监控功能包括欠压和过压监测及报告,以及生成微处理器复位。报告故障的类型和来源,用于进行诊断。提供单个通道控制功能,以便独立执行使能输出和监控功能。对于具有四个以上电源轨的系统,可很容易地连接多个 LTC2928,为无限个电源定序。
结语
每个应用中都有毛刺,但到目前为止这些毛刺还没有对占主导地位的高电压应用带来严重问题。现在,电源电压正在走低,系统开启可靠性会由于 0.9 V 电压毛刺而会降低。
如图所示,设计者可以利用较新的监管 IC 来提高可靠性。这种 IC 实现了无毛刺运行,为低功耗/低电压应用提供最大限度的系统保护。