上期我们介绍了寄生电感对Buck电路中开关管的影响,本期,我们聊一下如何优化寄生电感对电路的影响。
寄生电感的优化
在实际电路中,寄生电感最主要的来源是PCB上的走线以及过孔,PCB板上的走线长度越长,过孔的深度越大,寄生电感就越大。
输入端走线优化
要减少通电瞬间,寄生电感对输入电容上电压的影响,就需要降低电路中寄生电感的感值,最有效的方法就是减少从电路输入端到输入电容的走线长度,当从输入端到输入电容之间必须使用过孔时,我们可以选择厚度较薄的PCB板,减少过孔的深度,同时多打过孔,使寄生电感并联从而降低输入端到电容之间的电感值。
另外在对电路通电前,要预先检查输入电容上的电压是否有异常的高压,如果发现电压过高则需要继续通过上面的方法进行优化。
芯片端的电路走线优化
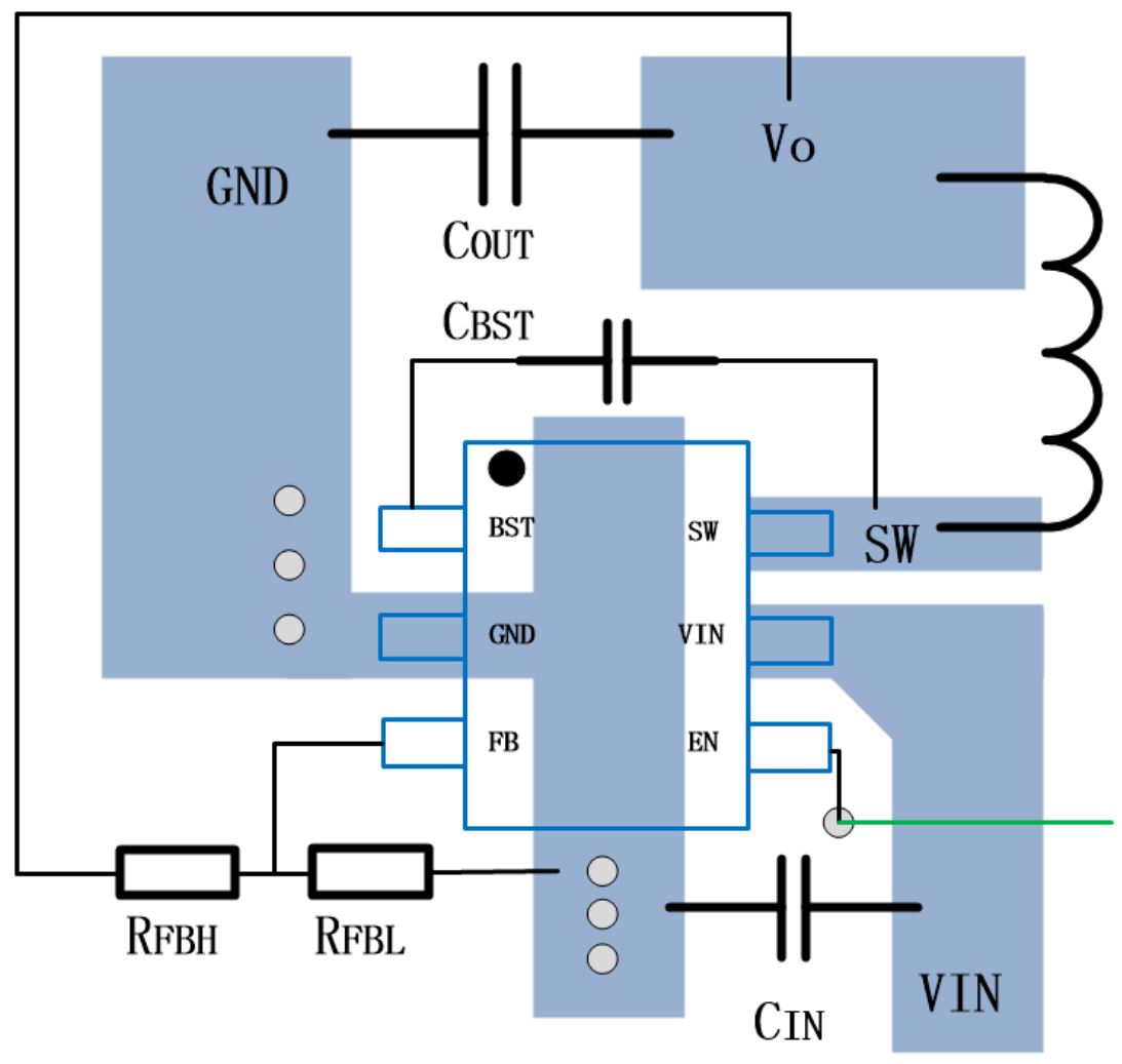
从之前LP6451的分析中可以看到,寄生电感LG1和LG2产生的感应电压对Buck控制芯片的影响最大,因此在实际电路中,我们希望LG1和LG2越小越好,这也就是我们常说的,输入电容要尽可能的靠近控制芯片,并且从输入电容到芯片相应引脚之间的走线最好在同一层,而且越短越好的原因。图1是LP6451的建议走线图,输入电容CIN需要尽可能的靠近芯片的VIN和GND引脚。

图1:建议Layout 打线图

图2:LP6451 Layout 布线图
而图2为LP6451 Demo Board的实际Layout的走线图,其中输入电容C2和C3(即图1中的CIN)尽量靠近控制芯片LP6451,输入电容的正极和地线也都采用铺铜的方式在TOP层分别与芯片的VIN和GND引脚连接,这样能尽可以的减少寄生电感,从而降低寄生电感对电路的影响。

图3:LP6451 工作波形
图3为LP6451 Demo Board的实际工作波形,输入电压为12VDC,输出负载为5V/3A,采用优化的Layout走线图后,Demo Board在满载工作时测试LP6451的SW引脚,从波形上看没有任何毛刺,电路工作状态十分良好。
总结
这里我们介绍了开关电源电路中,寄生电感的来源,与哪些因素有关,寄生电感对电路的影响以及如何采用优化Layout的方法来降低电路中寄生电感。因为寄生电感并不是工程师们在开发电源时专门设计的,所以很多时候寄生电感造成的不良影响往往就被忽略了,希望通过这三期文章介绍,能让大家对寄生电感有更多更深入的认识,在设计电源的初期就能引起重视,做到防患于未然。